Стали и сплавы коррозионно-стойкие. Методы испытаний на стойкость против межкристаллической коррозии

МЕЖГОСУДАРСТВЕННЫЙ СТАНДАРТ
СТАЛИ И СПЛАВЫ КОРРОЗИОННО-СТОЙКИЕ
Методы испытаний на стойкость против межкристаллитной коррозии

ГОСТ 6032-2017
(ISO 3651-1:1998,
ISO 3651-2:1998)

Дата введения 2018-08-01

Предисловие

Цели, основные принципы и основной порядок проведения работ по межгосударственной стандартизации установлены в ГОСТ 1.0-2015 "Межгосударственная система стандартизации. Основные положения" и ГОСТ 1.2-2015 "Межгосударственная система стандартизации. Стандарты межгосударственные, правила и рекомендации по межгосударственной стандартизации. Правила разработки, принятия, обновления и отмены".

Содержание

1. Область применения

2. Нормативные ссылки

3. Обозначения

4. Подготовка образцов

5. Испытание образцов в растворе серной кислоты и сернокислой меди в присутствии металлической меди. Метод АМУ

6. Испытание образцов в растворе серной кислоты и сернокислой меди в присутствии металлической меди и фтористого натрия или фтористого калия. Метод АМУФ

7. Испытание образцов в растворе серной кислоты и сернокислой меди в присутствии металлической меди. Метод АМ

8. Испытание образцов в растворе серной кислоты в присутствии сернокислого окисного железа. Метод ВУ

9. Испытание образцов в 65%-ной азотной кислоте. Метод ДУ

10. Протокол испытаний

11. Требования безопасности

Приложение ДА. Испытание образцов в растворе серной кислоты и цинкового порошка. Метод В

Приложение ДБ. Анодное травление образцов в ингибированной серной кислоте. Метод Б

Приложение ДВ. Размеры образцов

Приложение ДГ. Реактивы и режимы травления шлифов для выявления межкристаллитной коррозии

Приложение ДД. Определение стойкости против межкристаллитной коррозии нержавеющих сталей.

Приложение ДЕ. Определение стойкости против межкристаллитной коррозии нержавеющих сталей.

Приложение ДЖ. Перечень сталей, подлежащих контролю указанными методами

Приложение ДИ. Сравнение метода испытаний настоящего стандарта с международными стандартами

Приложение ДК. Сведения о соответствии ссылочных межгосударственных стандартов международным стандартам, использованным в качестве ссылочных в примененных международных стандартах

Сведения о стандарте

1. РАЗРАБОТАН Межгосударственным техническим комитетом по стандартизации МТК 145 "Методы контроля металлопродукции", Акционерным обществом "Научно-исследовательский и конструкторский институт химического машиностроения" (АО "НИИхиммаш")

2. ВНЕСЕН Федеральным агентством по технологическому регулированию и метрологии

3. ПРИНЯТ Межгосударственным советом по стандартизации, метрологии и сертификации (протокол от 1 июня 2017 г. N 51)

4. Приказом Федерального агентства по техническому регулированию и метрологии от 12.09.2017 г. N 1054-ст межгосударственный стандарт ГОСТ 6032-2017 введен в действие в качестве национального стандарта Российской Федерации с 1 августа 2018 г.

5. Настоящий стандарт включает в себя модифицированные основные нормативные положения следующих международных стандартов:

Сведения о соответствии ссылочных межгосударственных стандартов международным стандартам, использованным в качестве ссылочных в примененных международных стандартах, приведены в дополнительном приложении ДК

6. ВЗАМЕН ГОСТ 6032-2003

1. Область применения

Настоящий стандарт устанавливает методы испытаний на стойкость против межкристаллитной коррозии (далее - МКК) металлопродукции из коррозионно-стойких сталей (аустенито-мартенситного, аустенито-ферритного, ферритного, аустенитного классов) и сплавов на железоникелевой основе, в том числе двухслойных, а также их сварных соединений и наплавленного металла.

МКК обусловлена обеднением границ зерен хромом в результате выпадения по границам зерен богатых хромом фаз: карбидов хрома, -фазы, интерметаллических включений при выдержке сталей или сплавов при температуре 500°С-1000°С.

В зависимости от химического состава стали и сплава и их назначения выбирают один из следующих методов испытаний на стойкость металла против МКК: АМУ, АМУФ, АМ, ВУ, ДУ, В, Б.

Выбор метода испытания определяется химическим составом металла и указаниями в нормативном документе на изготовляемое оборудование.

Методы испытания на стойкость против МКК Б и В, указанные в приложениях ДА и ДБ, являются рекомендуемыми.

Применение методов, приводимых в приложениях ДД и ДЕ, допускается наряду с основными методами испытания на стойкость против МКК настоящего стандарта.

Все вышеуказанные методы не могут быть использованы для определения коррозионной стойкости сталей и сплавов к другим видам коррозии (сплошной, питтинговой, язвенной, коррозионного растрескивания и т.д.).

В условных обозначениях методов АМУ, АМУФ, АМ, ВУ, ДУ, Б, В буквы обозначают:

2. Нормативные ссылки

В настоящем стандарте использованы нормативные ссылки на следующие стандарты:

Примечание - При пользовании настоящим стандартом целесообразно проверить действие ссылочных стандартов в информационной системе общего пользования - на официальном сайте Федерального агентства по техническому регулированию и метрологии в сети Интернет или по ежегодному информационному указателю "Национальные стандарты", который опубликован по состоянию на 1 января текущего года, и по выпускам ежемесячного информационного указателя "Национальные стандарты" за текущий год. Если ссылочный стандарт заменен (изменен), то при пользовании настоящим стандартом следует руководствоваться заменяющим (измененным) стандартом. Если ссылочный стандарт отменен без замены, то положение, в котором дана ссылка на него, применяется в части, не затрагивающей эту ссылку.

3. Обозначения

В настоящем стандарте применены следующие обозначения:

4. Подготовка образцов

4.1 Вырезка заготовок для образцов

Заготовки для образцов вырезают из следующих видов металлопродукции:

  • листа толщиной не более 10 мм, ленты и проволоки - из любого места в продольном направлении;
  • листа толщиной более 10 мм - из поверхностных слоев в продольном направлении. Допускается для испытаний методами АМУ, АМУФ, АМ, ВУ и В вырезать заготовки по сечению металла;
  • сортового: круглого, квадратного, шестигранного, фасонного проката - из осевой зоны в продольном направлении; из других видов проката - из любого места;
  • трубной заготовки - из осевой зоны в продольном или поперечном направлении;
  • труб - из любого места;
  • поковок - из напусков или тела поковки;
  • отливок - из тела отливки, из приливов или отдельно отлитых образцов;
  • наплавленного металла - из поверхностных слоев;
  • металла шва - из осевой зоны в продольном или поперечном направлении.

    Допускается отбор заготовок для образцов проводить из промежуточной передельной заготовки при условии последующей аустенизации и провоцирующего нагрева или аустенизации без провоцирующего нагрева, изготовляемых из нее образцов.

    Размеры заготовок под образцы должны быть достаточными для изготовления требуемого количества образцов.

    4.2 Изготовление образцов из заготовок

    Образцы изготавливают из следующих видов металлопродукции:

    • из листа, ленты, сортового и фасонного проката, трубной заготовки, поковок, отливок, металла шва, наплавленного металла - плоские (таблица 1);
    • из проволоки и сортового проката диаметром или толщиной не более 10 мм - в исходном сечении.

      Допускается изготовление цилиндрических образцов для испытания по методу ДУ - из всех видов металлопродукции:

    • из труб - сегменты, кольца (D ≥ d), патрубки (D ≤ h) (таблица 1).

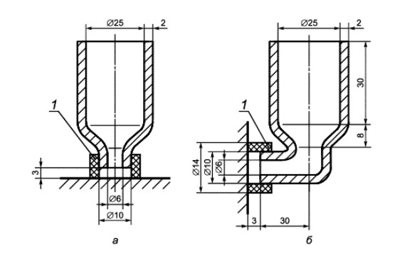
      Таблица 1 - Образцы для испытаний

      Образцы для испытаний

      Обозначения: ØD - наружный диаметр образца; b - ширина образца; c - толщина образца; h - длина трубчатого или цилиндрического образца, высота образца или патрубка; a - длина образца.

      Примечания
      1. Из наплавленного металла и металла шва изготавливают образцы, аналогичные плоскому несварному образцу.
      2. При проведении испытаний методом А (приложение ДЕ) рекомендуется использовать образцы указанных типов, в том числе сегментов, патрубков, при испытании труб диаметром до 60 мм.

      Допускается изготавливать плоские образцы из толстостенных труб большого диаметра, а также из труб толщиной стенки не более 1,5 мм путем сплющивания кольца или патрубка с последующей обрезкой сторон или путем развертки кольца или патрубка с последующим выпрямлением. В патрубках номинальным наружным диаметром не более 10 мм допускается удалять на 1/2 окружности стенку патрубка с одного из его концов или в средней части на 1/2 длины патрубка (таблица 1) при испытании всеми методами, кроме ДУ;

    • из двухслойного проката и биметаллических труб - такие же, как из листового проката и труб соответственно.

    Образцы изготавливают из плакирующего слоя после удаления механической обработкой основного и переходного слоев, а для испытания методом ДУ дополнительно удаляется и плакирующий слой на глубину не менее 0,5 мм со стороны, примыкающей к основному слою. Полноту удаления металла основного слоя определяют, выдерживая образец 3-5 мин при комнатной температуре в растворе по 4.2.2.

    Требуемая толщина образцов из заготовок достигается механической обработкой:

    • из листа - одной из поверхностей, при наличии обработанной поверхности металл удаляют с этой поверхности;
    • из сортового и фасонного проката, поковок, отливок, трубной заготовки - любой из поверхностей;
    • из тепло- и холоднодеформированных труб - наружной поверхности;
    • из горячедеформированных труб - одной или обеих поверхностей;
    • из наплавленного металла - со стороны, обратной верхним валикам поверхности;
    • из металла шва - со стороны корня шва.

    При наличии данных относительно условий работы изделия удаление металла проводят со стороны, не соприкасающейся с рабочей средой.

    4.3 Изготовление образцов из сварных стыковых соединений

    Из сварных стыковых соединений изготавливают образцы следующих видов (таблица 1):

    • из сварных соединений листа, сортового и фасонного проката, отливок и поковок - плоские образцы типа 1 или 2;
    • из электросварных труб - сегменты (тип 2) со сварным швом в центре, патрубки, кольца;
    • из кольцевых сварных соединений труб - патрубки, кольца, сегменты типа 1;
    • из сварных соединений двухслойных сталей после удаления основного и переходных слоев металла - такие же, как из сварных соединений листа или труб.

    Методами АМУ, АМУФ, АМ, ВУ, В испытывают сварные образцы типов 1 и 2, методом ДУ - образцы типа 2.

    В сварных образцах типов 1 и 2 усиление сварного шва удаляют механическим способом, при этом допускается обработка всей поверхности образца на глубину не более 1 мм, а для тонкостенных образцов - на глубину не более 0,1 мм.

    Доводят сварное стыковое соединение или сварной образец до требуемой толщины путем механического удаления металла с поверхности, которая не соприкасается с коррозионной средой; при отсутствии данных - со стороны поверхности, на которой металл шва или наплавленный металл подвергается наименьшему нагреву при сварке.

    Доведение до требуемой толщины сварных образцов из труб - по 4.2.

    Нестыковые сварные соединения контролируют на стойкость против МКК на образцах, отобранных из стыковых контрольных соединений в соответствии с конструкторской документацией.

    Покрытые электроды, сварочную проволоку и наплавочную ленту контролируют в соответствии с нормативными документами на их изготовление или другой руководящей документацией на изготовление изделий, где требуются испытания на стойкость против МКК.

    Наплавленный металл испытывают на плоских образцах (таблица 1), вырезанных из верхних слоев многослойной наплавки или металла сварного шва, выполненного по ГОСТ 6996 контролируемыми сварочными материалами (нижние неиспользуемые слои наплавки допускается выполнять другими присадочными материалами аналогичного химического состава).

    4.4 Размеры образцов для испытаний

    Размеры образцов для испытаний методами АМУ, АМУФ, АМ, ВУ, В должны обеспечивать возможность:

    • изгиба на угол 90°±5° плоского образца, сегмента, цилиндра или патрубка диаметром до 10 мм, проволоки;
    • сплющивания кольца;
    • осмотра поверхности изгиба на участке, ширина которого позволяет выявить межкристаллитные трещины с учетом возможного влияния кромок.

    Образцы для испытания методом ДУ должны удовлетворять следующим требованиям:

    • наибольший размер образца должен быть в направлении проката;
    • длина плоского образца, сегмента () или длина цилиндра и высота патрубка () должны быть не меньше двойной ширины или диаметра;
    • площадь меньших боковых поверхностей для плоского образца и сегмента или площадь торцов для кольца, патрубка, цилиндра должна составлять не более 15% общей поверхности образца.

    Рекомендуемые размеры всех указанных видов образцов для испытаний приведены в приложении ДВ.

    4.5 Количество образцов

    Для испытания методами АМУ, АМУФ, АМ, ВУ, В изготавливают по четыре образца из основного и наплавленного металла и металла шва, два из которых являются контрольными.

    Сварные образцы:

    • типа 1 (таблица 1) изготавливаются в количестве 8 шт., четыре из которых являются контрольными;
    • типа 2 (таблица 1) - в количестве 4 шт., два из которых являются контрольными.

    В случае наличия данных по входному контролю (верификации) основного металла допускается из сварных соединений изготавливать четыре образца, при этом в протоколе испытаний необходимо указать, что проводился контроль основного металла.

    Контрольные образцы не подвергают воздействию растворов. Они предназначены для определения реакции металла на изгиб без воздействия среды.

    Допускается для металлопродукции из аустенитных сталей изготавливать два образца (без контрольных образцов).

    При отрицательных результатах или в сомнительных случаях производятся повторные испытания с контрольными образцами.

    4.6 Провоцирующий нагрев

    Стабилизированные стали и сплавы (содержащие титан и/или ниобий) и нестабилизированные стали и сплавы с содержанием углерода не более 0,03%, поставляемые:

    • в термически обработанном состоянии - испытывают на образцах, изготовленных из заготовок, подвергнутых провоцирующему нагреву по режиму, указанному в таблице 2;
    • без термической обработки - испытывают на образцах, изготовленных из заготовок, подвергнутых термической обработке по режиму, указанному в нормативно-технической документации, а затем провоцирующему нагреву по режиму, указанному в таблице 2.

    Допускается подвергать провоцирующему нагреву образцы. Образцы перед загрузкой в печь обезжириваются.

    При разногласии между потребителем и изготовителем провоцирующему нагреву подвергают заготовки.

    Допускается по согласованию потребителя с изготовителем проводить провоцирующий нагрев при других режимах.

    Нестабилизированные стали (не содержащие титан или ниобий) с содержанием углерода более 0,03%, поставляемые:

    • без термической обработки - испытываются на образцах, подвергнутых термической обработке по режиму, указанному в нормативно-технической документации, без провоцирующего нагрева, если нет дополнительных указаний в нормативных документах на металлопродукцию;
    • в термически обработанном состоянии - испытываются на образцах в состоянии поставки без провоцирующего нагрева, если нет дополнительных указаний в нормативных документах на металлопродукцию.

    Таблица 2

    Марка стали или сплаваРежим нагрева*Среда охлаждения
    Температура, °СПродолжи­тельность выдержки, мин
    08Х17Т, 15Х25Т, 01-015Х18Т-ВИ, 01Х18М2Т-ВИ, 01Х25ТБЮ-ВИ1100±2030±5Вода
    08Х22Н6Т, 08Х21Н6М2Т, 08Х18Г8Н2Т, 03Х24Н6АМ3550±1060±5Воздух
    03ХН28МДТ, ХН30МДБ, 03Х21Н21М4ГБ700±1060±5Воздух
    06ХН28МДТ700±1020±5Воздух
    Все остальные стабилизированные и нестабилизированные стали с содержанием углерода не более 0,030%**650±1060±5Воздух
    * Предварительно обезжиренные заготовки загружают в печь, нагретую до температуры провоцирующего нагрева.
    ** При отсутствии иных требований потребителя стали марок 03Х17Н14М3, 03Х24Н6АМ3, 02Х25Н22АМ2, 03Х22Н6М2 испытывают методом ДУ на образцах без дополнительного провоцирующего нагрева, сталь марки 03Х23Н6 - на образцах после закалки и последующего отпуска при температуре 550°С, выдержка - 60 мин.

    В случае применения металлопродукции после термообработки, отличающейся от состояния поставки, испытания проводят на образцах, изготовленных из заготовок, подвергнутых такой же термообработке и дополнительному провоцирующему нагреву.

    Стали и сплавы, подвергнутые повторной термообработке, отличной от провоцирующего нагрева, рассматривают как новую партию металла.

    Сварные соединения, наплавленный металл и металл шва провоцирующему нагреву не подвергают.

    Стали, применяемые в нагартованном или полунагартованном состоянии, испытывают на образцах без провоцирующего нагрева. Это же относится к сталям, которые при изготовлении аппарата не будут подвергаться сварке.

    Допускается вместо испытания образцов с провоцирующим нагревом испытывать стали и сплавы на сварных образцах.

    При контроле сварных соединений для оборудования, которое в процессе изготовления подвергают термической обработке, испытания проводят на сварных образцах, подвергнутых такой же термической обработке.

    4.7 Подготовка образцов к испытаниям

    При испытании методами АМУ, АМУФ, АМ, ВУ, В окалина, образовавшаяся на поверхности образцов после сварки и термической обработки, включающей провоцирующий нагрев, до шлифовки или полировки должна быть удалена химическим или электрохимическим травлением или механической обработкой (строжкой, точением) на глубину не более 1,0 мм (на сторону), а для тонкостенных деталей толщиной до 1,5 мм - на глубину не более 0,1 мм (на сторону). При испытании методом ДУ окалину удаляют химическим травлением или механическим способом на глубину не более 1,0 мм.

    Химическое травление образцов из сталей аустенитного, аустенито-ферритного и аустенито-мартенситного классов, а также сплавов на железоникелевой основе проводят при температуре (20±5)°С в растворе:

    • азотная кислота по ГОСТ 4461 плотностью 1,35 г/см³ - (620±3) см³;
    • аммоний фтористый по ГОСТ 4518 - (76±0,1) г;
    • вода по ГОСТ 6709 (300±3) см³.

    Химическое травление сталей ферритного класса проводят при температуре 50°С-60°С в растворе:

    • соляная кислота по ГОСТ 3118 плотностью 1,19 г/см³ - (50±1)см³;
    • азотная кислота по ГОСТ 4461 плотностью 1,35 г/см³ - (5,0±0,1) см;
    • вода по ГОСТ 6709 - (50±1) см³.

    Травление всех вышеуказанных сталей и сплавов проводят электрохимическим методом при температуре 40°С-50°С и плотности тока (0,5-0,6) 10 А/м в растворе:

    • ортофосфорная кислота по ГОСТ 6552 плотностью 1,68 г/см³ - (34±1) см³;
    • азотная кислота по ГОСТ 4461 плотностью 1,35 г/см³ - (11±1) см³;
    • вода по ГОСТ 6709 - (955±3) см³.

    Образцы травят до полного удаления окалины. После травления образцы тщательно промывают водой. На образцах после травления не должно наблюдаться растравливание границ зерен и/или точечной коррозии.

    Допускается проводить химическое травление в других растворах и при других режимах, обеспечивающих полное удаление окалины.

    При разногласиях в результатах испытаний травление проводят только в растворах, перечисленных выше.

    Шероховатость поверхности образцов Ra перед испытанием должна быть не более 0,8 мкм по ГОСТ 2789. До указанной шероховатости доводят поверхности, контролируемые при изгибе образцов, испытываемых по методам АМУ, АМУФ, АМ, ВУ, В, и всю поверхность образцов, испытываемых по методу ДУ. Требуемая шероховатость поверхности достигается полированием и/или шлифованием, при этом перегрев поверхности не допускается.

    Перед испытанием образцы маркируют ударным клеймом или электрокарандашом (на хрупких материалах) на одном или двух концах образцов на расстоянии 5-10 мм от торца и обезжиривают органическими растворителями: ацетоном, этанолом и др.

    5. Испытание образцов в растворе серной кислоты и сернокислой меди в присутствии металлической меди. Метод АМУ

    5.1 Сущность метода

    Образцы сталей выдерживают в кипящем водном растворе сернокислой меди и серной кислоты в присутствии металлической меди (стружка или проволока).

    Метод применяют для контроля сталей:

    • ферритного класса марок 08Х17Т, 15Х25Т, 01-015Х18Т-ВИ, 01Х18М2Т-ВИ, 01Х25ТБЮ-ВИ, 15Х28-ВИ;
    • аустенито-ферритного класса марок 08Х22Н6Т, 08Х21Н6М2Т, 03Х22Н6М2, 02Х24Н6М2, 03Х23Н6;
    • аустенитного класса марок 09Х16Н15М3Б; 03Х16Н15М3Б, 10Х17Н13М2Т, 10Х17Н13М3Т, 08Х17Н13М2Т, 08Х17Н15М3Т, 12Х18Н9, 12Х18Н9Т, 04Х18Н10, 08Х18Н10, 08Х18Н10Т, 12Х18Н10Т, 12Х18Н10Е, 06Х18Н11, 03Х18Н11, 02Х18Н11, 03Х18Н12, 08Х18Н12Т, 12Х18Н12Т, 08Х18Н12Б, 03Х17Н14М3.

    Примечания

    1. Для указанных выше сталей может быть применен метод А, приложение ДЕ, продолжительность испытаний - 24 ч, или метод АМ, продолжительность испытаний - 24 ч.

    2. Стали аустенито-мартенситного класса марок 20Х13Н4Г9, 09Х15Н8Ю1, 07Х16Н6, 09Х17Н7Ю, 09Х17Н7Ю1, 08Х17Н5М3, аустенито-ферритного класса марки 08Х18Г8Н2Т и стали аустенитного класса марок 10Х14Г14Н3, 10Х14Г14Н4Т, 10Х14АГ15, 07Х21Г7АН5, 12Х17Г9АН4 и 10Х13Г12БС2Н2Д2 следует испытывать методом А, приложение ДЕ, продолжительность испытаний - 15 ч, или методом АМ, продолжительность - 15 ч.

    5.2 Реактивы и растворы

    5.2.1 Для проведения испытаний применяют следующие реактивы:

    • медь сернокислую (CuSO4) по ГОСТ 4165, х.ч. или ч.д.а., или медный купорос по ГОСТ 19347, х.ч.;
    • кислоту серную по ГОСТ 4204 плотностью 1,83 г/см³, ч.д.а. или х.ч.;
    • воду дистиллированную по ГОСТ 6709;
    • медь в виде стружки или проволоки с химическим составом по ГОСТ 859;
    • кислоту соляную по ГОСТ 3118 плотностью 1,19 г/см³, ч.д.а. или х.ч.;
    • кислоту азотную по ГОСТ 4461 плотностью 1,40 г/см³, ч.д.а. или х.ч.

    5.2.2 Раствор для испытания

    К (1000±3) см³ воды добавляют сернокислую медь (50±0,1) г, небольшими порциями серную кислоту (250±3) см³.

    5.3 Проведение испытаний

    5.3.1 Испытания проводят в стеклянной колбе с обратным холодильником.

    Допускается загрузка образцов одной и той же марки стали в несколько рядов при условии, что ряды образцов, между которыми должна находиться медная стружка (проволока), не будут соприкасаться друг с другом.

    Загрузка образцов различных марок сталей в одну и ту же колбу не допускается.

    На дно реакционного сосуда насыпают слой медной стружки, поверх которой загружают образцы. Количество стружки должно обеспечивать всесторонний контакт стружки с образцами и отсутствие контакта между образцами. Допускается обматывать образцы медной проволокой.

    Допускается проведение испытаний в бачках с крышками, снабженными обратными холодильниками. Для испытания образцов из хромистых и хромоникелевых сталей следует применять бачки, изготовленные из коррозионно-стойких низкоуглеродистых или стабилизированных хромоникелевых сталей, для испытания образцов из хромоникельмолибденовых сталей - бачки из коррозионно-стойких низкоуглеродистых или стабилизированных хромоникельмолибденовых сталей.

    Количество раствора для испытаний должно составлять 4-8 см³ на 1 см³ поверхности образца. Уровень раствора должен быть не менее чем на 1,0-1,5 см выше поверхности образцов и слоя стружки (проволоки).

    Реакционный сосуд с раствором и образцами для испытания нагревают и непрерывно кипятят, не допуская нагрева холодильника.

    5.3.2 Продолжительность выдержки в кипящем растворе - (8,00±0,25) ч.

    5.3.3 При вынужденном перерыве в испытаниях, при условии отсутствия испарения раствора, образцы могут оставаться в растворе до 48 ч.

    Продолжительность испытаний определяют как суммарное количество часов кипения.

    5.3.4 После выдержки в растворе образцы промывают водой и просушивают. При отложении на образцах слоя меди, не смываемого струей воды, его удаляют, промывая образцы в 20%-30%-ном растворе азотной кислоты при температуре 20°С-25°С.

    5.3.5 Допускается многократное использование раствора для испытаний при условии сохранения его цвета, за исключением испытаний, проводимых при разногласиях.

    5.3.6 Медную стружку (проволоку) используют неоднократно. В случае потемнения стружки (проволоки) при хранении ее промывают до осветления 20%-30%-ным раствором азотной кислоты, а затем водой.

    5.4 Обнаружение МКК

    5.4.1 По окончании испытаний для обнаружения МКК образцы изгибают на угол 90°±5° по ГОСТ 14019.

    Радиус закругления оправки выбирают в зависимости от толщины образцов, класса стали и вида металлопродукции, из которой изготовлены образцы (таблица 3).

    Если неизвестно, какая поверхность листа, из которого вырезан образец, является рабочей в действующем оборудовании, а также для обнаружения МКК, вызванной наличием науглероженного слоя на поверхности образца, проверяют обе поверхности, изгибая образец Z-образно. При невозможности Z-образного изгиба образца проводят изгиб двойного количества образцов: одну половину изгибают по одной из поверхностей, вторую - по другой.

    Таблица 3

    Более 1,0
    Вид металлопродукции и изделий из нееАустенитные стали и сплавы Аустенитно-ферритные сталиАустенитно-мартенситные, мартенситно-ферритные и ферритные стали
    Толщина образцаРадиус оправкиТолщина образцаРадиус оправкиТолщина образца Радиус оправки
    Лист, сортовой прокат, трубная заготовка, поковки, трубы 1,0 и менее1,01,0 и менее3,01,0 и менее3,0
    Не более толщины образцаБолее 1,0Не более трех толщин образцаБолее 1,0Не менее трех толщин образца
    Отливки, сварные соединения, наплавленный металл, металл шва 1,0 и менее2,01,0 и менее3,01,0 и менее3,0
    Более 1,0Не более двух толщин образцаОт 1,0 до 3,0 включ. Не более трех толщин образцаОт 1,0 до 5,0 включ.Не менее трех толщин образца
    Более 3,010

    При разногласиях в оценке наличия трещин на изогнутых образцах, т.е. в случае, когда на одном из параллельных образцов обнаружены трещины, а на другом - нет, или когда один исследователь видит трещины, а другой - нет, следует провести металлографическое исследование двух испытанных образцов. При обнаружении МКК только на одном из испытанных образцов испытания следует повторить на двойном количестве образцов.

    5.4.2 Специфика обнаружения МКК в образцах

    Образцы из труб:

    • в образцах бесшовных труб при наличии требования контроля обеих поверхностей образец изгибают Z-образно;
    • наружную поверхность патрубков, вырезанных из бесшовных труб наружным диаметром не более 10 мм, контролируют изгибом, а внутреннюю поверхность - металлографическим методом или удалением части стенки патрубка (в соответствии с таблицей 1) и изгибом оставшейся части патрубка;
    • кольца и патрубки, изготовленные из бесшовных труб по ГОСТ 9940 и ГОСТ 9941 диаметром более 8 мм, контролируют сплющиванием путем сближения сжимаемых плоскостей до расстояния , мм, рассчитываемого по формуле

      Формула 1, (1)

      где D - наружный диаметр трубы, мм;

      S - толщина стенки трубы, мм.

    При сплющивании образцов аустенито-ферритных или ферритных сталей расстояние , мм, определяют по формуле

    Формула 2, (2)

    Внутреннюю поверхность колец и патрубков контролируют металлографическим методом. Допускается для аустенитных сталей контроль внутренней поверхности колец осуществлять отбортовкой до диаметра, определяемого по формуле

    Формула 3, (3)

    где d - внутренний диаметр кольца, мм.

    Сварные образцы после испытаний в растворе изгибают:

    • тип 1 (таблица 1): два образца - по сварному шву, два образца - по зоне термического влияния при контроле сварного соединения в целом.

      Два образца - по сварному шву при контроле металла шва, два образца - по зоне термического влияния при контроле основного металла стали или сплава;

    • тип 2 (таблица 1): два образца - перпендикулярно к сварному шву при контроле металла шва, зоны термического влияния и сварного соединения в целом; в случае необходимости контроля обеих сторон образцы изгибают Z-образно.

    В случае, когда затруднено выявление металла шва на сварных образцах, их следует протравить при комнатной температуре в течение 1-3 мин. Раствор для выявления сварных швов: в (20±1) см³ воды растворяют сернокислую медь (4±0,1) г и добавляют соляную кислоту плотностью 1,19 г/см³, объемом (20±1) см³.

    Изгиб проводят таким образом, чтобы сварной шов, обращенный к рабочей среде, находился на внешней стороне образца. Если неизвестна сторона шва, обращенная к рабочей среде, то на внешней стороне образца должен находиться шов, подвергавшийся максимальному числу нагревов.

    Образцы в виде колец и патрубков с продольным или кольцевым швом сплющивают в соответствии с 5.4.2. Сплющивание проводят в соответствии с ГОСТ 6996, кольцевой шов следует располагать по оси приложения сжимающей нагрузки, а продольный - в диаметральной плоскости, перпендикулярной к действию сжимающей нагрузки.

    5.5 Оценка результатов испытаний на МКК

    5.5.1 Определение наличия МКК с помощью изгиба образца

    Осмотр изогнутых образцов проводят с помощью лупы при увеличении 7-12 крат.

    Отсутствие трещин на образцах, изогнутых после испытания, за исключением продольных трещин и трещин непосредственно на кромках, свидетельствует о стойкости стали или сплава против МКК.

    Наличие трещин на образцах, изогнутых после испытания, и отсутствие трещин на изогнутых таким же образом контрольных образцах свидетельствует о склонности стали к МКК.

    Если при изгибе контрольные образцы ломаются или на них обнаруживают трещины, следует провести металлографические исследования образцов после испытания.

    5.5.2 Металлографический метод определения МКК

    Для выявления МКК металлографическим методом из неизогнутого участка образца, прошедшего испытания, вырезают шлиф таким образом, чтобы плоскость реза была перпендикулярна к контролируемой поверхности образца. При вырезании шлифа из сварного образца линия реза должна проходить перпендикулярно к сварному шву и плоскость реза должна включать металл шва, зону термического влияния и основной металл.

    Рекомендуемая длина шлифа по контролируемой поверхности должна быть не менее 15-20 мм.

    Плоскость реза должна быть плоскостью шлифа.

    Способ изготовления шлифа должен обеспечить отсутствие завала кромок и заусенцев.

    Наличие и глубину МКК устанавливают на протравленных шлифах при увеличении не менее 200 крат.

    Травление проводят лишь до слабого выявления границ зерен.

    Реактивы и режимы травления шлифов для выявления МКК приведены в приложении ДГ.

    Шлиф просматривают со стороны контролируемой поверхности образца.

    Определяют максимальную глубину разрушения, выявленную в шести полях зрения. В эти поля зрения должны быть включены участки с наибольшей глубиной МКК.

    Признаком стойкости против МКК при металлографическом контроле считают разрушение границ зерен на максимальную глубину не более 30 мкм, в образцах из металлопродукции толщиной менее 1,5 мм - на глубину не более 10 мкм, если нет других указаний в нормативных документах на металлопродукцию и изделия из нее.

    6. Испытание образцов в растворе серной кислоты и сернокислой меди в присутствии металлической меди и фтористого натрия или фтористого калия. Метод АМУФ

    6.1 Сущность метода

    Образцы стали выдерживают при температуре 20°С-30°С в водном растворе сернокислой меди, серной кислоты, фтористого натрия или калия в присутствии металлической меди. Метод применяют для контроля сталей марок по 5.1, за исключением марок сталей, указанных в примечании к 5.1.

    Метод является ускоренным по сравнению с методами АМУ и АМ.

    В случае разногласий в оценке качества металла испытания проводят методом АМУ или АМ.

    6.2 Реактивы и растворы

    6.2.1 Для проведения испытаний применяют реактивы по 5.2.1 с дополнениями:

    • фтористый натрий по ГОСТ 4463, ч.д.а. или х.ч.;
    • фтористый калий по ГОСТ 20848, ч.д.а. или х.ч.

    6.2.2 Раствор для испытаний: в (1000±3) см³ воды растворяют (50±0,1) г сернокислой меди, (128,0±0,1) г фтористого натрия, затем небольшими порциями (для предотвращения разогрева раствора) добавляют (250±1) см³ серной кислоты. Допускается вместо фтористого натрия добавлять (177,0±0,1) г фтористый калий.

    Приготовление и хранение раствора следует проводить в полиэтиленовой посуде.

    6.3 Проведение испытаний и оценка результатов

    6.3.1 Всю подготовительную работу и испытания проводят в вытяжном шкафу в полиэтиленовом сосуде.

    На дно реакционного сосуда насыпают слой медной стружки, на поверхность которой загружают образцы, и заполняют сосуд раствором для испытаний в количестве 8 см³ на 1 см² поверхности образца на 1,0-1,5 см выше поверхности образцов или слоя медной стружки и затем закрывают его крышкой.

    6.3.2 Продолжительность испытаний для сталей без молибдена - (2,0±0,1) ч, содержащих молибден - (3,0±0,1) ч.

    6.3.3 После выдержки в растворе образцы промывают водой и просушивают. При отложении на образцах слоя меди, не смываемого струей воды, его удаляют, промывая образцы в 20-30%-ном растворе азотной кислоты при температуре 20°С-25°С.

    6.3.4 Допускается многократное использование раствора и металлической меди по 5.3.5, 5.3.6.

    6.3.5 Обнаружение МКК и оценку результатов испытаний проводят в соответствии с 5.4 и 5.5.

    Осмотр изогнутых образцов допускается проводить с помощью лупы при увеличении в 7-12 крат.

    7. Испытание образцов в растворе серной кислоты и сернокислой меди в присутствии металлической меди. Метод АМ

    7.1 Сущность метода

    Образцы стали выдерживают в кипящем водном растворе сернокислой меди и серной кислоты в присутствии металлической меди.

    Метод применяется для контроля сталей и сплавов марок по п.5.1.

    7.2 Реактивы и растворы

    7.2.1 Для проведения испытаний применяют следующие реактивы:

    • медь сернокислую (CuSO4) по ГОСТ 4165, ч.д.а. или х.ч., или медный купорос по ГОСТ 19347;
    • кислоту серную по ГОСТ 4204 плотностью 1,83 г/см³, ч.д.а. или х.ч.;
    • кислоту соляную по ГОСТ 3118 плотностью 1,19 г/см³, ч.д.а. или х.ч.;
    • кислоту азотную по ГОСТ 4461 плотностью 1,41 г/см³, ч.д.а. или х.ч., раствор с массовой долей 20-30%;
    • воду дистиллированную по ГОСТ 6709;
    • медь по ГОСТ 859 в виде стружки, проволоки или пластин.

    7.2.2 Раствор для испытания

    В воду объемом (1000±3) см³ добавляют сернокислую медь массой (130±0,1) г, затем небольшими порциями добавляют серную кислоту объемом (120±3) см³.

    7.2.3 Раствор для повторных испытаний: в воду объемом (1000±3) см³ добавляют сернокислую медь массой 110-160 г, а затем небольшими порциями добавляют серную кислоту объемом (100±3) см³.

    7.2.4 Раствор для выявления границ сварных швов: в воде объемом (20±3) см³ растворяют сернокислую медь массой (4,0±0,1) г и добавляют соляную кислоту объемом (20±1) см³.

    7.3 Проведение испытаний и оценка результатов

    7.3.1 Испытание проводят в стеклянной колбе с обратным холодильником или в бачке из коррозионно-стойкой стабилизированной хромоникелевой стали с крышкой, снабженной обратным холодильником. На дно реакционного сосуда насыпают слой медной стружки, поверх которой загружают образцы.

    Допускается:

    • вместо медной стружки использовать медную проволоку с химическим составом по ГОСТ 859 (без лаковой пленки и защитной фторопластовой оболочки, предварительно обработанную раствором азотной кислоты. Проволока, как и стружка, пригодна для многократного использования) или ребристые медные пластины (со сквозными отверстиями диаметром 5-7 мм) на подвеске при условии их надежного (сверху и снизу) контакта с образцами, хорошего омывания образцов раствором и удаления продуктов коррозии. При разногласиях в оценке качества металла испытания проводят в присутствии медной стружки;
    • загружать образцы в несколько рядов при условии всестороннего контакта с медной стружкой (медной проволокой) или двухстороннего контакта с медными пластинами;
    • совместная загрузка следующих сталей по следующим группам:
      • 08Х17Т, 15Х25Т;
      • 09Х15Н8Ю1, 07Х16Н6, 09Х17Н7Ю1, 08Х17Н5М3, 09Х17Н7Ю;
      • 08Х22Н6Т, 08Х18Г8Н2Т, 08Х21Н6М2Т;
      • 10Х14Г14Н3, 10Х14Г14Н4Т, 10Х14АГ15, 12Х17Г9АН4; 07Х21Г7АН5;
      • 12Х18Н9, 12Х18Н9Т, 04Х18Н10, 08Х18Н10, 08Х18Н10Т, 12Х18Н10Т;
      • 12Х18Н10Е, 06Х18Н11, 08Х18Н12Т, 12Х18Н12Т, 08Х18Н12Б;
      • 09Х16Н15М3Б, 08Х17Н13М2Т, 10Х17Н13М2Т, 10Х17Н13М3Т, 08Х17Н15М3Т.

    Реакционный сосуд заполняют раствором для испытания не менее чем на 2,0 см выше поверхности стружки (проволоки или пластин) и непрерывно кипятят. Нельзя допускать нагрева холодильника.

    7.3.2 Продолжительность выдержки в кипящем растворе - (24,00±0,25) ч.

    При вынужденном перерыве испытания образцы из раствора не извлекают, при условии отсутствия испарения раствора, образцы могут оставаться в растворе до 48 ч. Продолжительность испытания подсчитывается как суммарное количество часов испытания при кипении.

    Для сталей марок 20Х13Н4Г9, 10Х14Г14НЗ, 10Х14Г14Н4Т, 10Х14АГ15, 10Х13Г12БС2Н2Д2, 08Х17Н5М3, 09Х15Н8Ю1, 07Х16Н6, 09Х17Н7Ю, 09Х17Н7Ю1, 07Х21Г7АН5, 12Х17Г9АН4, 08Х18Г8Н2Т продолжительность выдержки в растворе должна составлять (15,00±0,25) ч.

    7.3.3 После выдержки в растворе образцы промывают водой и просушивают. При отложении на образцах слоя меди, не смываемого струей воды, его удаляют, промывая образцы в 20-30%-ном растворе азотной кислоты при температуре 20°С-25°С.

    7.3.4 При разногласиях в оценке результатов испытания проводят в стеклянной колбе непрерывно. При этом объем раствора должен быть не менее 10 см на 1 см поверхности образца.

    7.3.5 Допускается многократное использование раствора и медной стружки (проволоки или пластин) по 5.3.5, 5.3.6.

    7.3.6 Обнаружение МКК и оценку результатов испытаний проводят в соответствии с 5.4 и 5.5.

    8. Испытание образцов в растворе серной кислоты в присутствии сернокислого окисного железа. Метод ВУ

    8.1 Сущность метода

    Образцы стали или сплава выдерживают в кипящем водном растворе сернокислого окисного железа и серной кислоты.

    Метод применяют для контроля стали марок 03Х21Н21М4ГБ, 03Х24Н6АМ3 и сплавов на железоникелевой основе марок: 06ХН28МДТ, 03ХН28МДТ и ХН30МДБ.

    8.2 Реактивы и растворы

    Кислота серная по ГОСТ 4204 плотностью 1,83 г/см³, ч.д.а. или х.ч.

    Железо (III) сернокислое [Fe2(SO4)] по ГОСТ 9485, ч.д.а. или х.ч.

    Вода дистиллированная по ГОСТ 6709.

    Из серной кислоты плотностью 1,83 г/см³ готовят раствор массовой долей (50,0±0,2)%, плотностью 1,395 г/см³.

    8.3 Проведение испытаний и оценка результатов

    8.3.1 Испытания проводят в стеклянной колбе, снабженной обратным холодильником.

    На дно реакционного сосуда укладывают бусы, стеклянные трубки или фарфоровые лодочки, поверх которых помещают образцы.

    В фарфоровой ступке растирают сернокислое железо до порошка из расчета 40 г на 1000 см³ раствора серной кислоты плотностью 1,395 г/см³. Полученный порошок высыпают в колбу с образцами и заливают его холодным раствором серной кислоты.

    Количество раствора - не менее 8 см³ на 1 см³ поверхности образца. Уровень раствора должен быть на 1,0-1,5 см выше поверхности образцов.

    Совместная загрузка в колбу образцов сталей и сплавов различных марок не допускается.

    8.3.2 Продолжительность выдержки в кипящем растворе должна составлять (48,0±0,25) ч.

    8.3.3 Кипячение проводят непрерывно, не допуская нагрева холодильника.

    При вынужденном перерыве в испытаниях образцы могут оставаться в растворе не более 8 ч. Продолжительность испытаний подсчитывают как суммарное количество часов при кипении.

    8.3.4 Обнаружение МКК и оценку результатов испытаний проводят в соответствии с 5.4 и 5.5.

    9. Испытание образцов в 65%-ной азотной кислоте. Метод ДУ

    9.1 Сущность метода

    Образцы выдерживают в кипящем водном растворе 65%-ной азотной кислоты.

    Метод применяют для контроля сталей марок: 02Х18Н11, 03Х18Н11, 03Х18Н12, 03Х17Н14М3, 03Х24Н6АМ3 и 02Х25Н22АМ2.

    9.2 Реактивы и растворы

    Кислота азотная, ос.ч., по ГОСТ 11125 массовой долей (65,0±0,2)%, плотностью 1,391 г/см³.

    Вода дистиллированная по ГОСТ 6709.

    9.3 Проведение испытаний

    9.3.1 Перед испытанием образцов измеряют их длину, ширину (или диаметр) и толщину не менее чем в трех местах и определяют среднее значение для каждого из параметров. Погрешность измерений не должна превышать 0,1 мм.

    Затем образцы обезжиривают органическим растворителем, промывают водой, просушивают и взвешивают на аналитических весах, погрешность измерения массы не должна превышать 0,1 мг.

    Испытания проводят в стеклянной колбе с обратным холодильником.

    На дно колбы кладут стеклянные бусы, трубки или фарфоровые лодочки, на которые помещают образцы.

    В одной колбе испытывают образцы одной и той же марки стали, плавки и термообработки. Образцы заливают раствором азотной кислоты объемом 10 см³ на 1 см² поверхности образца и на 1,0-1,5 см выше поверхности образцов.

    При разногласиях в оценке стойкости против МКК, в том числе между потребителем металлопродукции и ее изготовителем, испытания повторяют в растворе азотной кислоты объемом не менее 20 см³ на 1 см² поверхности образца.

    Испытание проводят при слабом равномерном кипении, не допускается выпаривание раствора и выделение окислов азота бурого цвета, что определяют с помощью индикаторной бумаги, помещаемой на выходе в верхней части обратного холодильника. В случае выпаривания раствора следует добавлять 65%-ную азотную кислоту до первоначального уровня.

    9.3.2 Продолжительность испытаний составляет 240 ч, пять циклов по (48,00±0,25) ч каждый со сменой раствора после каждого цикла.

    Допускается по согласованию с потребителем для основного металла сталей марок 02Х18Н11, 03Х18Н11 и 03Х18Н12 после третьего цикла дальнейшее испытание не проводить, если скорость коррозии во втором и третьем циклах не превышает 0,30 мм/год.

    9.3.3 После каждого цикла испытаний (48 ч) образцы извлекают из колбы, промывают водой, просушивают, взвешивают и определяют скорость коррозии в каждом из циклов.

    9.3.4 При вынужденном перерыве кипячения образцы извлекают из колбы, промывают и просушивают. Раствор используют для продолжения цикла.

    9.4 Оценка результатов испытаний на МКК

    9.4.1 Для оценки МКК определяют скорость сплошной коррозии νk, г/м·ч, и ν`k , мм/год, по следующим формулам:

    Формула 4, (4)

    Формула 5, (5)

    где Δm - потеря массы образца за данный цикл, г;

    S- поверхность испытуемого образца, см²;

    t - продолжительность испытания, ч;

    ρ - плотность испытуемой стали, г/см³.

    Допускаемая погрешность скорости сплошной коррозии при испытании по методу ДУ составляет 1,5-2,0%.

    9.4.2 Образцы считают не выдержавшими испытание, если скорость коррозии стали, сварного соединения, наплавленного металла или металла шва после второго или последующих циклов - более 0,5 мм/год и 0,3 мм/год для стали марки 02Х25Н22АМ2, а также если скорость сплошной коррозии сварного соединения - не более 0,5 мм/год, но околошовная зона или зона термического влияния, или металл шва подверглись повышенной травимости по сравнению с основным металлом. Осмотр образца следует проводить при увеличении не менее чем в 7 крат.

    9.4.3 В сомнительных случаях при оценке качества сварного соединения допускается проведение металлографического анализа.

    Образцы считают не выдержавшими испытание, если средняя глубина растравливания околошовной зоны или зоны термического влияния, или металла шва не менее чем на 30 мкм больше основного металла.

    10. Протокол испытаний

    В протоколе испытаний следует указывать:

    • марку стали, вид металлопродукции, из которой изготовлен образец, номер плавки;
    • маркировку образца;
    • вид образца (основной металл, сварной образец, наплавленный металл, металл шва);
    • режим термической обработки;
    • метод испытания, продолжительность испытаний;
    • результат испытания:

      1) наличие или отсутствие трещин при изгибе образцов (испытания методами АМУ, АМУФ, АМ, ВУ, методом В приложение ДА, методом А приложение ДЕ);

      2) наличие или отсутствие сетки травления на поверхности металлографического шлифа при испытаниях методом Б приложение ДБ;

      3) скорость коррозии (г/м·ч, мм/год) в каждом из пяти циклов при испытании методом ДУ;

    • оценку результатов испытания (сталь или сплав склонны к МКК; сталь или сплав не склонны к МКК).

    11. Требования безопасности

    Работа в химической лаборатории неизбежно связана с рядом опасных и вредных факторов. Сотрудники химической лаборатории должны пройти обучение и инструктирование по технике безопасности.

    К работе допускаются лица не моложе 18 лет, прошедшие предварительный медосмотр, не имеющие противопоказаний по здоровью, а также прошедшие инструктаж и обучение безопасным методам работы.

    Для обеспечения безопасности людей необходимо соблюдать определенные правила.

    1. При работе с кислотами и солями необходимо не допустить содержание вредных веществ в воздухе рабочей зоны производственных помещений выше их предельно допустимой концентрации. Предельно допустимая концентрация:

    • серной кислоты и серного ангидрида - 1 мг/м³;
    • азотной кислоты и ее паров - 2 мг/м³ (в пересчете на NO2);
    • фтористого натрия и фтористого калия (в пересчете на фтор-ион) - 1 мг/м³ (максимально разовая) и 0,2 мг/м³ (среднесменная);
    • хлористого водорода - 5 мг/м³.

    2. При работе с кислотами, фтористым натрием, фтористым калием и железом сернокислым окисным необходимо соблюдать правила предосторожности и использовать индивидуальные средства защиты: фильтрующий противогаз марки В, защитные очки (ПО-2 с резиновой полумаской), наголовный щиток ЩН-7 с экраном из органического стекла, сапоги, перчатки и кислотозащитные рукавицы, специальную кислотозащитную одежду.

    3. Избегать попадания кислот и солей внутрь организма и на кожу.

    4. При попадании на кожу и слизистые оболочки кислоты необходимо сразу же обмыть пораженное место большим количеством воды, затем 2%-ным раствором питьевой соды (кислый углекислый натрий - NaHCO3), смазать вазелином или специальной мазью от ожогов и перевязать.

    5. При отравлении газообразными оксидами азота или парами азотной кислоты пострадавшего нужно вывести на свежий воздух, напоить молоком и отправить в медпункт.

    6. Необходимо обеспечить герметизацию колб с кислотой. Процессы слива и налива для исключения попадания паров кислоты в воздушную среду производственного помещения проводить под тягой с использованием индивидуальных средств защиты.

    7. Помещения, в которых проводятся работы с кислотами и солями, должны быть оборудованы непрерывно действующей приточно-вытяжной вентиляцией.

    8. В целях предотвращения электротравматизма в химической лаборатории электрооборудование должно быть заземлено, а также запрещается:

    • работать на неисправных электрических приборах;
    • переносить включенные приборы и оставлять их без присмотра;
    • работать вблизи открытых токоведущих частей электроустановок и прикасаться к ним;
    • загромождать подходы к электрическим устройствам.

    Приложение ДА
    (рекомендуемое)
    Испытание образцов в растворе серной кислоты и цинкового порошка. Метод В

    ДА.1 Сущность метода

    Образцы выдерживают в кипящем водном растворе сернокислой меди и серной кислоты с добавлением цинкового порошка.

    Метод применяется для контроля стали марки 03X21Н21М4ГБ и сплавов на железоникелевой основе марок 06ХН28МДТ и 03ХН28МДТ и является менее надежным, чем метод ВУ.

    ДА.2 Реактивы и растворы

    Медь сернокислая (CuSO4) по ГОСТ 4165, ч.д.а. или х.ч., или медный купорос по ГОСТ 19347, х.ч.

    Кислота серная по ГОСТ 4204 плотностью 1,83 г/см³, ч.д.а. или х.ч.

    Вода дистиллированная по ГОСТ 6709.

    Порошок цинковый по ГОСТ 12601, класс А.

    Раствор для испытания: в (1000±3) см³ воды растворяют (110,0±0,2) г сернокислой меди, затем небольшими порциями добавляют (55,0±0,3) см³ серной кислоты.

    ДА.3 Проведение испытания и оценка результатов

    ДА.3.1 Испытания проводят в стеклянной колбе с обратным холодильником.

    На дно колбы укладывают бусы, стеклянные трубки или фарфоровые лодочки, поверх которых помещают образцы. Затем колбу заполняют раствором для испытания объемом не менее 8 см³ на 1 см² поверхности образцов и на 1,0-1,5 см выше поверхности образцов и добавляют (5,0±0,1) г цинкового порошка на каждые (1000±3) см³ объема раствора. Когда бурная реакция выделения водорода закончится, реакционный сосуд соединяют с холодильником.

    ДА.3.2 Продолжительность выдержки в растворе - (144,0±0,25) ч. Раствор кипятят непрерывно, не допуская нагрева холодильника. При вынужденном перерыве образцы могут оставаться в растворе не более 48 ч.

    Продолжительность испытаний определяют как суммарное количество часов кипячения.

    ДА.3.3 Обработку образцов после испытаний проводят по 5.3.4 настоящего стандарта.

    ДА.3.4 Выявление межкристаллитной коррозии проводят по 5.4 и 5.5 настоящего стандарта.


    Приложение ДБ
    (рекомендуемое)
    Анодное травление образцов в ингибированной серной кислоте. Метод Б

    ДБ.1 Сущность метода

    Сталь подвергают анодному травлению в водном растворе ингибированной серной кислоты.

    Метод применяют для контроля изделий и деталей, изготовленных сваркой, горячей штамповкой и гибкой из стали марок: 12Х18Н9, 12Х18Н9Т, 04Х18Н10, 08Х18Н10, 12Х18Н10Т, 08Х18Н10Т, 02Х18Н11, 03Х18Н11, 06Х18Н11, 08Х18Н12Т, 12Х18Н12Т и двухслойных сталей этих марок, для предварительной оценки стойкости против МКК металлопродукции, подлежащей контролю методами АМУ, АМУФ, АМ, А приложение ДЕ.

    Металл сварного шва не контролируют этим методом.

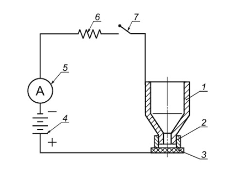
    ДБ.2 Аппаратура

    Схема установки для контроля металла методом Б приведена на рисунке ДБ.1.

    Схема установки для контроля металла методом Б
    1 - свинцовый сосуд - катод; 2 - резиновая манжета; 3 - образец; 4 - источник постоянного тока; 5 - амперметр с ценой деления не более 0,1 А; 6 - реостат или магазин сопротивления; 7 - переключатель или ключ

    Рисунок ДБ.1 - Схема установки для контроля металла методом Б

    ДБ.3 Реактивы и растворы

    Кислота серная по ГОСТ 4204 плотностью 1,83 г/см³, раствор с массовой долей (60,0±0,2)%.

    Уротропин (CH2)6 по ГОСТ 1381 или другой ингибитор для серной кислоты, раствор с массовой долей (0,50±0,05)%.

    Вода дистиллированная по ГОСТ 6709.

    Раствор для испытаний содержит (20±1) см³ раствора уротропина и (1000±3) см³ раствора серной кислоты.

    ДБ.4 Проведение испытания и оценка результатов

    ДБ.4.1 Поверхность участков, подлежащих контролю, шлифуют до шероховатости Ra≤0,8 мкм. После шлифования контрольные участки обезжиривают органическими растворителями.

    ДБ.4.2 Испытание проводят анодным травлением контролируемых участков поверхности детали, которую включают в цепь постоянного тока при плотности тока (0,65±0,01) 104 А/м². Катодом является свинцовый сосуд (рисунок ДБ.1), который укрепляют на контролируемой поверхности испытуемого изделия или материала с помощью резиновой манжеты. В сосуд наливают от 3 до 5 см³ раствора.

    Допускается изготавливать сосуды из другого металла, коррозионно-стойкого в растворе для испытаний (ДБ.3).

    Температура испытания - (20±10)°С. При невозможности применения сосуда конструкции, приведенной на рисунке ДБ.2, допускается изменять его конструкцию применительно к контролируемым изделиям.

    Рекомендуемые сосуды для испытаний
    а - сосуд для испытаний горизонтальных поверхностей; б - сосуд для испытаний вертикальных поверхностей; 1 - резиновая манжета

    Рисунок ДБ.2 - Рекомендуемые сосуды для испытаний

    Б.4.3 При испытании сварных изделий контролируют зону термического влияния около сварного шва. При этом анодное пятно наносят с таким расчетом, чтобы край пятна захватывал не более 1 мм ширины наплавленного металла.

    В местах, подлежащих контролю, усиление шва удаляют.

    Испытания проводят по обеим сторонам шва в шахматном порядке. При длине сварного шва до 2 м зону термического влияния контролируют не менее чем в четырех точках.

    ДБ.4.4 Изделия, имеющие перекрещивающиеся и Т-образные швы, испытывают по зоне термического влияния во всех местах пересечения швов (рисунок ДБ.3).

    ДБ.4.5 Продолжительность испытания после включения тока - (5,0±0,20) мин. При повышенной травимости опыт повторяют и продолжительность испытаний может быть сокращена до 1-2 мин.

    По окончании испытаний ток выключают, сосуд и контрольную поверхность промывают водой, вытирают фильтровальной бумагой и протирают этиловым спиртом.

    ДБ.5 Оценка результатов

    Стойкость стали против МКК оценивают при осмотре анодного пятна на поверхности образца или изделии при увеличении 20 крат.

    Отсутствие сетки свидетельствует о стойкости металла против МКК.

    При наличии сетки (рисунок ДБ.4) или растравливания выпавшей вторичной фазы (рисунок ДБ.5) требуется испытание образцов методами АМУ, АМУФ или АМ, т.к. в условиях травления (положительный потенциал) возможно растравливание выпавших карбидов.

    Рисунок ДБ.3
    1 - сварной шов; 2 - места анодного травления

    Рисунок ДБ.3

    Рисунок ДБ.4
    Рисунок ДБ.4
    Рисунок ДБ.5
    Рисунок ДБ.5

    Примечание - На рисунках ДБ.4 и ДБ.5 образцы даны при увеличении в 50 крат.


    Приложение ДВ
    (рекомендуемое)
    Размеры образцов

    Таблица ДВ.1

    Вид металлопродукцииТолщина плоских образцов или диаметр цилиндрических образцов для методов
    (АМУ, АМУФ, АМ, ВУ, В)1), 3)ДУ2), 3)
    Листовой прокат толщиной не более 10 ммТолщина равна толщине металлопродукции. Допускается доведение толщины до 3-5 ммТолщина равна толщине металлопродукции. Допускается доведение толщины до 3-5 мм. Диаметр - 5-7 мм
    Листовой прокат толщиной св. 10 ммТолщина - не более 10 мм. Допускается доведение толщины до 3-5 ммТолщина - 3-5 мм. Диаметр - 5-7 мм
    Двухслойный листовой прокатТолщина равна толщине плакирующего (коррозионно-стойкого) слоя и менее
    Проволока диаметром не более 10 ммДиаметр равен диаметру металлопродукции
    Сортовой прокат диаметром или толщиной не более 10 ммДиаметр или толщина равны диаметру или толщине металлопродукции.

    Допускается доведение толщины или диаметра до 3-5 мм3).

    При разногласиях в результатах испытаний повторные испытания проводят на образцах, диаметр или толщина которых равны диаметру или толщине металлопродукции

    Сортовой прокат диаметром или толщиной св. 10 ммТолщина - 3-5 ммТолщина - 3-5 мм Диаметр - 5-7 мм
    Трубные заготовки, поковки, отливкиТолщина - 3-5 ммТолщина - 3-5 мм Диаметр - 5-7 мм
    Трубы бесшовные диаметром до 10 мм включ.Толщина равна толщине металлопродукции
    Трубы бесшовные диаметром более 10 ммТолщина равна толщине металлопродукции, но не более 5 мм
    Трубы электросварныеТолщина равна толщине металлопродукции
    Сварные соединения листового, сортового проката, поковок и отливокТолщина - 3-5 мм
    Кольцевые сварные соединения труб толщиной:
    - до 5 мм включ.;
    - более 5 мм
    Толщина равна толщине стенки металлопродукции. Толщина - 3-5 мм
    Сварные соединения двухслойного листового прокатаТолщина равна толщине плакирующего слоя, но не более 5 мм
    1) Длина сварных образцов с поперечным швом и образцов основного металла - более 50 мм, ширина - 20 мм. Длина сварных образцов с продольным швом - не менее 80 мм, ширина - 30 мм.

    2) Длина образцов - не менее 50 мм, ширина - 20-30 мм.

    3) Допускается доведение толщины или диаметра образца для ферритных, мартенсито-ферритных, аустенито-мартенситных, аустенито-ферритных сталей до 3 мм.

    Приложение ДГ
    (рекомендуемое)
    Реактивы и режимы травления шлифов для выявления межкристаллитной коррозии

    Таблица ДГ.1

    Электролитическое травление в растворе:

    (8,50±0,05) г/дм³ лимонной кислоты по ГОСТ 3652, (8,50±0,05) г/дм³ сернокислого аммония по ГОСТ 3769. Температура 20°С-30°С. Плотность тока (1,0±0,2)·104 А/м².

    Электролитическое травление в растворе:

    (10,0±0,2)% хромового ангидрида по ГОСТ 3776. Температура 20°С-30°С. Плотность тока (1,0±0,2)·104 А/м²

    Марка стали и сплаваРеактив и режим травления
    2Х18Н9, 12Х18Н9Т, 04Х18Н10, 08Х18Н10, 08Х18Н10Т, 12Х18Н10Т, 12Х18Н10Е, 03Х18Н11, 06Х18Н11, 03Х18Н12, 08Х18Н12Т, 12Х18Н12Т, 08Х18Н12Б, 02Х18Н11

    Химическое травление в смеси:

    (92±3) см³ соляной кислоты плотностью 1,18 г/см³ по ГОСТ 3118,

    (5,0±0,1) см³ серной кислоты плотностью 1,83 г/см³ по ГОСТ 4204,

    (3,0±0,1) см³ азотной кислоты плотностью 1,4 г/см³ по ГОСТ 11125. Температура 20°С-30°С. Реактивы наносят на поверхность шлифа ватным тампоном.

    Электролитическое травление в растворе щавелевой кислоты с массовой долей (10,0±0,2)% по ГОСТ 22180. Температура 20°С-30°С. Плотность тока (1,0±0,2)·104 А/м²

    03Х16Н15М3, 08Х16Н15М3Б, 09Х16Н15М3Б, 03Х17Н14М3, 08Х17Н13М2Т, 08Х17Н15М3Б, 10Х17Н13М2Т, 10Х17Н13М3Т, 08Х17Н15М3Т, 02Х25Н22АМ2

    Химическое травление в растворе:

    (50±0,1) см³ соляной кислоты плотностью 1,18 г/см³ по ГОСТ 3118, (5,0±0,1) см³ азотной кислоты плотностью 1,41 г/см³ по ГОСТ 11125, (50±0,1) см³ воды. Температура кипения.

    Электролитическое травление в растворе:

    (8,50±0,05) г/дм³ лимонной кислоты по ГОСТ 3652, (8,50±0,05) г/дм³ сернокислого аммония по ГОСТ 3769. Температура 20°С-30°С. Плотность тока (1,0±0,2)·104 А/м²

    20Х13Н4Г9, 08Х18Г8Н2Т, 10Х14Г14Т, 12Х17Г9АН4, 07Х21Г7АН5, 03Х21Н21М4ГБ, 06ХН28МДТ, 03ХН28МДТ, ХН30МДБ, 10Х14Г14Н3, 10Х14Г14Н4Т, 10Х14АГ15, 10Х13Г12БС2Н2Д2

    Химическое травление в растворе:

    (50,0±0,1) см³ соляной кислоты плотностью 1,18 г/см³ по ГОСТ 3118,

    (5,0±0,1) см³ азотной кислоты плотностью 1,41 г/см³ по ГОСТ 11125, (50±1) см³ воды. Температура кипения.

    Электролитическое травление в растворе:

    (10,0±0,2)% щавелевой кислоты по ГОСТ 22180. Температура 20°С-30°С. Плотность тока (1,0±0,2)·104 А/м²

    09Х15Н8Ю, 07Х16Н6, 09Х17Н7Ю, 09Х17Н7Ю1, 08Х17Н5М3
    08Х22Н6Т, 08Х21Н6М2Т, 03Х24Н6АМ3, 03Х23Н6, 03Х22Н6М2

    Химическое травление в растворе:

    (50±0,1) см³ соляной кислоты плотностью 1,18 г/см³ по ГОСТ 3118, (5,0±0,1) см³ азотной кислоты плотностью 1,41 г/см³ по ГОСТ 11125, (50,0±0,1) см³ воды. Температура кипения.

    Электролитическое травление в растворе:

    (8,50±0,05) г/дм³ лимонной кислоты по ГОСТ 3652, (8,50±0,05) г/дм³ сернокислого аммония по ГОСТ 3769. Температура 20°С-30°С. Плотность тока (1,0±0,2)·104 А/м²

    08Х17Т, 15Х25Т, 01-015Х18Т-ВИ, 01Х18М2Т-ВИ, 01Х25ТБЮ-ВИ

    Химическое травление в растворе:

    (50±0,1) см³ соляной кислоты плотностью 1,18 г/см³ по ГОСТ 3118, (5,0±0,1) см³ азотной кислоты плотностью 1,4 г/см³ по ГОСТ 11125, (50±1) см³ воды. Температура кипения


    Приложение ДД
    (обязательное)
    Определение стойкости против межкристаллитной коррозии нержавеющих сталей. Аустенитные и аустенито-ферритные (двухфазные) нержавеющие стали. Коррозионные испытания в азотной кислоте путем определения потери массы (испытания по Хью) (ИСО 3651-1:1998)

    ДД.1 Область применения

    Метод применяют для определения стойкости против межкристаллитной коррозии (МКК) путем испытания в азотной кислоте с измерением потери массы проката, поковок, труб и литья аустенитных и аустенито-ферритных (двухфазных) сталей, предназначенных для использования в сильно окислительных средах (например, в концентрированной азотной кислоте). Испытания по методу Хью не следует применять для сталей, содержащих молибден, если стали не предназначены для использования в качестве материала для оборудования, работающего с азотной кислотой.

    Результаты испытания на МКК по методу Хью являются показательными только для определения стойкости стали против МКК в указанных средах и не могут быть использованы для определения стойкости стали к другим видам коррозионных разрушений (общей коррозии, питтинга, коррозионного растрескивания и т.д.).

    ДД.2 Назначение испытаний

    ДД.2.1 Испытания на МКК проводят с целью обнаружения коррозионного воздействия среды на границы зерен, обусловленного одной или несколькими причинами:

    • выпадением по границам зерен карбидов хрома;
    • выпадением интерметаллических соединений, таких как -фаза, в сталях, содержащих молибден;
    • сегрегацией на границах зерен загрязняющих элементов.

    Указанные процессы могут протекать при воздействии на аустенитные и аустенито-ферритные нержавеющие стали температур 500°С-1000°С, которым сталь может подвергаться при горячей обработке (ковка, прокатка), а также при сварке из-за технологических нарушений процесса.

    Оценку результатов испытаний (например, максимально допустимая скорость коррозии) проводят по договоренности между потребителем и изготовителем.

    ДД.3 Применение метода

    ДД.3.1 Методом Хью контролируют аустенитные стали повышенной коррозионной стойкости против МКК, предназначенные для сильно окислительных сред. Контроль образцов сталей осуществляют после провоцирующей термообработки.

    Образцы тонких листов не подвергают провоцирующему нагреву, поскольку в процессе изготовления оборудования тонкие листы быстро охлаждаются.

    ДД.4 Провоцирующий нагрев

    ДД.4.1 Провоцирующему нагреву перед испытанием на МКК подвергают стабилизированные и низкоуглеродистые (C не более 0,03%) стали. С этой целью образец выдерживают 30 мин при температуре (700±10)°С с последующим быстрым охлаждением в воде.

    ДД.4.2 Продолжительность повышения температуры не должна превышать 10 мин.

    Другие режимы провоцирующего нагрева возможны лишь по договоренности с заказчиком.

    Сварные образцы не подвергают провоцирующему нагреву.

    ДД.5 Коррозионные испытания

    ДД.5.1 Сущность метода

    Исследуемый образец, подготовленный по ДД.4 и ДД.5.2, взвешивают, затем погружают в кипящий раствор азотной кислоты на 5 циклов продолжительностью 48 ч каждый. Критерием оценки результатов испытаний является потеря массы, определяемая взвешиванием после каждого цикла испытаний.

    ДД.5.2 Образцы для испытаний

    ДД.5.2.1 Образец для исследования, взятый от обработанного давлением металла, должен иметь больший размер в направлении прокатки. Из обработанного давлением проката и литья вырезку образца следует проводить как можно ближе к поверхности проката. Размеры образца определяют в зависимости от взвешивающего устройства и объема используемого раствора.

    Длина образца должна не менее чем в два раза превышать его ширину, а общая площадь поверхности сторон образца, перпендикулярных к направлению проката или волокнам образца, должна быть менее 15% общей площади поверхности образца. При сравнительных испытаниях отношение общей площади поверхности образца к общей площади поверхности частей образца должно быть постоянным.

    ДД.5.2.2 Обработка

    В зависимости от целей испытаний (ДД.3) образцы, подвергнутые или не подвергнутые провоцирующему нагреву, должны соответствовать требованиям ДД.5.2.2.1 и ДД.5.2.2.2.

    ДД.5.2.2.1 Механическая обработка

    Образцы для испытаний следует обработать механически по всей поверхности путем зачистки поверхности абразивом N 120 на бумаге или ткани, не содержащим железа.

    ДД.5.2.2.2 Химическая обработка

    Окалину удаляют без предварительной механической обработки, погружая образцы на 1 ч в раствор: 50 объемов соляной кислоты (=1,19 г/см), 5 объемов азотной кислоты (=1,40 г/см) и 50 объемов воды при температуре 50°С-60°С или в раствор: 50 объемов соляной кислоты и 50 объемов воды при температуре окружающей среды.

    При такой обработке необходимо быть заранее уверенными, что она не вызывает МКК.

    ДД.5.2.2.3 Обезжиривание

    Перед погружением в коррозионный раствор образцы должны быть очищены растворителем, не содержащим ионов хлора.

    ДД.6 Аппаратура

    ДД.6.1 Колба Эрленмеера вместимостью 1 дм, закрываемая либо погружным пальчиковым холодильником, либо четырехшариковым холодильником со шлифом, при использовании которого следует убедиться с помощью индикатора, что пары кислоты не выходят из аппарата в процессе испытания (рисунок ДД.1).

    Рисунок ДД.1
    1 - стеклянная пробка-холодильник; 2 - приспособление для предотвращения задержки конденсата; 3 - колба Эрленмеера

    Рисунок ДД.1

    Примечание - Скорость коррозии, полученная при использовании шарикового холодильника, несколько выше, чем при использовании холодильника пальчикового типа, вследствие большой потери пара.

    ДД.6.2 Держатели для образцов обычно изготавливают из стекла.

    При испытании нескольких образцов в одной и той же колбе держатели для образцов должны обеспечивать требование ДД.8.

    ДД.6.3 Нагревательное устройство должно обеспечивать непрерывное кипение раствора.

    ДД.7 Раствор для испытаний

    Раствором для испытаний должен быть (65±0,2)%-ный (по массе) водный раствор азотной кислоты (ρ20=1,40 г/см³).

    Применять следует продукт ч.д.а., содержащий суммарный твердый осадок ≤0,05 г/1000 г, а каждой из возможных добавок в количестве:
    свинец (Pb) ≤ 0,005 г/1000 г;
    железо (Fe) ≤ 0,014 г/1000 г;
    марганец (Mn) (отрицательная реакция);
    мышьяк (As) ≤ 0,001 г/1000 г;
    ион хлора (Cl-1) ≤ 0,003 г/1000 г;
    сульфат иона (SO4)-1 ≤ 0,05 г/1000 г;
    фосфат иона (PO4)-3 ≤ 0,01 г/1000 г;
    ион фтора (F-1) ≤0,05 г/1000 г.

    ДД.8 Проведение испытания

    Используемый объем кислоты для коррозионных испытаний (ДД.7) должен быть не менее 20 см³/см².

    Обычно только один образец помещают в колбу.

    Однако допускается загружать несколько образцов в одну колбу при условии, что все образцы одной марки стали изолированы друг от друга не менее чем на 0,5 см. Повышенная коррозия одного из образцов может повысить скорость коррозии остальных образцов, испытываемых вместе с ним.

    ДД.9 Обработка результатов

    Эффект воздействия раствора азотной кислоты определяют измерением потери массы каждого образца после каждого цикла и за все циклы испытаний.

    Скорость коррозии vk , г/м²·ч, или v`k , мм/год, определяют по формулам:

    Формула ДД1, (ДД.1)

    Формула ДД2, (ДД.2)

    где m - средняя потеря массы после каждого цикла или за все циклы испытаний, г;

    S - первоначальная поверхность образца для испытаний, см²;

    ρ - плотность исследуемого образца (8 г/см³ - для хромоникельмолибденовых сталей и 7,9 г/см³ - для хромоникелевых сталей), г/см³;

    t - действительное время кипения.

    ДД.10 Протокол испытаний

    Протокол испытаний должен содержать:

    • номер;
    • марки сталей;
    • режим термообработки;
    • используемые типы холодильников;
    • средние скорости коррозии;
    • ситуации, способные влиять на результаты.

    Приводят обычно средние результаты испытаний.

    Результаты испытаний, в зависимости от требования заказчика, представляют либо средней скоростью коррозии, либо скоростью коррозии в каждом из циклов.


    Приложение ДЕ
    (обязательное)
    Определение стойкости против межкристаллитной коррозии нержавеющих сталей. Ферритные, аустенитные и аустенито-ферритные (двухфазные) нержавеющие стали. Коррозионные испытания в средах, содержащих серную кислоту (ИСО 3651-2:1998)

    ДЕ.1 Область применения

    Настоящий стандарт устанавливает методы определения стойкости против межкристаллитной коррозии (МКК) ферритных, аустенитных и аустенито-ферритных (двухфазных) нержавеющих сталей, выпускаемых в виде литья, проката, поковок и труб, предназначенных для слабо окислительных сред (например, серной и фосфорной кислот).

    На стойкость против МКК проверяют либо низкоуглеродистые стали с содержанием углерода не более 0,03%, либо стабилизированные стали. Металл контролируют после провоцирующего нагрева или после сварки. Тонкий лист незначительной толщины при достаточно быстрой скорости охлаждения контролируют в состоянии поставки, не подвергая предварительному провоцирующему нагреву.

    ДЕ.2 Назначение испытаний

    В зависимости от химического состава контролируемого металла (приложение ДЖ) применяют один из методов контроля МКК с использованием растворов серной кислоты:

    • метод A - 16%-ная серная кислота и сульфат меди (метод Монипени-Штрауса);
    • метод B - 35%-ная серная кислота и сульфат меди;
    • метод C - 40%-ная серная кислота и сульфат железа (IV).

    ДЕ.3 Провоцирующий нагрев

    ДЕ.3.1 Для проверки стойкости против МКК необходимо провести провоцирующий нагрев стабилизированных сталей и сталей с низким содержанием углерода (не более 0,03%). Для этого образцы, предназначенные для испытания, выдерживают в течение 30 мин при температуре нагрева T1 (700±10)°С с последующим охлаждением в воде (режим T1) или в течение 10 мин при температуре T2 (650±10)°С с последующим охлаждением в воде (режим T2). Указанные выше провоцирующие режимы нагрева применяют к аустенитным и двухфазным аустенито-ферритным сталям.

    Тип провоцирующего нагрева определяют стандартом на металлопродукцию или регламентом (заказом). Если не указан режим провоцирующего нагрева, следует использовать режим T1.

    ДЕ.3.2 Сварку образцов для испытаний можно применять как альтернативу провоцирующему нагреву (по договоренности между заинтересованными сторонами).

    В этом случае образец после сварки не подвергают провоцирующему нагреву. Сварка как альтернатива провоцирующему нагреву применима ко всем сталям, указанным в приложении ДЕ.

    ДЕ.4 Коррозионные испытания

    ДЕ.4.1 Сущность метода

    Образцы для испытаний, подготовленные по ДЕ.4.3, погружают в один из растворов серной кислоты методов A, B, C (E.2) на указанное в ДЕ.6.1.2 время. Затем образцы подвергают изгибу. После изгиба выпуклую поверхность образца обследуют с целью выявления трещин. Наличие трещин свидетельствует о склонности к МКК.

    Трубы диаметром не более 60 мм (диаметр труб должен быть меньше отверстия сосуда с раствором для испытаний) вместо испытания на изгиб расплющивают.

    ДЕ.4.2 Образец для испытаний

    ДЕ.4.2.1 Образец для испытаний должен иметь общую площадь поверхности от 15 до 35 см². В случае если толщина листа более 6,0 мм, то толщина образца должна быть доведена до 6,0 мм, при этом одна из сторон, подвергнутых прокатке, должна быть подвержена шлифованию или полированию.

    Образцы для испытаний отбираются от металлопродукции, как указано в стандарте на продукцию. В случае возникновения разногласий плоские образцы, когда это возможно, должны быть использованы определенных размеров. Эти размеры должны быть выбраны в зависимости от конструкции оборудования (приспособления) для загиба:

    • толщина от 2,0 мм до 6,0 мм;
    • ширина не менее 10,0 мм;
    • длина - не менее 50,0 мм.

    Образцы указанных размеров подвергают изгибу.

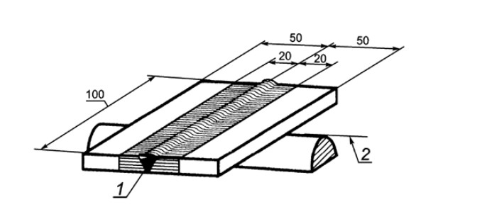
    ДЕ.4.2.2 Сварные образцы изготавливают следующим образом: из плоской пластины изготавливают два образца длиной по 100 мм, шириной по 50 мм и сваривают их между собой.

    Из пластины вырезают образцы, как указано на рисунке ДЕ.1.

    Для труб с круговым поперечным швом образцы вырезают в соответствии с рисунком ДЕ.2.

    Когда четыре образца сваривают между собой перекрестным швом, первый шов кладут в продольном направлении на исследуемый образец, как указано на рисунке ДЕ.3.

    При толщине материала более 6,0 мм образец для испытаний сострагивают до 6,0 мм с одной стороны. Нестроганная поверхность образца должна находиться на выпуклой стороне при его изгибе. Для сварных труб наружным диаметром свыше 60,0 мм образцы для испытаний изготавливают длиной 50 мм и шириной 20 мм, как указано на рисунке ДЕ.4.

    Образец для испытаний, сваренный встык
    где 1 - сварной шов; 2 - ось гиба

    Рисунок ДЕ.1 - Образец для испытаний, сваренный встык

    Образец для испытаний из трубы, сваренный встык
    где 1 - сварной шов

    Рисунок ДЕ.2 - Образец для испытаний из трубы, сваренный встык

    Образец для испытаний из пластины или полосы с перекрестным швом
    где 1 - сварной шов; 2 - ось гиба

    Рисунок ДЕ.3 - Образец для испытаний из пластины или полосы с перекрестным швом

    Образец для испытаний с продольной сваркой

    Рисунок ДЕ.4 - Образец для испытаний с продольной сваркой из сварной трубы

    ДЕ.4.3 Подготовка образцов для испытаний

    Образцы, как подвергнутые провоцирующему нагреву, так и без него, готовят в соответствии с ДЕ.4.3.1 и ДЕ.4.3.2. Метод подготовки поверхности должен быть указан в протоколе испытаний.

    ДЕ.4.3.1 Механическая подготовка

    Для удаления окалины образец обрабатывают механически в продольном направлении со всех сторон, острие края обрабатывают абразивом N 120. Во время механической обработки следует избегать перегрева образцов.

    ДЕ.4.3.2 Химическая подготовка

    Образец, поверхность которого не свободна от окислов и предварительно не подвергалась обработке для очистки от окалины, погружают полностью не более чем на 1 ч в раствор: 50 объемов соляной кислоты (=1,19 г/см), 5 объемов азотной кислоты (ρ20=1,40 г/см³), 50 объемов воды при температуре раствора от 50°С до 60°С или в раствор: 50 объемов соляной кислоты и 50 объемов воды при температуре окружающей среды.

    В случае химической подготовки поверхности образца необходимо быть уверенным, что МКК не появится в процессе обработки образца. Для этого после обработки проводят металлографическое исследование для каждой марки стали.

    ДЕ.4.3.3 Обезжиривание

    Образцы должны быть обезжирены любым подходящим и не содержащим хлора растворителем, очищены и высушены перед погружением в коррозионную среду.

    ДЕ.5 Аппаратура

    ДЕ.5.1 Колба Эрленмеера вместимостью 1000 см³ или другая аналогичная колба с холодильником, имеющим не менее чем четыре шарика.

    ДЕ.5.2 Держатель для образцов, обычно из стекла (для метода C).

    ДЕ.5.3 Нагревательное устройство, обеспечивающее кипение раствора.

    ДЕ.6 Методы испытаний

    ДЕ.6.1 Метод A: испытание в 16%-ной серной кислоте с сульфатом меди (метод Монипени-Штрауса)

    ДЕ.6.1.1 Раствор для коррозионных испытаний

    Для приготовления раствора следует использовать реактивы ч.д.а.

    Растворяют 100 г пятигидрата сульфата меди (II) (CuSO4·5H20) в 700 см³ дистиллированной воды. Затем в полученный раствор добавляют 184 г (100 см³) серной кислоты (ρ20=1,84 г/см³) и доводят объем раствора до 1000 см³ дистиллированной водой.

    ДЕ.6.1.2 В каждой колбе можно испытывать более одного образца при обеспечении объема раствора не менее 8 см раствора на каждый см суммарной поверхности образцов. Испытуемый образец должен быть полностью окружен кусочками электропроводной меди, находящейся на дне колбы. Количество меди должно быть не менее 50 г на 1 дм³ раствора. Испытуемые образцы должны находиться в контакте с медью, но не друг с другом.

    Испытуемый образец сначала погружают в холодный раствор для испытаний, затем раствор нагревают и начало кипения раствора считают началом испытаний. Раствор должен кипеть в течение (20±5) ч. В случае разногласий время испытаний должно быть 20 ч. Кусочки меди, после испытаний промытые горячей водой, можно использовать для следующих испытаний. Раствор используют только один раз.

    ДЕ.6.2 Метод В: испытание в 35%-ной серной кислоте с сульфатом меди

    ДЕ.6.2.1 Раствор для коррозионных испытаний готовят из реактивов ч.д.а.: 250 см³ серной кислоты (ρ20=1,84 г/см³) осторожно добавляют к 750 см³ дистиллированной воды. Растворяют 110 г пятиводного сульфата меди (II) в теплом растворе.

    ДЕ.6.2.2 В одной колбе можно испытывать более одного образца при условии, что количество раствора не менее чем 10 см³ на каждый см² суммарной поверхности испытуемых образцов. Испытуемый образец должен быть со всех сторон окружен медными опилками или стружкой. Количество медных опилок должно быть не менее 50 г/1000 см³ раствора. Испытуемые образцы должны находиться в контакте с медными опилками, но не должны касаться друг друга. Испытуемые образцы сначала помещают в холодный раствор для испытаний, затем раствор нагревают и начало кипения раствора считают началом испытаний. Раствор должен кипеть в течение (20±5) ч. В случае разногласий время испытаний должно быть 20 ч.

    ДЕ.6.3 Метод С: испытание в 40%-ной серной кислоте с сульфатом железа (III)

    ДЕ.6.3.1 Раствор для коррозионных испытаний

    Раствор для испытаний готовят из реактивов ч.д.а.: 280 см³ серной кислоты (ρ20=1,84 г/см³) осторожно добавляют к 720 см³ дистиллированной воды. Растворяют 25 г сульфата железа (III) [Fe2(SO4)3], содержащего примерно 75% сульфата железа в теплом растворе.

    Примечание - Скорость коррозии увеличивается, если полностью используют сульфат железа.

    ДЕ.6.3.2 Проведение испытаний

    В одной колбе можно испытывать более одного образца при условии, что количество раствора, приходящегося на всю поверхность испытуемого образца, - не менее 10 см³ на каждый см² суммарной поверхности испытуемых образцов. Образцы помещают в холодный раствор, затем раствор нагревают до кипения и начало кипения считают началом испытаний. Раствор должен кипеть (20±5) ч. В случае разногласий продолжительность испытаний должна быть 20 ч. Раствор можно использовать один раз.

    ДЕ.6.3.3 Испытания на изгиб

    Цилиндрические и плоские образцы после коррозионных испытаний подвергают испытанию на изгиб (угол изгиба 90°) на оправке, радиус которой равен толщине образца. Образцы литых изделий испытывают на оправке, радиус которой в два раза превышает толщину образца для испытаний.

    Трубы наружным диаметром до 60 мм исследуют после сплющивания. Расстояние между сжимающими плоскостями , мм, после нагрузки вычисляют по формуле

    Формула ДЕ.1, (ДЕ.1)

    где D - наружный диаметр трубы, мм;

    t - толщина стенки трубы, мм.

    Сварные трубы с продольным швом имеют максимальное напряжение при изгибе поперек шва (рисунок ДЕ.2).

    ДЕ.7 Оценка

    Выпуклую поверхность изогнутого образца, прошедшего испытания, осматривают невооруженным глазом или при небольшом увеличении (не более 10 крат).

    В случае получения сомнительных результатов испытаний на изгиб (угол изгиба 90°) подвергают изгибу второй образец, подготовленный по вышеуказанной методике, но не подвергнутый коррозионному испытанию.

    Сравнительный анализ обоих образцов позволяет определить, являются ли трещины результатом МКК.

    Примечание - При сомнениях в оценке результатов испытаний образцы после испытаний следует подвергнуть металлографическому исследованию в соответствии с 5.5.2.

    ДЕ.8 Протокол испытаний

    Протокол испытаний должен содержать:

    • используемый метод со ссылкой на настоящий стандарт;
    • марки сталей;
    • метод подготовки образцов (механический или химический);
    • сортамент образцов для испытаний;
    • применяемую термообработку;
    • результаты испытаний;
    • случайности, которые могут влиять на результаты испытаний.


    Приложение ДЖ
    (справочное)
    Перечень сталей, подлежащих контролю указанными методами

    Применение метода зависит от свойств и агрессивности среды. Следующие примеры даны для информации. Только один метод может быть использован для каждой марки стали.

    Метод A:

    • аустенитные стали, содержащие более 16% Cr и до 3% Mo;
    • ферритные стали, содержащие 16%-20% Cr и 0%-1% Mo;
    • двухфазные стали, содержащие более 16% Cr и до 3% Mo.

    Метод B:

    • аустенитные стали, содержащие более 20% Cr и 2%-4% Mo;
    • двухфазные стали, содержащие более 20% Cr и более 2% Mo.

    Метод C:

    • аустенитные стали, содержащие более 17% Cr и более 3% Mo;
    • аустенитные стали, содержащие более 25% Cr и более 2% Mo;
    • ферритные стали, содержащие более 25% Cr и более 2% Mo;
    • двухфазные стали, содержащие более 20% Cr и 3% и более Mo.


    Приложение ДИ
    (справочное)
    Сравнение метода испытаний настоящего стандарта с международными стандартами

    Таблица ДИ.1

    Национальный стандартПровоцирующий нагревПродолжи­тельность испытанийУгол загибаРадиус закругления оправкиУвеличение при осмотре
    EN ISO 3651-2700°С, 30 мин20 ч>90°≤tApprox. 10*
    ASTM A262:2014650-675°С, 60 мин24 ч180°t5-20*
    JIS G0575:1999650°С, 120 мин16 ч180°Approx. t5-15*


    Приложение ДК
    (справочное)
    Сведения о соответствии ссылочных межгосударственных стандартов международным стандартам, использованным в качестве ссылочных в примененных международных стандартах

    Обозначение ссылочного межгосударственного стандартаСтепень соответствия Обозначение и наименование ссылочного международного стандарта
    ГОСТ 6996-66 (ISO 4136-89, ISO 5173-81, ISO 5177-81)IDT

    ISO 4136-89 "Соединения стыковые стальные, выполненные сваркой плавлением. Испытания на растяжение образцов, вырезанных поперек шва";

    ISO 5173-81 "Соединения стыковые стальные, выполненные сваркой плавлением. Испытания на изгиб корнем шва или его лицевой поверхностью наружу образцов, вырезанных поперек шва";

    ISO 5177-81 "Соединения стыковые стальные, выполненные сваркой плавлением. Испытание на боковой изгиб образцов, вырезанных поперек шва"

    ГОСТ 14019-2003 (ISO 7438:1985)IDTISO 7438:1985 "Материалы металлические. Испытания на изгиб"
    Примечание - В настоящей таблице использовано следующее условное обозначение степени соответствия стандартов:

    - IDT - идентичные стандарты.