ГОСТ 8691-2018. Изделия огнеупорные общего назначения. Форма и размеры
Дата введения — 2019—02—01
Предисловие
Цели, основные принципы и основной порядок проведения работ по межгосударственной стандартизации установлены в ГОСТ 1.0—2015 «Межгосударственная система стандартизации. Основные положения» и ГОСТ 1.2—2015 «Межгосударственная система стандартизации. Стандарты межгосударственные, правила и рекомендации по межгосударственной стандартизации. Правила разработки, принятия. обновления и отмены»
Сведения о стандарте
1. РАЗРАБОТАН Обществом с ограниченной ответственностью «Научно-технический центр «Огнеупоры» (ООО «НТЦ «Огнеупоры»)
2. ВНЕСЕН Федеральным агентством по техническому регулированию и метрологии
3. ПРИНЯТ Межгосударственным советом по стандартизации, метрологии и сертификации (протокол от 27 июня 2018 г. № 53)
За принятие проголосовали:
| Краткое наименование страны по МК (ИСО 3166) 004—97 | Код страны по МК(ИСО 3166) 004—97 | Сокращенное наименование национального органа по стандартизации |
|---|---|---|
| Армения | AM | Минэкономики Республики Армения |
| Беларусь | BY | Госстандарт РеспубликиБеларусь |
| Казахстан | KZ | Госстандарт РеспубликиКазахстан |
| Киргизия | KG | Кыргызстандарт |
| Россия | RU | Росстандарт |
| Узбекистан | UZ | Узстандарт |
4. Приказом Федерального агентства по техническому регулированию и метрологии от 18 сентября 2018 г. № 611-ст межгосударственный стандарт ГОСТ 8691—2018 введен в действие в качестве национального стандарта Российской Федерации с 1 февраля 2019 г.
5. Настоящий стандарт подготовлен на основе применения ПОСТ Р 51262.1—99, ГОСТ Р 51262.2—99, ГОСТ Р 51262.3—99, ГОСТ Р 51262.4—99[I]
6. ВЗАМЕН ГОСТ 8691—73 (ИСО 5019-1—84, ИСО 5019-2—84, ИСО 5019-5—84)
Информация об изменениях к настоящему стандарту публикуется в ежегодном информационном указателе «Национальные стандарты», а текст изменений и поправок — в ежемесячном информационном указателе «Национальные стандарты». В случае пересмотра (замены) или отмены настоящего стандарта соответствующее уведомление будет опубликовано в ежемесячном информационном указателе «Национальные стандарты». Соответствующая информация, уведомление и тексты размещаются также в информационной системе общего пользования — на официальном сайте Федерального агентства по техническому регулированию и метрологии в сети Интернет (www.gost.ru)
Содержание
- 1. Область применения
- 2. Нормативные ссылки
- 3. Термины и определения
- 4. Форма и размеры
- Приложение А (справочное) Рекомендуемые размеры отверстий для штырей и углублений для подвески
- Приложение Б (справочное) Таблицы соответствия изделий по настоящему стандарту и стандарту
1. Область применения
Настоящий стандарт устанавливает форму и размеры огнеупорных изделий общего назначения (далее — изделий), применяемых для футеровки различных тепловых агрегатов.
2. Нормативные ссылки
В настоящем стандарте использована нормативная ссылка на следующий межгосударственный стандарт:
ГОСТ 2.321—84 Единая система конструкторской документации. Обозначения буквенные
Примечание — При пользовании настоящим стандартом целесообразно проверить действие ссылочных стандартов в информационной системе общего пользования — на официальном сайте Федерального агентства по техническому регулированию и метрологии в сети Интернет или по ежегодному информационному указателю «Национальные стандарты», который опубликован по состоянию на 1 января текущего года, и по выпускам ежемесячного информационного указателя «Национальные стандарты» за текущий год. Если ссылочный стандарт заменен (изменен), то при пользовании настоящим стандартом следует руководствоваться заменяющим (измененным) документом Если ссылочный стандарт отменен без замены, то положение, в котором дана ссылка на него, применяется в части, не затрагивающей эту ссылку.
3. Термины и определения
В настоящем стандарте применены следующие термины с соответствующими определениями:
3.1. прямоугольное изделие: Изделие, имеющее форму прямоугольного параллелепипеда.
3.1.1. прямоугольный кирпич: Изделие с прямоугольными гранями длиной не более 375 мм.
3.1.1.1. нормальный кирпич: Прямоугольный кирпич размерами 230x114x64 мм или 230х114x76 мм.
3.1.1.2. двойной кирпич: Прямоугольный кирпич размерами 230х230х64 мм или 230x230x76 мм.
3.1.1.3. трехчетвертной кирпич: Прямоугольный кирпич, длина которого составляет три четверти длины прямоугольного кирпича.
3.1.1.4. полуторный кирпич: Прямоугольный кирпич, ширина которого составляет полторы ширины прямоугольного кирпича.
3.1.2. лещадка: Изделие с прямоугольными гранями, толщина которого составляет половину толщины нормального кирпича.
3.1.3. плита: Изделие с прямоугольными гранями длиной, превышающей длину прямоугольного кирпича.
3.1.4. плитка: Изделие с прямоугольными гранями, с основанием квадратной формы, толщиной меньше толщины нормального кирпича.
3.1.5. брус: Изделие с прямоугольными гранями, ширина и толщина которого несоразмерно малы по сравнению с его длиной.
3.1.5.1. брусок: Разновидность бруса длиной, не превышающей длину прямоугольного кирпича.
3.2. клиновое изделие (клин): Изделие с шестью гранями, из которых две противолежащие имеют форму трапеции, остальные — прямоугольника.
3.2.1. ребровый клин: Клиновое изделие, у которого наименьшие грани имеют форму трапеции.
3.2.2. торцовый клин: Клиновое изделие, у которого боковые грани имеют форму трапеции.
3.2.2.1. полуторный торцовый клин: Торцовый клин, у которого ширина составляет полторы ширины нормального изделия.
3.2.3. трапецеидальный клин: Клиновое изделие, у которого наибольшие грани имеют форму трапеции.
3.3. пятовый кирпич: Изделие, одна грань которого наклонена по отношению к горизонтальной плоскости и служит опорой для арочного свода.
3.4. фасонное изделие: Изделие с числом граней больше шести, конфигурация которого содержит один или несколько элементов сложности, например: пазы, шпунты, углубления, сквозные отверстия постоянного или переменного сечения, непрямые двухгранные и плоские углы, криволинейные поверхности.
3.4.1. сводовое фасонное изделие: Фасонное изделие для формирования свода печи.
3.4.2. насадочное фасонное изделие: Фасонное изделие для формирования насадки теплообменных устройств регенеративного типа.
3.4.3. опорное фасонное изделие: Фасонное изделие, на которое опирается другое огнеупорное изделие.
3.4.4. горелочное фасонное изделие: Фасонное изделие с отверстиями для газовой горелки.
3.4.5. секторное фасонное изделие: Фасонное изделие, имеющее форму сектора.
3.4.6. бортовое фасонное изделие: Фасонное изделие для кладки боковых стен печи.
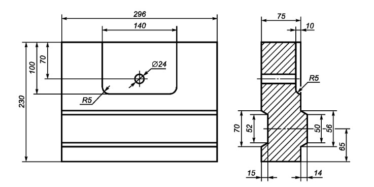
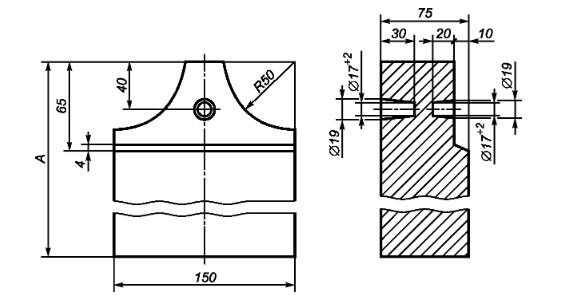
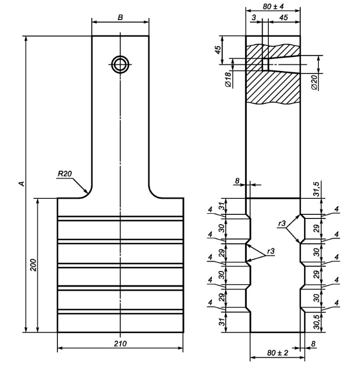
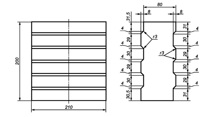
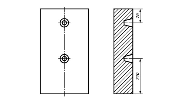
4. Форма и размеры
Форма и размеры изделий должны соответствовать требованиям, указанным на рисунках 1—44 и приведенным в таблицах 1—43.
Примечание — Обозначения размеров приведены в соответствии с ГОСТ 2.321 и сборочными чертежами.
Допускается по согласованию сторон изготовлять изделия с отверстиями для штырей и углублениями для усиленной металлической подвески. Рекомендуемые размеры, определяющие расположение отверстий для штырей и углублений для подвески, приведены в приложении А.
4.1. Основные размеры огнеупорных изделий
4.1.1. Прямоугольные изделия
Таблица 1 — Размеры прямоугольных изделий. (Размеры в миллиметрах)
| Обозначение изделия | L | Н | S | Расчетный объем, см3 |
Брусок | ||||
| 1 | 230 | 65 | 65 | 972 |
| 2 | 230 | 85 | 65 | 1271 |
Прямоугольный кирпич | ||||
| 3 | 230 | 114 | 100 | 2622 |
| 4 | 230 | 114 | 75 | 1967 |
| 5 | 230 | 114 | 65 | 1704 |
| 6 | 230 | 114 | 40 | 1049 |
| 6а | 230 | 150 | 65 | 2242 |
| 7 | 250 | 124 | 75 | 2325 |
| 8 | 250 | 124 | 65 | 2015 |
| 9 | 300 | 150 | 65 | 2925 |
| 10 | 345 | 150 | 75 | 3881 |
Полуторный кирпич | ||||
| 11 | 230 | 172 | 75 | 2967 |
| 12 | 230 | 172 | 65 | 2571 |
| 13 | 250 | 187 | 75 | 3506 |
| 14 | 250 | 187 | 65 | 3039 |
| 15 | 300 | 225 | 65 | 4388 |
Трехчетвертной кирпич | ||||
| 16 | 172 | 114 | 75 | 1471 |
| 17 | 172 | 114 | 65 | 1274 |
| 18 | 187 | 124 | 75 | 1739 |
| 19 | 187 | 124 | 65 | 1507 |
Плита | ||||
| 94 | 460 | 230 | 75 | 7935 |
| 95 | 575 | 170 | 80 | 7820 |
| 96 | 600 | 230 | 90 | 12420 |
Брус | ||||
| 97 | 460 | 133 | 114 | 6975 |
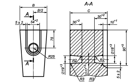
4.1.2. Клиновые изделия
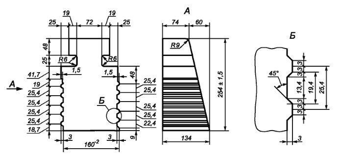
Рисунок 2 — Торцовые клины


| Обозначение изделия | L | Н | S | S1 | Расчетный объем, см3 |
|---|---|---|---|---|---|
| 20 | 230 | 114 | 75 | 65 | 1835 |
| 21 | 230 | 114 | 75 | 55 | 1704 |
| 22 | 230 | 114 | 65 | 55 | 1573 |
| 23 | 230 | 114 | 65 | 45 | 1442 |
| 23а | 230 | 150 | 75 | 45 | 2070 |
| 24 | 250 | 124 | 75 | 65 | 2170 |
| 25 | 250 | 124 | 65 | 55 | 1860 |
| 26 | 250 | 124 | 65 | 45 | 1705 |
| 27 | 172 | 114 | 65 | 55 | 1176 |
| 28 | 172 | 114 | 65 | 45 | 1078 |
| 29 | 300 | 150 | 65 | 55 | 2700 |
| 30 | 300 | 150 | 65 | 45 | 2475 |
| 31 | 345 | 150 | 75 | 65 | 3622 |
| 32 | 345 | 150 | 75 | 55 | 3364 |
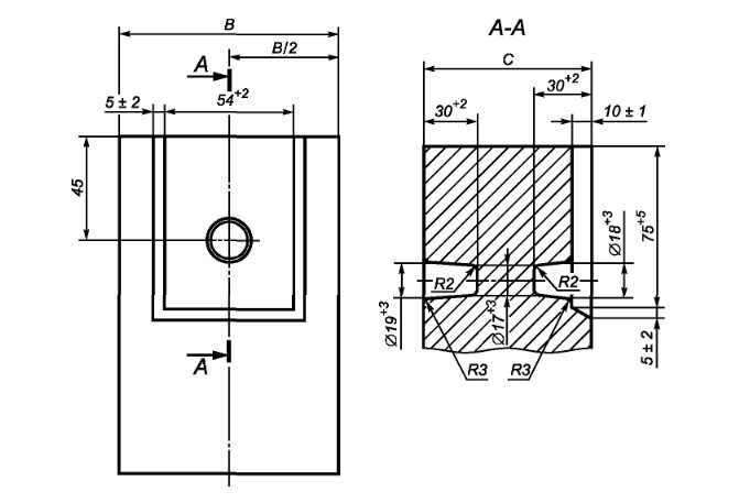
Рисунок 3 — Полуторные торцовые клины


Таблица 3 — Односторонний и двухсторонний полуторные торцовые клины (Размеры в миллиметрах)
| Обозначение изделия | L | Н | S | S1 | Расчетный объем, см3 |
|---|---|---|---|---|---|
| 33 | 230 | 172 | 75 | 65 | 2769 |
| 34 | 230 | 172 | 75 | 55 | 2571 |
| 35 | 230 | 172 | 65 | 55 | 2374 |
| 36 | 230 | 172 | 65 | 45 | 2176 |
| 37 | 250 | 187 | 75 | 65 | 3272 |
| 38 | 250 | 187 | 65 | 55 | 2805 |
| 39 | 250 | 187 | 65 | 45 | 2571 |
| 40 | 300 | 225 | 65 | 55 | 4050 |
| 41 | 300 | 225 | 65 | 45 | 3712 |
Рисунок 4 — Ребровые клины


Таблица 4 — Односторонний и двухсторонний ребровые клины (размеры в миллиметрах)
| Обозначение изделия | L | Н | S | S1 | Расчетный объем, см3 |
|---|---|---|---|---|---|
| 42 | 230 | 114 | 75 | 65 | 1835 |
| 43 | 230 | 114 | 75 | 55 | 1704 |
| 44 | 230 | 114 | 65 | 55 | 1573 |
| 45 | 230 | 114 | 65 | 45 | 1442 |
| 45а | 230 | 150 | 65 | 55 | 2070 |
| 456 | 230 | 150 | 65 | 45 | 1898 |
| 46 | 250 | 124 | 75 | 65 | 2170 |
| 47 | 250 | 124 | 65 | 55 | 1860 |
| 48 | 250 | 124 | 65 | 45 | 1705 |
Рисунок 5 — Трапецеидальные клины


Таблица 5 — Односторонний и двухсторонний трапецеидальные клины
| Обозначение изделия | L | Н | S | S1 | Расчетный объем, см3 |
|---|---|---|---|---|---|
| 49 | 230 | 65 | 114 | 96 | 1570 |
| 50 | 230 | 65 | 114 | 76 | 1420 |
| 51 | 230 | 65 | 114 | 56 | 1271 |
| 52 | 345 | 75 | 150 | 125 | 3557 |
| 53 | 345 | 75 | 150 | 90 | 3105 |
| 54 | 345 | 75 | 150 | 80 | 2976 |

Таблица 6 — Двухсторонний поперечный трапецеидальный клин (размеры в миллиметрах)
| Обозначение изделия | S | S1 | L | Н | Расчетный объем, см3 |
|---|---|---|---|---|---|
| 55 | 230 | 180 | 114 | 65 | 1519 |
| 56 | 230 | 190 | 114 | 65 | 1556 |
| 57 | 230 | 200 | 114 | 65 | 1593 |
| 58 | 230 | 210 | 114 | 65 | 1630 |
| 59 | 230 | 220 | 114 | 65 | 1667 |
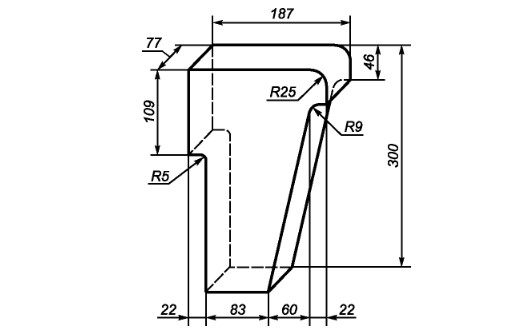
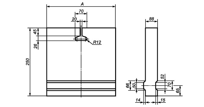
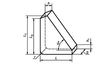
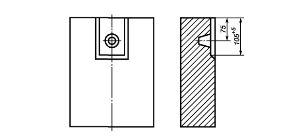
4.1.3 Пятовый кирпич

* Размер для справок.
Таблица 7 - Пятовый кирпич (размеры в миллиметрах)
| Обозначение изделия | L | L1 | L2 | S | h | h1 | α | Расчетный объем, см3 |
|---|---|---|---|---|---|---|---|---|
| 60 | 114 | 133 | 114 | 114 | 57 | 34 | 60° | 1407 |
| 61 | 114 | 133 | 114 | 114 | 33 | 52 | 45° | 1355 |
| 62 | 124 | 133 | 124 | 124 | 62 | 26 | 60° | 1634 |
| 63 | 124 | 133 | 124 | 124 | 36 | 45 | 45° | 1565 |
| 64 | 230 | 201 | 172 | 114 | 144 | 52 | 60° | 4540 |
| 65 | 230 | 201 | 172 | 114 | 109 | 80 | 45° | 4436 |
| 66 | 230 | 201 | 230 | 114 | 68 | 39 | 45° | 3774 |
| 67 | 230 | 236 | 230 | 114 | 115 | 37 | 60° | 4884 |
| 68 | 230 | 269 | 230 | 114 | 115 | 70 | 60° | 5749 |
| 69 | 230 | 269 | 250 | 124 | 105 | 53 | 60° | 5998 |
| 70 | 230 | 269 | 300 | 75 | 80 | 9 | 60° | 3178 |
| 71 | 275 | 269 | 300 | 75 | 63 | 57 | 45° | 3813 |
| 72 | 345 | 269 | 300 | 75 | 133 | 57 | 45° | 5275 |
| 73 | 230 | 337 | 345 | 75 | 57 | 38 | 60° | 3874 |

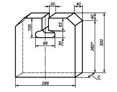
Таблица 8 — Оконный пятовый кирпич (Размеры в миллиметрах)
| Обозначение изделия | L | L1 | S | h | h1 | Расчетный объем, см3 |
|---|---|---|---|---|---|---|
| 74 | 230 | 230 | 65 | 30 | 115 | 2691 |
| 75 | 172 | 345 | 65 | 145 | 56 | 3103 |
4.1.4. Фасонные изделия
4.1.4.1. Сводовые фасонные изделия

Таблица 9 — Сводовые фасонные изделия 76—78 (размеры в миллиметрах)
| Обозначение изделия | а | е | В | Расчетный объем, см3 |
|---|---|---|---|---|
| 76 | 0 | 25 | 135 | 2485 |
| 77 | 25 | 0 | 135 | 2485 |
| 78 | 25 | 25 | 160 | 2680 |
| Примечание — Рекомендуемое предельное отклонение размера В - минус 2 мм. | ||||



Таблица 10 — Сводовые фасонные изделия 79—81
| Обозначение изделия | Расчетный объем, см3 |
|---|---|
| 79 | 2824 |
| 80 | 3240 |
| 81 | 3011 |

<*> Размер для справок.
Таблица 11 — Сводовые фасонные изделия 82, 83
| Обозначение изделия | C,mm | Расчетный объем, см3 |
|---|---|---|
| 82 | 100 | 8060 |
| 83 | 75 | 6045 |
| Примечание - Допускается изготовлять изделия с длиной скоса 75 мм вместо 40 мм. | ||

Таблица 12 — Сводовые фасонные изделия 84, 85
| Обозначение изделия | A,mm | Расчетный объем, см3 |
|---|---|---|
| 84 | 230 | 4814 |
| 85 | 322 | 6829 |

* Размер для справок.

Таблица 13 — Сводовые фасонные изделия 86, 87
| Обозначение изделия | Расчетный объем, см3 |
|---|---|
| 86 | 4007 |
| 87 | 4159 |

Таблица 14 — Сводовые фасонные изделия 88-90 (размеры в миллиметрах)
| Обозначение изделия | a | e | B | k | Расчетный объем, см3 |
|---|---|---|---|---|---|
| 88 | 65 | 45 | 230 | 300 | 6576 |
| 89 | 45 | 65 | 230 | 300 | 6576 |
| 90 | 65 | 65 | 250 | 320 | 6946 |



Таблица 15 — Сводовые фасонные изделия 91, 110, 111
| Обозначение изделия | Расчетный объем, см3 |
|---|---|
| 91 | 4048 |
| 110 | 3810 |
| 111 | 4524 |

Таблица 16 — Сводовые фасонные изделия 112,113
| Обозначение изделия | А. мм | Расчетный объем, см3 |
|---|---|---|
| 112 | 230 | 2240 |
| 113 | 380 | 3930 |

Таблица 17 — Сводовое фасонное изделие 114
| Обозначение изделия | Расчетный объем, см3 |
|---|---|
| 114 | 3670 |

Таблица 18 — Сводовые фасонные изделия 115 - 117 (размеры в миллиметрах)
| Обозначение изделия | А | B | Расчетный объем, см3 |
|---|---|---|---|
| 115 | 420 | 164 | 6246 |
| 116 | 420 | 120 | 5472 |
| 117 | 480 | 120 | 6048 |

Таблица 19 — Сводовое фасонное изделие 118
| Обозначение изделия | Расчетный объем, см3 |
|---|---|
| 118 | 3360 |
4.1.4.2 Насадочные фасонные изделия

Таблица 20 — Насадочные фасонные изделия 119 - 129 (размеры в миллиметрах)
| Обозначение изделия | А | А1 | B | C | e | k | Расчетный объем, см3 |
|---|---|---|---|---|---|---|---|
| 119 | 230 | 150 | 114 | 50 | 40 | 25 | 1499 |
| 120 | 230 | 150 | 114 | 65 | 40 | 25 | 1948 |
| 121 | 230 | 150 | 114 | 75 | 40 | 25 | 2248 |
| 122 | 230 | 100 | 150 | 75 | 65 | 25 | 2775 |
| 123 | 260 | 180 | 114 | 75 | 40 | 73 | 2763 |
| 124 | 270 | 196 | 114 | 75 | 37 | 30 | 2750 |
| 125 | 270 | 196 | 120 | 75 | 37 | 30 | 2871 |
| 126 | 300 | 140 | 150 | 75 | 80 | 25 | 3638 |
| 127 | 300 | 220 | 114 | 75 | 40 | 56 | 3489 |
| 128 | 330 | 250 | 114 | 75 | 40 | 56 | 3872 |
| 129 | 350 | 230 | 114 | 75 | 60 | 56 | 3959 |

Таблица 21 — Насадочные фасонные изделия 130 - 135 (размеры в миллиметрах)
| Обозначение изделия | А | e | C | Расчетный объем, см3 |
|---|---|---|---|---|
| 130 | 326 | 400 | 75 | 10490 |
| 131 | 326 | 400 | 90 | 12580 |
| 132 | 326 | 400 | 114 | 15940 |
| 133 | 385 | 456 | 75 | 12224 |
| 134 | 385 | 459 | 90 | 14610 |
| 135 | 385 | 459 | 114 | 17581 |

Таблица 22 — Насадочные фасонные изделия 136 - 141 (размеры в миллиметрах)
| Обозначение изделия | А | A1 | C | Расчетный объем, см3 |
|---|---|---|---|---|
| 136 | 284 | 138 | 75 | 4352 |
| 137 | 284 | 138 | 90 | 5222 |
| 138 | 284 | 138 | 114 | 6615 |
| 139 | 520 | 374 | 75 | 9219 |
| 140 | 520 | 374 | 90 | 11063 |
| 141 | 520 | 374 | 114 | 14013 |
4.1.4.3 Секторные фасонные изделия

Таблица 23 — Секторные фасонные изделия 103 - 109 (размеры в миллиметрах)
| Обозначение изделия | a | r | R | Расчетный объем, см3 |
|---|---|---|---|---|
| 103 | 175 | 200 | 275 | 1040 |
| 104 | 188 | 275 | 350 | 1065 |
| 105 | 196 | 350 | 425 | 1080 |
| 106 | 202 | 425 | 500 | 1090 |
| 107 | 208 | 500 | 575 | 1100 |
| 108 | 214 | 650 | 725 | 1110 |
| 109 | 218 | 910 | 985 | 1105 |


Таблица 24 — Секторные фасонные изделия 142, 143
| Обозначение изделия | Расчетный объем, см3 |
|---|---|
| 142 | 19806 |
| 143 | 21925 |

Таблица 25 — Секторные фасонные изделия 144, 145 (размеры в миллиметрах)
| Обозначение изделия | b | h1 | h | R1 | Расчетный объем, см3 |
|---|---|---|---|---|---|
| 144 | 111 | 70 | 69 | 111 | 454 |
| 145 | 152 | 50 | 50 | 152 | 514 |

Таблица 26 — Секторные фасонные изделия 146, 147 (размеры в миллиметрах)
| Обозначение изделия | b | h1 | h | R1 | Расчетный объем, см3 |
|---|---|---|---|---|---|
| 146 | 111 | 70 | 69 | 111 | 454 |
| 147 | 152 | 50 | 50 | 152 | 514 |

Таблица 27 — Секторные фасонные изделия 148-150 (размеры в миллиметрах)
| Обозначение изделия | A | A1 | B | C | R | Расчетный объем, см3 |
|---|---|---|---|---|---|---|
| 148 | 135 | 107 | 60 | 28 | 107 | 21 |
| 149 | 145 | 125 | 50 | 30 | 160 | 27 |
| 150 | 145 | 125 | 80 | 30 | 160 | 33 |

Таблица 28 — Секторные фасонные изделия 151-162 (размеры в миллиметрах)
| Обозначение изделия | A | A1 | C | R | R1 | R2 | Расчетный объем, см3 |
|---|---|---|---|---|---|---|---|
| 151 | 122 | 60 | 35 | 35 | 9 | 10 | 231 |
| 152 | 146 | 85 | 35 | 50 | 9 | 10 | 296 |
| 153 | 162 | 102 | 35 | 60 | 7 | 8 | 340 |
| 154 | 179 | 119 | 35 | 70 | 7 | 8 | 400 |
| 155 | 197 | 136 | 35 | 80 | 7 | 8 | 427 |
| 156 | 214 | 154 | 35 | 90 | 7 | 8 | 473 |
| 157 | 162 | 116 | 27 | 68 | 5 | 6 | 276 |
| 158 | 179 | 133 | 27 | 78 | 5 | 6 | 308 |
| 159 | 197 | 150 | 27 | 88 | 5 | 6 | 342 |
| 160 | 214 | 161 | 27 | 98 | 5 | 6 | 375 |
| 161 | 119 | 72 | 27 | 43 | 5 | 6 | 192 |
| 162 | 145 | 98 | 27 | 58 | 5 | 6 | 242 |
4.1.4.4. Прочие фасонные изделия

Таблица 29 — Бортовые фасонные изделия 92, 93
| Обозначение изделия | C, mm | Расчетный объем, см3 |
|---|---|---|
| 92 | 230 | 12238 |
| 93 | 114 | 6069 |

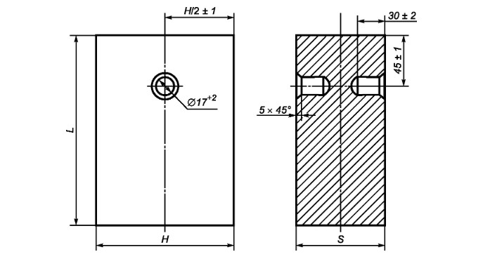
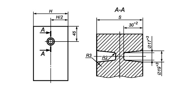
Таблица 30 — Горелочные фасонные изделия 98 - 102 (размеры в миллиметрах)
| Обозначение изделия | A | C | B | D | d | d1 | Расчетный объем, см3 |
|---|---|---|---|---|---|---|---|
| 98-1 98-2 | 230 | 100 | 80 | 150 | 50 | 35 | 4385 |
| 99-1 99-2 | 340 | 167 | 120 | 190 | 75 | 45 | 11531 |
| 100-1 100-2 | 340 | 167 | 120 | 210 | 100 | 45 | 10976 |
| 101-1 101-2 | 340 | 167 | 130 | 240 | 125 | 40 | 10166 |
| 102-1 102-2 | 340 | 167 | 130 | 260 | 150 | 40 | 9405 |

Таблица 31 — Опорные фасонные изделия 163 - 165 (размеры в миллиметрах)
| Обозначение изделия | A | Расчетный объем, см3 |
|---|---|---|
| 163 | 380 | 5075 |
| 164 | 460 | 6165 |
| 165 | 520 | 6965 |



Таблица 32 — Фасонные изделия 166 - 168
| Обозначение изделия | Расчетный объем, см3 |
|---|---|
| 166 | 11443 |
| 167 | 3958 |
| 168 | 3094 |

Таблица 33 — Фасонные изделия 169, 170 (размеры в миллиметрах)
| Обозначение изделия | L | h | Расчетный объем, см3 |
|---|---|---|---|
| 169 | 600 | 350 | 34125 |
| 170 | 480 | 280 | 27300 |

Таблица 34 — Фасонные изделия 171 - 177 (подставка)
| Обозначение изделия | D, mm | Расчетный объем, см3 |
|---|---|---|
| 171 | 50 | 39 |
| 172 | 60 | 57 |
| 173 | 80 | 100 |
| 174 | 90 | 127 |
| 175 | 110 | 172 |
| 176 | 120 | 226 |
| 177 | 140 | 294 |
| Таблица 33 — Фасонные изделия 169,170 |
4.2. Дополнительные размеры огнеупорных изделий (для комплектных поставок)
4.2.1 Прямоугольные изделия
Таблица 35 — Прямоугольные изделия (см. рисунок 1)
| Обозначение изделия | L | H | S | Расчетный объем, см3 |
|---|---|---|---|---|
| Прямоугольный кирпич | ||||
| 1-1* | 230 | 150 | 50 | 1725 |
| 2-1* | 300 | 150 | 50 | 2250 |
| 3-1* | 350 | 150 | 50 | 2625 |
| 4-1 | 370 | 150 | 50 | 2775 |
| 5-1 | 172 | 114 | 64 | 1255 |
| 6-1 | 187 | 124 | 64 | 1484 |
| 7-1* | 230 | 114 | 64 | 1678 |
| 8-1 | 230 | 150 | 64 | 2208 |
| 9-1’ | 230 | 172 | 64 | 2532 |
| 10-1 | 230 | 230 | 64 | 3386 |
| 11-1 | 250 | 124 | 64 | 1984 |
| 12-1 | 250 | 187 | 64 | 2992 |
| 13-1* | 300 | 150 | 64 | 2880 |
| 14-1 | 300 | 225 | 64 | 4320 |
| 15-1 | 345 | 114 | 64 | 2517 |
| 16-1 | 345 | 150 | 64 | 3312 |
| 17-1* | 360 | 150 | 64 | 3456 |
| 18-1* | 370 | 150 | 64 | 3552 |
| 19-1 | 172 | 114 | 76 | 1490 |
| 20-1 | 187 | 124 | 76 | 1762 |
| 21-1 | 214 | 114 | 76 | 1854 |
| 22-1 | 230 | 114 | 76 | 1993 |
| 23-1 | 230 | 150 | 76 | 2622 |
| 24-1 | 230 | 172 | 76 | 3006 |
| 25-1 | 230 | 230 | 76 | 4020 |
| 26-1 | 250 | 124 | 76 | 2356 |
| 27-1 | 250 | 187 | 76 | 3553 |
| 28-1 | 280 | 187 | 76 | 3979 |
| 29-1 | 280 | 228 | 76 | 4852 |
| 30-1* | 300 | 150 | 76 | 3420 |
| 31-1 | 345 | 114 | 76 | 2989 |
| 32-1 | 345 | 150 | 76 | 3933 |
| 33-1’ | 350 | 150 | 76 | 3990 |
| 34-1" | 370 | 150 | 76 | 4218 |
| 35-1 | 230 | 150 | 150 | 5175 |
| 36-1 | 345 | 150 | 150 | 7763 |
| 37-1 | 250 | 124 | 88 | 2728 |
| 38-1 | 230 | 150 | 90 | 3105 |
| 39-1 | 230 | 114 | 100 | 2622 |
| 40-1 | 300 | 300 | 180 | 16200 |
| 41-1 | 300 | 300 | 200 | 18000 |
| Лещадка | ||||
| 42-1 | 230 | 114 | 32 | 839 |
| 43-1 | 230 | 114 | 38 | 996 |
| Плита | ||||
| 44-1’ | 380 | 150 | 64 | 3648 |
| 45-1’ | 410 | 150 | 64 | 3936 |
| 46-1’ | 460 | 150 | 64 | 4416 |
| 47-1* | 520 | 150 | 64 | 4992 |
| 50-1" | 435 | 150 | 76 | 4959 |
| 51-1* | 460 | 150 | 76 | 5244 |
| 52-1 | 460 | 225 | 76 | 7866 |
| 53-1 | 460 | 230 | 76 | 8041 |
| 54-1 ’ | 520 | 150 | 76 | 5928 |
| 55-1 | 520 | 170 | 80 | 7072 |
| 56-1 | 575 | 170 | 80 | 7820 |
| 57-1" | 380 | 150 | 90 | 5130 |
| 58-1" | 460 | 150 | 90 | 6210 |
| 59-1 | 460 | 225 | 90 | 9315 |
| 60-1" | 520 | 150 | 90 | 7020 |
| 61-1 | 540 | 150 | 90 | 7290 |
| 62-1 | 600 | 230 | 90 | 12420 |
| Плитка | ||||
| 63-1 | 230 | 230 | 50 | 2645 |
| Брус | ||||
| 64-1 | 480 | 300 | 200 | 28800 |
| 65-1 | 600 | 300 | 200 | 36000 |
| 66-1 | 600 | 300 | 100 | 18000 |
| 67-1 | 460 | 133 | 114 | 6975 |
| 68-1 | 600 | 300 | 180 | 32400 |
| Брусок | ||||
| 69-1 | 230 | 65 | 64 | 957 |
| 70-1 | 230 | 85 | 64 | 1251 |
| Примечания
1 Изделия подразделяются по сериям при постоянном размере ребра боковой грани S. Выделяют серии 50,64, 76,80,90,150,200 и относят к ним изделия, размер ребра боковой грани S которых соответствует номеру серии. 2 Изделия с номерами, отмеченными «*», допускается изготовлять с отверстиями для штырей и углублениями для установки усиленной металлической подвески. Размеры и расположение углублений и отверстий — в соответствии с приложением А | ||||
4.2.2 Клиновые изделия
Таблица 36 — Односторонний и двухсторонний ребровые клины (см. рисунок 4 а, б)
Размеры в миллиметрах
| Обозначение изделия | L | H | S | S1 | Расчетный объем, см3 |
|---|---|---|---|---|---|
| При постоянном (S+S1)/2 | |||||
| 1-2 | 230 | 114 | 67 | 61 | 1678 |
| 2-2 | 230 | 114 | 69 | 59 | 1678 |
| 3-2 | 230 | 114 | 72 | 56 | 1678 |
| 4-2 | 230 | 114 | 76 | 52 | 1678 |
| 5-2 | 230 | 114 | 79 | 73 | 1993 |
| 6-2 | 230 | 114 | 81 | 71 | 1993 |
| 7-2 | 230 | 114 | 84 | 68 | 1993 |
| 8-2 | 230 | 114 | 88 | 64 | 1993 |
| При постоянном размере ребра боковой грани S | |||||
| 9-2 | 230 | 114 | 64 | 54 | 1547 |
| 10-2 | 230 | 114 | 64 | 49 | 1481 |
| 11-2 | 230 | 114 | 64 | 44 | 1416 |
| 12-2 | 230 | 150 | 64 | 54 | 2036 |
| 13-2 | 230 | 150 | 64 | 44 | 1863 |
| 14-2 | 250 | 124 | 64 | 54 | 1829 |
| 15-2 | 250 | 124 | 64 | 44 | 1674 |
| 16-2 | 300 | 150 | 64 | 54 | 2655 |
| 17-2 | 300 | 150 | 64 | 49 | 2543 |
| 18-2 | 230 | 114 | 76 | 70 | 1914 |
| 19-2 | 230 | 114 | 76 | 64 | 1835 |
| 20-2 | 230 | 114 | 76 | 66 | 1862 |
| 21-2 | 230 | 114 | 76 | 56 | 1731 |
| 22-2 | 230 | 114 | 76 | 38 | 1495 |
| 23-2 | 250 | 124 | 76 | 66 | 2201 |
| 24-2 | 300 | 150 | 76 | 66 | 3195 |
| 25-2 | 300 | 150 | 76 | 56 | 2970 |
| Несерийные размеры | |||||
| 26-2 | 300 | 150 | 90 | 80 | 3825 |
| 27-2 | 230 | 150 | 109 | 62 | 2950 |
| Примечание — Изделия подразделяются по сериям при постоянном (S+S1)/2 и при постоянном размере ребра боковой грани S. При постоянном (S+S1/2 выделяют серии 64 и 76. При постоянном размере ребра боковой грани S выделяют серии 64 и 76 и относят к ним изделия, размер ребра боковой грани S которых соответствует номеру серии. | |||||
Таблица 37 — Односторонний и двухсторонний торцовые клины (см. рисунок 2 а, б)
Размеры в миллиметрах
| Обозначение изделия | L | H | S | S1 | Расчетный объем, см3 |
|---|---|---|---|---|---|
| При постоянном (S+S1)/2 | |||||
| 28-2 | 230 | 114 | 66 | 62 | 1678 |
| 29-2 | 230 | 114 | 69 | 59 | 1678 |
| 30-2 | 230 | 114 | 72 | 56 | 1678 |
| 31-2 | 230 | 114 | 76 | 52 | 1678 |
| 32-2 | 230 | 114 | 78 | 74 | 1993 |
| 33-2 | 230 | 114 | 81 | 71 | 1993 |
| 34-2 | 230 | 114 | 84 | 68 | 1993 |
| 35-2 | 230 | 114 | 88 | 64 | 1993 |
| При постоянном размере ребра боковой грани S | |||||
| 36-2 | 172 | 114 | 64 | 54 | 1157 |
| 37-2 | 172 | 114 | 64 | 44 | 1059 |
| 38-2 | 230 | 114 | 64 | 59 | 1613 |
| 39-2 | 230 | 114 | 64 | 54 | 1547 |
| 40-2 | 230 | 114 | 64 | 44 | 1416 |
| 41-2 | 250 | 124 | 64 | 54 | 1829 |
| 42-2 | 250 | 124 | 64 | 44 | 1674 |
| 43-2 | 300 | 150 | 64 | 54 | 2655 |
| 44-2 | 300 | 150 | 64 | 44 | 2430 |
| 45-2* | 460 | 150 | 64 | 49 | 3899 |
| 46-2 | 230 | 114 | 76 | 70 | 1914 |
| 47-2 | 230 | 114 | 76 | 66 | 1862 |
| 48-2 | 230 | 114 | 76 | 56 | 1731 |
| 49-2 | 230 | 150 | 76 | 46 | 2105 |
| 50-2 | 250 | 124 | 76 | 66 | 2201 |
| 51-2* | 300 | 150 | 76 | 56 | 2970 |
| 52-2* | 300 | 150 | 76 | 69 | 3262 |
| 53-2* | 300 | 150 | 76 | 66 | 3195 |
| 54-2 | 345 | 150 | 76 | 66 | 3674 |
| 55-2 | 345 | 150 | 76 | 56 | 3416 |
| 56-2* | 380 | 150 | 76 | 68 | 4104 |
| 57-2 | 380 | 150 | 76 | 56 | 3762 |
| 59-2 | 383 | 152 | 76 | 46 | 3551 |
| 60-2 | 383 | 152 | 76 | 66 | 4133 |
| 61-2 | 463 | 152 | 76 | 66 | 4997 |
| 62-2 | 520 | 150 | 76 | 61 | 5343 |
| 63-2 | 230 | 115 | 79 | 73 | 2010 |
| 64-2* | 460 | 150 | 79 | 70 | 5140 |
| 65-2* | 520 | 150 | 79 | 70 | 5811 |
| 66-2* | 380 | 150 | 83 | 66 | 4246 |
| 67-2* | 460 | 150 | 83 | 76 | 5486 |
| 68-2 | 460 | 150 | 84 | 79 | 5623 |
| 69-2* | 520 | 150 | 84 | 75 | 6201 |
| 70-2* | 300 | 150 | 85 | 75 | 3600 |
| 71-2* | 300 | 150 | 85 | 68 | 3443 |
| 72-2* | 380 | 150 | 85 | 76 | 4589 |
| 73-2 | 380 | 150 | 88 | 66 | 4389 |
| 74-2 | 460 | 150 | 88 | 80 | 5796 |
| 75-2* | 380 | 150 | 90 | 78 | 4788 |
| 76-2* | 460 | 150 | 90 | 83 | 5969 |
| 77-2* | 460 | 150 | 90 | 78 | 5796 |
| 78-2 | 540 | 150 | 90 | 80 | 6885 |
| Несерийный размер | |||||
| 79-2 | 200 | 120 | 70 | 62 | 1584 |
| Примечания
1 Изделия подразделяются по сериям при постоянном (S+S1)/2 и при постоянном размере ребра боковой грани S. При постоянном (S+S1) выделяют серии 64 и 76. При постоянном размере ребра боковой грани S выделяют серии 64, 76, 79. 83, 84, 85, 88, 90, к ним относятся изделия, размер ребра боковой грани S которых соответствует номеру серии 2 Изделия с номерами, отмеченными «*», допускается изготовлять с отверстиями для штырей и углублениями для установки усиленной металлической подвески. Размеры и расположениеу глублений и отверстий — в соответствии с приложением А. | |||||
Таблица 38 — Односторонний и двухсторонний торцовые клины (см. рисунок 3 а, б)
Размеры в миллиметрах
| Обозначение изделия | L | H | S | S1 | Расчетный объем, см3 |
|---|---|---|---|---|---|
| При постоянном (S+S1)/2 | |||||
| 80-2 | 230 | 172 | 66 | 62 | 2532 |
| 81-2 | 230 | 172 | 69 | 59 | 2532 |
| 82-2 | 230 | 172 | 72 | 56 | 2532 |
| 83-2 | 230 | 172 | 76 | 52 | 2532 |
| 84-2 | 230 | 172 | 78 | 74 | 3007 |
| 85-2 | 230 | 172 | 81 | 71 | 3007 |
| 86-2 | 230 | 172 | 84 | 68 | 3007 |
| 87-2 | 230 | 172 | 88 | 64 | 3007 |
| При постоянном размере ребра боковой грани S | |||||
| 88-2 | 230 | 172 | 64 | 54 | 2334 |
| 89-2 | 230 | 172 | 64 | 44 | 2136 |
| 90-2 | 250 | 187 | 64 | 54 | 2758 |
| 91-2 | 250 | 187 | 64 | 44 | 2525 |
| 92-2 | 300 | 225 | 64 | 54 | 3983 |
| 93-2 | 300 | 225 | 64 | 44 | 3645 |
| 94-2 | 230 | 172 | 76 | 70 | 2888 |
| 95-2 | 230 | 172 | 76 | 64 | 2769 |
| 96-2 | 230 | 172 | 76 | 57 | 2631 |
| 97-2 | 230 | 172 | 76 | 52 | 2532 |
| 98-2 | 250 | 187 | 76 | 70 | 3413 |
| 99-2 | 250 | 187 | 76 | 66 | 3319 |
| 100-2 | 300 | 225 | 76 | 69 | 4894 |
| 101-2 | 380 | 225 | 76 | 68 | 6156 |
| Несерийные размеры | |||||
| 102-2 | 460 | 225 | 78 | 70 | 7659 |
| 103-2 | 460 | 225 | 88 | 80 | 8694 |
| Примечание — Изделия подразделяются по сериям при постоянном (S+S1)/2 и при постоянном размере ребра боковой грани S. При постоянном (S+S1)/2 выделяют серии 64 и 76. При постоянном размере ребра боковой грани S выделяют серии 64 и 76, к ним относятся изделия, размер ребра боковой грани S которых соответствует номеру серии. | |||||
Таблица 39 — Односторонний и двухсторонний трапецеидальные клины (см. рисунок 5 а, б)
размеры в миллиметрах
| Обозначение изделия | L | H | S | S1 | Расчетный объем, см3 |
|---|---|---|---|---|---|
| При постоянном (S+S1)/2 | |||||
| 104-2 | 230 | 230 | 66 | 62 | 3386 |
| 105-2 | 230 | 230 | 69 | 59 | 3386 |
| 106-2 | 230 | 230 | 72 | 56 | 3386 |
| 107-2 | 230 | 230 | 76 | 52 | 3386 |
| 108-2 | 230 | 230 | 78 | 74 | 4020 |
| 109-2 | 230 | 230 | 81 | 71 | 4020 |
| 110-2 | 230 | 230 | 84 | 68 | 4020 |
| 111-2 | 230 | 230 | 88 | 64 | 4020 |
| При постоянном размере ребра боковой грани S | |||||
| 112-2 | 230 | 230 | 76 | 73 | 3941 |
| 113-2 | 230 | 230 | 76 | 70 | 3862 |
| 114-2 | 230 | 230 | 76 | 64 | 3703 |
| 115-2 | 230 | 64 | 114 | 56 | 1251 |
| 116-2 | 230 | 64 | 114 | 70 | 1354 |
| 117-2 | 230 | 64 | 114 | 76 | 1398 |
| 118-2 | 230 | 64 | 114 | 93 | 1524 |
| 119-2 | 230 | 64 | 114 | 96 | 1546 |
| 120-2 | 230 | 225 | 114 | 64 | 4606 |
| 121-2 | 230 | 75 | 114 | 90 | 1760 |
| 122-2 | 230 | 75 | 114 | 100 | 1846 |
| 123-2 | 300 | 76 | 150 | 135 | 3249 |
| 124-2 | 300 | 76 | 150 | 140 | 3306 |
| 125-2 | 345 | 76 | 150 | 80 | 3015 |
| 126-2 | 345 | 76 | 150 | 90 | 3146 |
| 127-2 | 345 | 76 | 150 | 110 | 3409 |
| 128-2 | 345 | 76 | 150 | 125 | 3605 |
| 129-2 | 380 | 76 | 150 | 80 | 3321 |
| 130-2 | 380 | 90 | 150 | 96 | 4207 |
| 131-2 | 460 | 90 | 150 | 85 | 4865 |
| 132-2 | 460 | 76 | 150 | 90 | 4195 |
| 133-2 | 460 | 90 | 150 | 130 | 5796 |
| 134-2 | 343 | 75 | 150 | 127 | 3563 |
| 135-2 | 380 | 75 | 150 | 140 | 4133 |
| 136-2 | 383 | 75 | 152 | 132 | 4079 |
| 137-2 | 463 | 75 | 152 | 127 | 4844 |
| 138-2 | 125 | 76 | 230 | 195 | 2019 |
| 139-2 | 150 | 80 | 230 | 205 | 2610 |
| 140-2 | 114 | 64 | 230 | 190 | 1532 |
| 141-2 | 114 | 64 | 230 | 200 | 1569 |
| 142-2 | 114 | 64 | 230 | 210 | 1605 |
| 143-2 | 114 | 64 | 230 | 220 | 1642 |
| Несерийные размеры | |||||
| 144-2 | 380 | 76 | 100 | 50 | 2166 |
| 145-2 | 230 | 150 | 120 | 76 | 3381 |
| 146-2 | 230 | 150 | 135 | 76 | 3640 |
| 147-2 | 463 | 75 | 152 | 127 | 4844 |
| 148-2 | 520 | 90 | 154 | 80 | 5476 |
| 149-2 | 150 | 80 | 265 | 227 | 2952 |
| 150-2 | 114 | 64 | 280 | 180 | 1678 |
| Примечание — Изделия подразделяются по сериям при постоянном (S+S1)/2 и при постоянном размере ребра боковой грани S. При постоянном (S+S1)/2 выделяют серии 64 и 76. При постоянном размере ребра боковой грани S выделяют серии 76, 114, 150, 152, 230, к ним относятся изделия, размер ребра боковой грани S которых соответствует номеру серии. |
|||||
4.2.3. Пятовый кирпич
Таблица 40 — Пятовый кирпич (см. рисунок 7)
размеры в миллиметрах
| Обозначение изделия | L | L1 | L2 | S | h | h1 | α | Расчетный объем, см3 |
|---|---|---|---|---|---|---|---|---|
| 1-3 | 114 | 133 | 114 | 114 | 57 | 34 | 60° | 1407 |
| 2-3 | 114 | 133 | 114 | 114 | 33 | 52 | 45° | 1354 |
| 3-3 | 124 | 133 | 124 | 124 | 62 | 26 | 60° | 1634 |
| 4-3 | 124 | 133 | 124 | 124 | 36 | 45 | 45° | 1565 |
| 5-3 | 230 | 201 | 172 | 114 | 144 | 52 | 60° | 4540 |
| 6-3 | 230 | 201 | 172 | 114 | 109 | 80 | 45° | 4436 |
| 7-3 | 230 | 201 | 230 | 114 | 68 | 39 | 45° | 3774 |
| 8-3 | 230 | 236 | 230 | 114 | 115 | 37 | 60° | 4883 |
| 9-3 | 230 | 269 | 230 | 114 | 115 | 70 | 60° | 5749 |
| 10-3 | 230 | 269 | 250 | 124 | 105 | 53 | 60° | 5998 |
| 11-3 | 230 | 269 | 300 | 76 | 80 | 9 | 60° | 3178 |
| 12-3 | 275 | 269 | 300 | 76 | 63 | 57 | 45° | 3813 |
| 13-3 | 345 | 269 | 300 | 76 | 133 | 57 | 45° | 5275 |
| 14-3 | 230 | 337 | 345 | 76 | 57 | 38 | 60° | 3874 |
| 15-3 | 230 | 262 | 230 | 114 | 115 | 62 | 60° | 5570 |
| 16-3 | 230 | 230 | 230 | 114 | 115 | 30 | 60° | 4720 |
| 17-3 | 230 | 113 | 245 | 64 | 15 | 15 | 26° | 1593 |

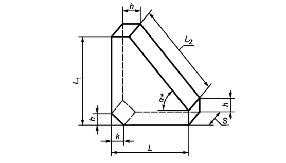
Таблица 41 — Пятовый кирпич со скруглением (размеры в миллиметрах)
| Обозначение изделия | L | L1 | L3 | S | h | h1 | r | α | Расчетный объем, см3 |
|---|---|---|---|---|---|---|---|---|---|
| 18-3 | 225 | 300 | 257 | 76 | 75 | 40 | 10 | 60° | 3480 |
| 19-3 | 265 | 369 | 326 | 76 | 75 | 40 | 10 | 60° | 4870 |
| 20-3 | 330 | 438 | 380 | 76 | 100 | 40 | 10 | 60° | 7190 |
| 21-3 | 370 | 508 | 450 | 76 | 100 | 40 | 10 | 60° | 9160 |

Таблица 42 — Пятовый кирпич с фаской (размеры в миллиметрах)
| Обозначение изделия | L | L1 | L2 | S | h | k | α | Расчетный объем, см3 |
|---|---|---|---|---|---|---|---|---|
| 22-3 | 225 | 27Q | 300 | 76 | 40 | 25 | 52° | 2997 |
| 23-3 | 252 | 252 | 300 | 76 | 40 | 25 | 45° | 3054 |
| 24-3 | 275 | 341 | 382 | 76 | 40 | 25 | 52° | 4357 |
| 25-3 | 310 | 310 | 381 | 76 | 40 | 25 | 45° | 4450 |
| 26-3 | 330 | 285 | 380 | 76 | 40 | 25 | 40° | 4366 |
| 27-3 | 325 | 405 | 463 | 76 | 40 | 25 | 52° | 5948 |
| 28-3 | 365 | 365 | 460 | 76 | 40 | 25 | 45° | 6008 |
| 29-3 | 390 | 335 | 460 | 76 | 40 | 25 | 40° | 5903 |
Таблица 43 — Оконный пятовый кирпич (см. рисунок 8)
(размеры в миллиметрах)
| Обозначение изделия | L | L1 | S | h | h1 | Расчетный объем, см3 |
|---|---|---|---|---|---|---|
| 30-3 | 230 | 230 | 65 | 30 | 115 | 2691 |
| 31-3 | 172 | 345 | 65 | 145 | 56 | 3103 |
4.3. Требования по предельным отклонениям размеров и показателям внешнего вида — по нормативным документам, устанавливающим требования к продукции конкретной марки.
4.4. Расчетный объем изделия указан для определения массы партии и не является браковочным признаком.
4.5. Соответствие обозначений изделий по настоящему стандарту и стандарту [1] приведено в приложении Б.
Приложение А
(справочное)
Рекомендуемые размеры отверстий для штырей и углублений для подвески
А.1. Размеры отверстий для штырей





А.2. Размеры углублений для подвески





Приложение Б
(справочное)
Таблицы соответствия изделий по настоящему стандарту и стандарту [1]
Б.1. Прямоугольные изделия
Таблица Б.1 — Прямоугольный кирпич
| Обозначение по стандарту (1) | Размеры, мм | Обозначение по настоящему стандарту | ||
|---|---|---|---|---|
| A(L) | B(H) | С(S) | ||
| 3/4-65 | 172 | 114 | 65 | 17 |
| 3/4-75 | 172 | 114 | 75 | 16 |
| 1-65 | 230 | 114 | 65 | 5 |
| 1-75 | 230 | 114 | 75 | 4 |
| 1-100 | 230 | 114 | 100 | 3 |
| 1Q-65 | 230 | 172 | 65 | 12 |
| 1Q-75 | 230 | 172 | 75 | 11 |
| 1W-75 | 230 | 150 | 75 | 23-1 |
| 1W-100 | 230 | 150 | 100 | — |
| 1F-65 | 230 | 230 | 65 | 10-1 |
| 1F-75 | 230 | 230 | 75 | 25-1 |
| 1-32 | 230 | 114 | 32 | 42-1 |
| 1-37 | 230 | 114 | 37 | 43-1 |
| SW-65 | 300 | 150 | 65 | 9 |
| SW-75 | 300 | 150 | 75 | 30-1 |
| SW-100 | 300 | 150 | 100 | — |
| SL-65 | 300 | 225 | 65 | 15 |
| SL-765 | 300 | 225 | 75 | — |
| SL-100 | 300 | 225 | 100 | — |
| 1.5-65 | 345 | 114 | 65 | 15-1 |
| 1,5-75 | 345 | 114 | 75 | 31-1 |
| 1.5-100 | 345 | 114 | 100 | — |
| 1.5W-75 | 345 | 150 | 75 | 10 |
| 1.5W-100 | 345 | 150 | 100 | — |
| GW-65 | 380 | 150 | 65 | 44-1 |
| GW-75 | 380 | 150 | 75 | — |
| GW-100 | 380 | 150 | 100 | — |
| GL-65 | 380 | 225 | 65 | — |
| GL-75 | 380 | 225 | 75 | — |
| GL-100 | 380 | 225 | 100 | — |
| 2-65 | 460 | 114 | 65 | — |
| 2-75 | 460 | 114 | 75 | — |
| 2-100 | 460 | 114 | 100 | — |
| 2W-65 | 460 | 150 | 65 | 46-1 |
| 2W-75 | 460 | 150 | 75 | 51-1 |
| 2W-100 | 460 | 150 | 100 | — |
| 2L-65 | 460 | 225 | 65 | — |
| 2L-75 | 460 | 225 | 75 | 52-1 |
| 2L-100 | 460 | 225 | 100 | — |
Б.2 Клиновые изделия
Таблица Б.2 Боковой арочный кирпич
| Обозначение по стандарту (1) | Размеры, мм | Обозначение по настоящему стандарту | ||
|---|---|---|---|---|
| A(H) | C/D (S/S1) | B(L) | ||
| СН1-65/35 | 114 | 65/35 | 230 | — |
| СН1-65/45 | 114 | 65/45 | 230 | 45 |
| СН1-65/55 | 114 | 65/55 | 230 | 44 |
| СН1-55/45 | 114 | 55/45 | 230 | — |
| СН1-75/45 | 114 | 75/45 | 230 | — |
| СН1-75/55 | 114 | 75/55 | 230 | 43 |
| СН1-75/65 | 114 | 75/65 | 230 | 42 |
| СН1-70/60 | 114 | 70/60 | 230 | 2-2 |
| СН1-85/55 | 114 | 85/55 | 230 | — |
| СН1-80/50 | 114 | 80/50 | 230 | — |
| CHSW-65/35 | 150 | 65/35 | 300 | — |
| CHSW-65/45 | 150 | 65/45 | 300 | — |
| CHSW-65/55 | 150 | 65/55 | 300 | 16-2 |
| CHSW-55/45 | 150 | 55/45 | 300 | — |
| CHSW-75/45 | 150 | 75/45 | 300 | — |
| CHSW-75/55 | 150 | 75/55 | 300 | 25-2 |
| CHSW-75/65 | 150 | 75/65 | 300 | 24-2 |
| CHSW-70/60 | 150 | 70/60 | 300 | — |
| CHSW-85/55 | 150 | 85/55 | 300 | — |
| CHSW-80/50 | 150 | 80/50 | 300 | — |
Таблица Б.З — Торцовый арочный кирпич
| Обозначение по стандарту (1) | Размеры, мм | Обозначение по настоящему стандарту | ||
|---|---|---|---|---|
| A(L) | C/D (S/S1) | B(H) | ||
| SH1-65/35 | 230 | 65/35 | 114 | — |
| SH1-65/45 | 230 | 65/45 | 114 | 23 |
| SH1-65/55 | 230 | 65/55 | 114 | 22 |
| SH1-55/45 | 230 | 55/45 | 114 | — |
| SH1-65/60 | 230 | 65/60 | 114 | 38-2 |
| SH1-75/45 | 230 | 75/45 | 114 | — |
| SH1-75/55 | 230 | 75/55 | 114 | 21 |
| SH1-75/65 | 230 | 75/65 | 114 | 20 |
| SH1-70/60 | 230 | 70/60 | 114 | 29-2 |
| SH1-85/55 | 230 | 85/55 | 114 | — |
| SH1-80/50 | 230 | 80/50 | 114 | — |
| SH1-90/60 | 230 | 90/60 | 114 | — |
| SH1-85/65 | 230 | 85/65 | 114 | — |
| SH1-80/70 | 230 | 80/70 | 114 | 33-2 |
| SHSW-75/65 | 300 | 75/65 | 150 | 53-2 |
| SHSW-75/70 | 300 | 75/70 | 150 | 52-2 |
| SHSW-90/60 | 300 | 90/60 | 150 | — |
| SHSW-85/65 | 300 | 85/65 | 150 | — |
| SHSW-80/70 | 300 | 80/70 | 150 | — |
| SHSW-95/65 | 300 | 95/65 | 150 | — |
| SHSW-80/60 | 300 | 80/60 | 150 | — |
| SHSW-70/60 | 300 | 70/60 | 150 | — |
| SHSW-100/70 | 300 | 100/70 | 150 | — |
| SHSW-100/80 | 300 | 100/80 | 150 | — |
| SHSW-100/90 | 300 | 100/90 | 150 | — |
| SHSW-90/70 | 300 | 90/70 | 150 | — |
| SHSW-90/80 | 300 | 90/80 | 150 | — |
| SHGW-75/65 | 380 | 75/65 | 150 | — |
| SHGW-75/70 | 380 | 75/70 | 150 | 56-2 |
| SHGW-90/60 | 380 | 90/60 | 150 | — |
| SHGW-85/65 | 380 | 85/65 | 150 | 66-2 |
| SHGW-80/70 | 380 | 80/70 | 150 | — |
| SHGW-95/65 | 380 | 95/65 | 150 | — |
| SHGW-80/60 | 380 | 80/60 | 150 | — |
| SHGW-70/60 | 380 | 70/60 | 150 | — |
| SHGW-100/70 | 380 | 100/70 | 150 | — |
| SHGW-100/80 | 380 | 100/80 | 150 | — |
| SHGW-100/90 | 380 | 100/90 | 150 | — |
| SHGW-90/70 | 380 | 90/70 | 150 | — |
| SHGW-90/80 | 380 | 90/80 | 150 | 75-2 |
| SH2W-75/65 | 460 | 75/65 | 150 | 61-2 |
| SH2W-75/70 | 460 | 75/70 | 150 | — |
| SH2W-90/60 | 460 | 90/60 | 150 | — |
| SH2W-85/65 | 460 | 85/65 | 150 | — |
| SH2W-80/70 | 460 | 80/70 | 150 | 64-2 |
| SH2W-95/65 | 460 | 95/65 | 150 | — |
| SH2W-80/60 | 460 | 80/60 | 150 | — |
| SH2W-70/60 | 460 | 70/60 | 150 | — |
| SH2W-100/70 | 460 | 100/70 | 150 | — |
| SH2W-100/80 | 460 | 100/80 | 150 | — |
| SH2W-100/90 | 460 | 100/90 | 150 | — |
| SH2W-90/70 | 460 | 90/70 | 150 | — |
| SH2W-90/80 | 460 | 90/80 | 150 | 77-2 |
Таблица Б.4 — Торцовый арочный кирпич полуторной и двойной ширины
| Обозначение по стандарту (1) | Размеры, мм | Обозначение по настоящему стандарту | ||
|---|---|---|---|---|
| A(L) | C/D (S/S1) | B(H) | ||
| SH1Q-65/45 | 230 | 65/45 | 172 | 36 |
| SH1Q-65/55 | 230 | 65/55 | 172 | 35 |
| SH1Q-55/45 | 230 | 55/45 | 172 | — |
| SH1Q-75/45 | 230 | 75/45 | 172 | — |
| SH1Q-75/55 | 230 | 75/55 | 172 | 34 |
| SH1Q-75/65 | 230 | 75/65 | 172 | 33 |
| SH1Q-85/55 | 230 | 85/55 | 172 | — |
| SH1Q-90/60 | 230 | 90/60 | 172 | — |
| SH1Q-85/65 | 230 | 85/65 | 172 | 86-2 |
| SH1Q-80/70 | 230 | 80/70 | 172 | 85-2 |
| SHSL-75/65 | 300 | 75/65 | 225 | — |
| SHSL-90/60 | 300 | 90/60 | 225 | — |
| SHSL-85/65 | 300 | 85/65 | 225 | — |
| SHSL-80/70 | 300 | 80/70 | 225 | — |
| SHSL-80/60 | 300 | 80/60 | 225 | — |
| SHSL-70/60 | 300 | 70/60 | 225 | — |
| SHSL-100/70 | 300 | 100/70 | 225 | — |
| SHSL-100/80 | 300 | 100/80 | 225 | — |
| SHSL-100/90 | 300 | 100/90 | 225 | — |
| SHSL-90/70 | 300 | 90/70 | 225 | — |
| SHSL-90/80 | 300 | 90/80 | 225 | — |
| SHGL-75/65 | 380 | 75/65 | 225 | — |
| SHGL-90/60 | 380 | 90/60 | 225 | — |
| SHGL-85/65 | 380 | 85/65 | 225 | — |
| SHGL-80/70 | 380 | 80/70 | 225 | — |
| SHGL-80/60 | 380 | 80/60 | 225 | — |
| SHGL-70/60 | 380 | 70/60 | 225 | — |
| SHGL-100/70 | 380 | 100/70 | 225 | — |
| SHGL-100/80 | 380 | 100/80 | 225 | — |
| SHGL-100/90 | 380 | 100/90 | 225 | — |
| SHGL-90/70 | 380 | 90/70 | 225 | — |
| SHGL-90/80 | 380 | 90/80 | 225 | — |
| SH2L-75/65 | 460 | 75/65 | 225 | — |
| SH2L-90/60 | 460 | 90/60 | 225 | — |
| SH2L-85/65 | 460 | 85/65 | 225 | — |
| SH2L-80/70 | 460 | 80/70 | 225 | 102-2 |
| SH2L-80/60 | 460 | 80/60 | 225 | — |
| SH2L-70/60 | 460 | 70/60 | 225 | — |
| SH2L-100/70 | 460 | 100/70 | 225 | — |
| SH2L-100/80 | 460 | 100/80 | 225 | — |
| SH2L-100/90 | 460 | 100/90 | 225 | — |
| SH2L-90/70 | 460 | 90/70 | 225 | — |
| SH2L-90/80 | 460 | 90/80 | 225 | 103-2 |
| SH1F-65/45 | 230 | 65/45 | 230 | — |
| SH1F-65/55 | 230 | 65/55 | 230 | — |
| SH1F-55/45 | 230 | 55/45 | 230 | — |
| SH1F-75/45 | 230 | 75/45 | 230 | — |
| SH1F-75/55 | 230 | 75/55 | 230 | — |
| SH1F-75/65 | 230 | 75/65 | 230 | 114-2 |
| SH1F-85/55 | 230 | 85/55 | 230 | — |
| SH1F-90/60 | 230 | 90/60 | 230 | — |
| SH1F-85/65 | 230 | 85/65 | 230 | — |
| SH1F-80/70 | 230 | 80/70 | 230 | 109-2 |
Таблица Б.5 — Коронный кирпич
| Обозначение по стандарту (1) | Размеры, мм | Обозначение по настоящему стандарту | ||
|---|---|---|---|---|
| A(L) | C/D (S/S1) | B(H) | ||
| SK1B-114/84 | 230 | 114/84 | 65 | — |
| SK1 В-114/94 | 230 | 114/94 | 65 | 118-2 |
| SK1B-114/104 | 230 | 114/104 | 65 | — |
| SK1.5B-114/69 | 345 | 114/69 | 65 | — |
| SK1.5B-114/84 | 345 | 114/84 | 65 | — |
| SK1.5B-114/99 | 345 | 114/99 | 65 | — |
| SK1Р-114/84 | 230 | 114/84 | 75 | — |
| SK1Р-114/94 | 230 | 114/94 | 75 | — |
| SK1P-114/104 | 230 | 114/104 | 75 | — |
| SK1.5P-114/69 | 345 | 114/69 | 75 | — |
| SK1.5P-114/84 | 345 | 114/84 | 75 | — |
| SK1.5P-114/99 | 345 | 114/99 | 75 | — |
| SK1P-144/114 | 230 | 144/114 | 75 | — |
| SK1Р-134/114 | 230 | 134/114 | 75 | — |
| SK1P-124/114 | 230 | 124/114 | 75 | — |
| SK1.5P-159/114 | 345 | 159/114 | 75 | — |
| SK1 5Р-144/114 | 345 | 144/114 | 75 | — |
| SK1.5P-129/114 | 345 | 129/114 | 75 | — |
| SK2P-174/114 | 460 | 174/114 | 75 | — |
| SK2P-154/114 | 460 | 154/114 | 75 | — |
| SK2P-134/114 | 460 | 134/114 | 75 | — |
| SK1P-150/120 | 230 | 150/120 | 75 | — |
| SK1Р-150/130 | 230 | 150/130 | 75 | — |
| SK1P-150/140 | 230 | 150/140 | 75 | — |
| SK1.5P-150/105 | 345 | 150/105 | 75 | — |
| SK1.5P-150/120 | 345 | 150/120 | 75 | — |
| SK1.5P-150/135 | 345 | 150/135 | 75 | — |
| SK2P-150/90 | 460 | 150/90 | 75 | 132-2 |
| SK2P-150/110 | 460 | 150/110 | 75 | — |
| SK2P-150/130 | 460 | 150/130 | 75 | — |
| SK1H-144/114 | 230 | 144/114 | 100 | — |
| SK1H-134/114 | 230 | 134/114 | 100 | — |
| SK1H-124/114 | 230 | 124/114 | 100 | — |
| SK1.5H-159/114 | 345 | 159/114 | 100 | — |
| SK1.5H-144/114 | 345 | 144/114 | 100 | — |
| SK1.5H-129/114 | 345 | 129/114 | 100 | — |
| SK2H-174/114 | 460 | 174/114 | 100 | — |
| SK2H-154/114 | 460 | 154/114 | 100 | — |
| SK2H-134/114 | 460 | 134/114 | 100 | — |
| SK1H-150/120 | 230 | 150/120 | 100 | — |
| SK1H-150/130 | 230 | 150/130 | 100 | — |
| SK1H-150/140 | 230 | 150/140 | 100 | — |
| SK1.5H-150/105 | 345 | 150/105 | 100 | — |
| SK1.5H-150/120 | 345 | 150/120 | 100 | — |
| SK1.5H-150/135 | 345 | 150/135 | 100 | — |
| SK2H-150/90 | 460 | 150/90 | 100 | — |
| SK2H-150/110 | 460 | 150/110 | 100 | — |
| SK2H-150/130 | 460 | 150/130 | 100 | — |
Б.3. Пятовые изделия
Таблица Б.6 — Пятовый кирпич
| Обозначениепо стандарту [1] | Размеры, мм | Угол наклона α | Обозначение пo настоящему стандарту | |||||
|---|---|---|---|---|---|---|---|---|
| L (L2) | A (L) | B (L1) | C (S) | D (h1) | E (h) | |||
| GJ23/60° В | 230 | 199 | 266 | 114 | 67 | 84 | 60° | — |
| GJ23/60° | 230 | 229 | 306 | 114 | 107 | 114 | 60° | — |
| GJ23/50° В | 230 | 199 | 266 | 114 | 90 | 51 | 50° | — |
| GJ23/50° | 230 | 229 | 229 | 114 | 53 | 81 | 50° | — |
| GJ3O/6O° В | 300 | 199 | 333 | 73 | 73 | 49 | 60° | — |
| GJ30/60° | 300 | 229 | 306 | 73 | 46 | 79 | 60° | — |
| GJ30/50° В | 300 | 266 | 333 | 73 | 103 | 73 | 50° | — |
| GJ30/50° | 300 | 306 | 306 | 73 | 76 | 113 | 50° | — |
| GJ38/60° В | 380 | 266 | 400 | 73 | 71 | 76 | 60° | — |
| GJ38/60° | 380 | 306 | 383 | 73 | 54 | 116 | 60° | — |
| GJ38/50° В | 380 | 333 | 333 | 73 | 42 | 89 | 50° | — |
| GJ38/50° | 380 | 306 | 383 | 73 | 92 | 62 | 50° | — |
| GJ46/60° В | 460 | 333 | 467 | 73 | 69 | 103 | 60° | — |
| GJ46/60° | 460 | 306 | 460 | 73 | 62 | 76 | 60° | — |
| GJ46/50° В | 460 | 400 | 400 | 73 | 48 | 104 | 50° | — |
| GJ46/50° | 460 | 383 | 460 | 73 | 108 | 87 | 50° | — |
Библиография
[1] Национальный стандарт Китайской Народной Республики GB/T 2992/1—2011 - Размеры огнеупорных кирпичей Спецификация кирпичей общего назначения