Дымовые и вентиляционные каналы из асбестоцементных труб газифицируемых помещений

ТИПОВЫЕ СТРОИТЕЛЬНЫЕ КОНСТРУКЦИИ, ИЗДЕЛИЯ И УЗЛЫ
СЕРИЯ 5.905-28.01

ВЫПУСК 1

ДЫМОВЫЕ И ВЕНТИЛЯЦИОННЫЕ КАНАЛЫ. РАБОЧИЕ ЧЕРТЕЖИ

ДЫМОВЫЕ И ВЕНТИЛЯЦИОННЫЕ КАНАЛЫ ИЗ АСБЕСТОЦЕМЕНТНЫХ ТРУБ. РАБОЧИЕ ЧЕРТЕЖИ
Титульный лист
Содержание
Содержание
Содержание
Содержание
Содержание
Содержание
Содержание
Содержание
Пояснительная записка
Пояснительная записка
Пояснительная записка
Пояснительная записка
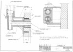
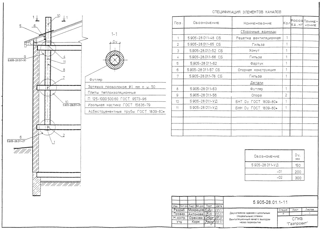
Дымовые и вентиляционные каналы с выходом через перекрытие
Одноэтажное здание. Дымовые и вентиляционные каналы с выходом через перекрытие
Вентиляционный канал с выходом через перекрытие
Одноэтажное здание. Вентиляционный канал с выходом через перекрытие
Дымовой канал с выходом через перекрытие
Одноэтажное здание. Дымовой канал с выходом через перекрытие
Дымовые и вентиляционные каналы с выходом через перекрытие
Одноэтажное здание с цокольным этажом. Дымовые и вентиляционные каналы с выходом через перекрытие
Вентиляционный канал с выходом через перекрытие
Одноэтажное здание с цокольным этажом. Вентиляционный канал с выходом через перекрытие
Дымовой канал с выходом через перекрытие
Одноэтажное здание с цокольным этажом. Дымовой канал с выходом через перекрытие
Дымовые и вентиляционные каналы с выходом через перекрытие
Двухэтажное здание. Дымовые и вентиляционные каналы с выходом через перекрытие
Вентиляционный канал с выходом через перекрытие
Двухэтажное здание. Вентиляционный канал с выходом через перекрытие
Дымовой канал с выходом через перекрытие
Двухэтажное здание. Дымовой канал с выходом через перекрытие
Дымовые и вентиляционные каналы с выходом через перекрытие
Двухэтажное здание с цокольным этажом. Дымовые и вентиляционные каналы с выходом через перекрытие
Вентиляционный канал с выходом через перекрытие
Двухэтажное здание с цокольным этажом. Вентиляционный канал с выходом через перекрытие
Дымовой канал с выходом через перекрытие
Двухэтажное здание с цокольным этажом. Дымовой канал с выходом через перекрытие
Дымовой и вентиляционный каналы с выходом через стену
Одноэтажное здание. Дымовой и вентиляционный каналы с выходом через стену
Вентиляционный канал с выходом через стену
Одноэтажное здание. Вентиляционный канал с выходом через стену
Дымовой канал с выходом через стену
Одноэтажное здание. Дымовой канал с выходом через стену
Дымовой и вентиляционный каналы с выходом через стену
Двухэтажное здание. Дымовой и вентиляционный каналы с выходом через стену
Вентиляционный канал с выходом через стену
Двухэтажное здание. Вентиляционный канал с выходом через стену
Дымовой канал с выходом через стену
Двухэтажное здание. Дымовой канал с выходом через стену
Дымовой и вентиляционный каналы с выходом через стену
Одноэтажное здание. Дымовой и вентиляционный каналы с выходом через стену из горючих материалов
Вентиляционный канал с выходом через стену
Одноэтажное здание. Вентиляционный канал с выходом через стену из горючих материалов
Дымовой канал с выходом через стену
Одноэтажное здание. Дымовой канал с выходом через стену из горючих материалов
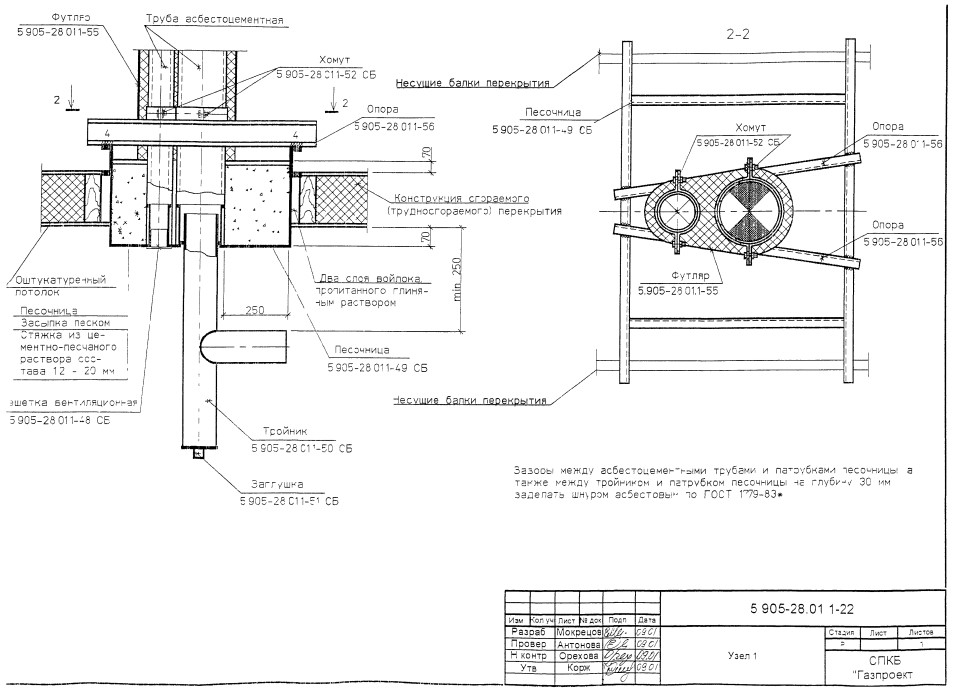
Узел 1
5.905-28.01 1-22. Узел 1
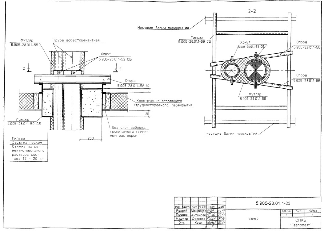
Узел 2
5.905-28.01 1-23. Узел 1
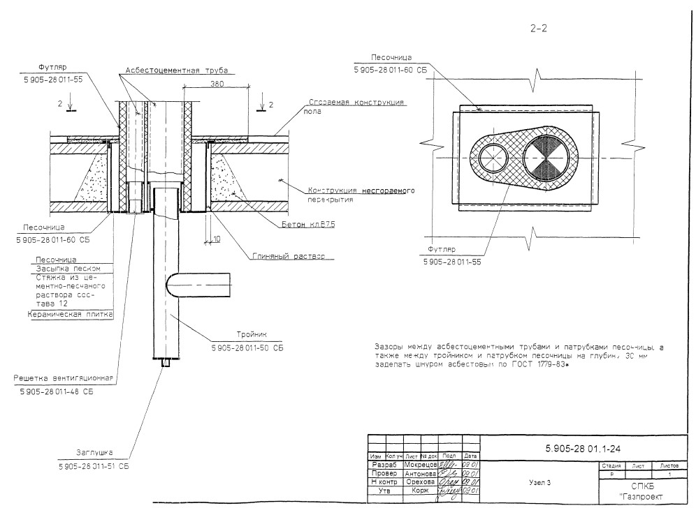
Узел 3
5.905-28.01 1-24. Узел 3
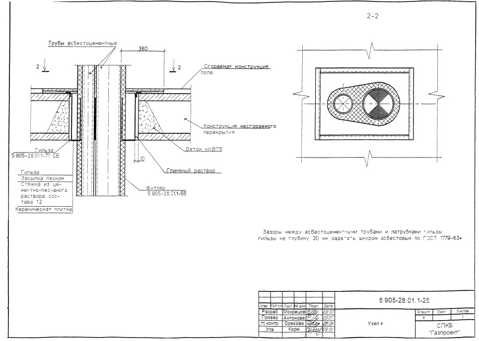
Узел 4
5.905-28.01 1-25. Узел 4
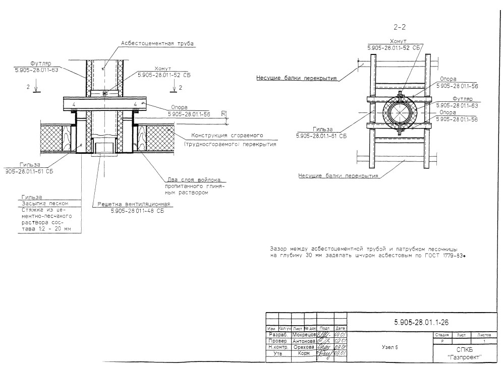
Узел 5
5.905-28.01 1-26. Узел 5
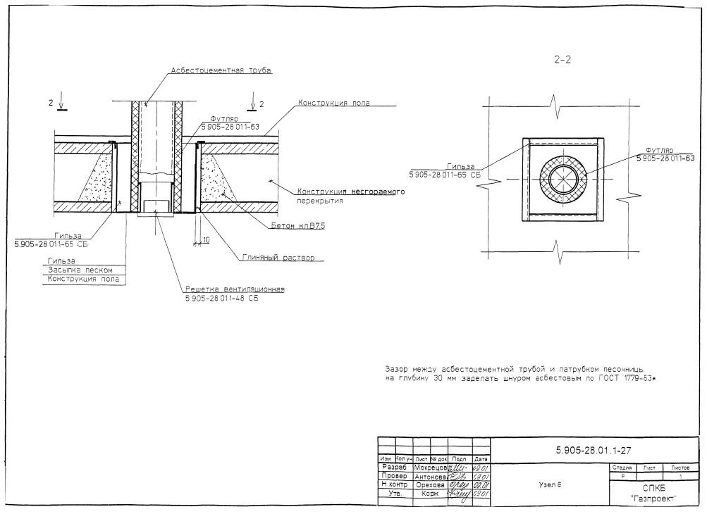
Узел 6
5.905-28.01 1-27. Узел 6
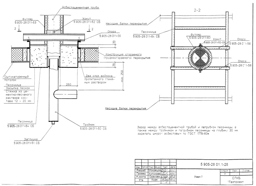
Узел 7
5.905-28.01 1-28. Узел 7
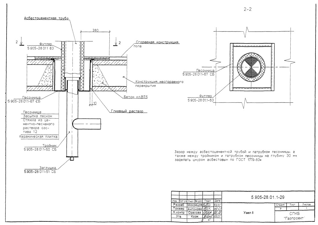
Узел 8
5.905-28.01 1-29. Узел 8
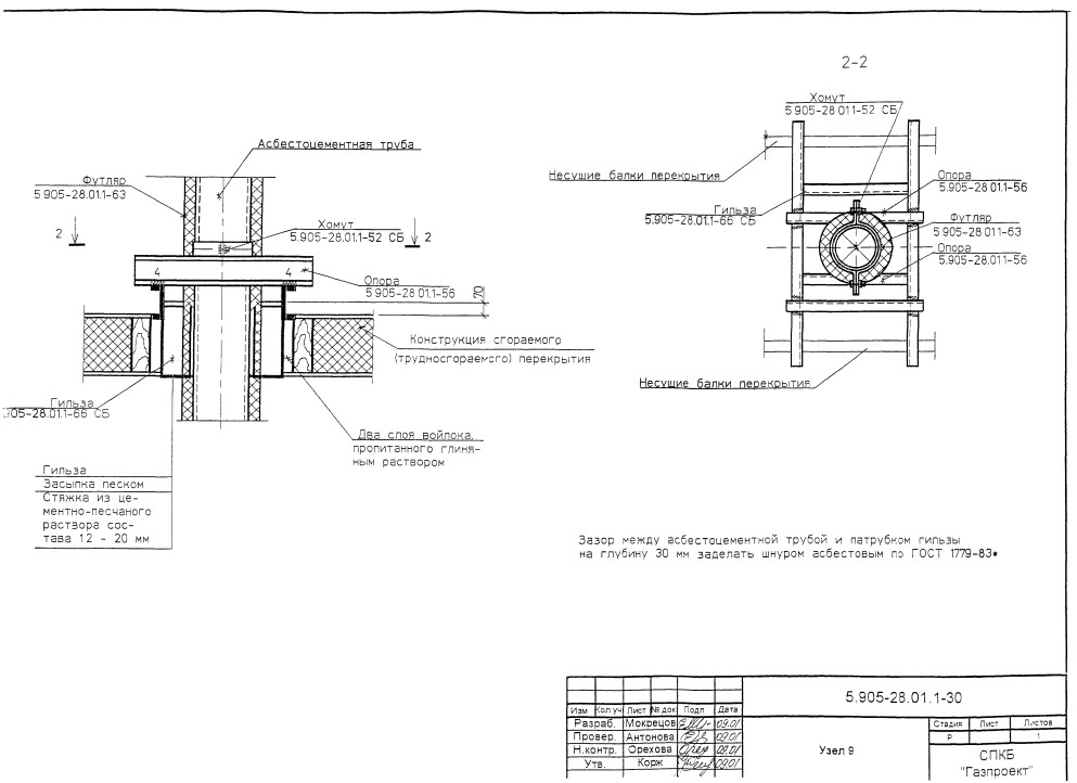
Узел 9
5.905-28.01 1-30. Узел 9
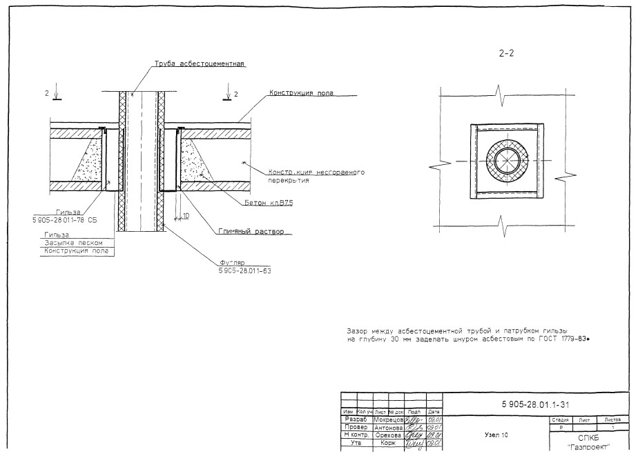
Узел 10
5.905-28.01 1-31. Узел 10
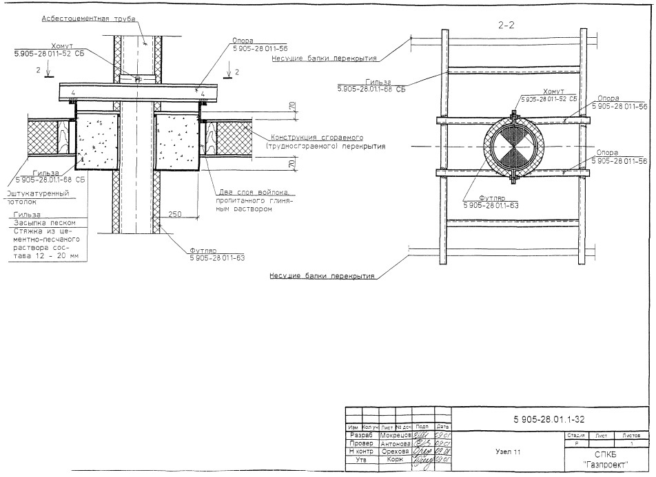
Узел 11
5.905-28.01 1-32. Узел 11
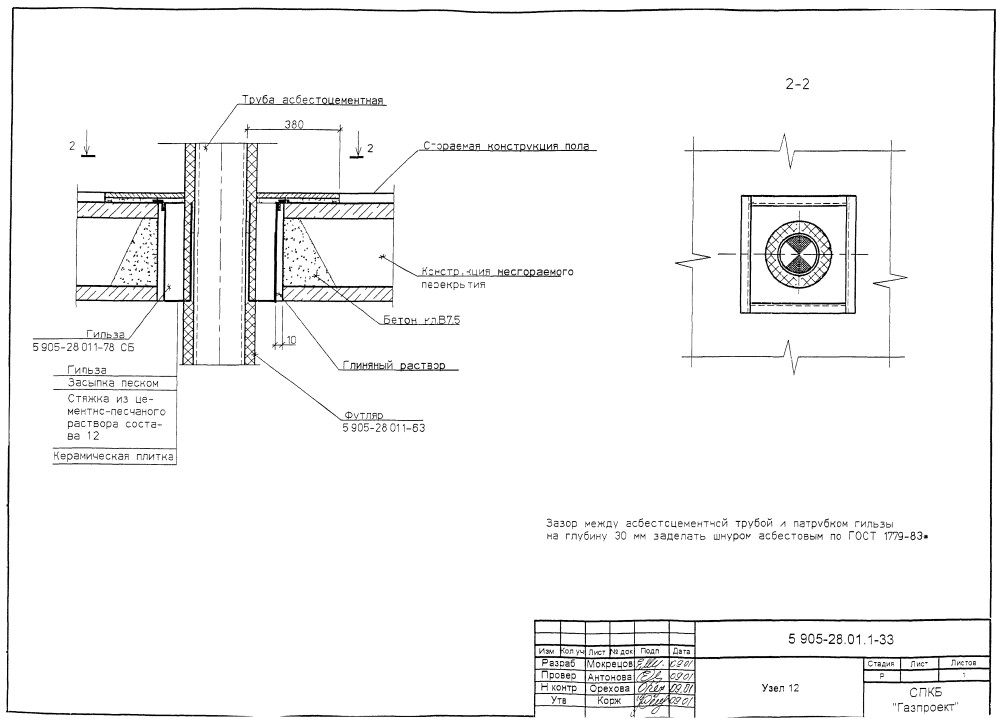
Узел 12
5.905-28.01 1-33. Узел 12
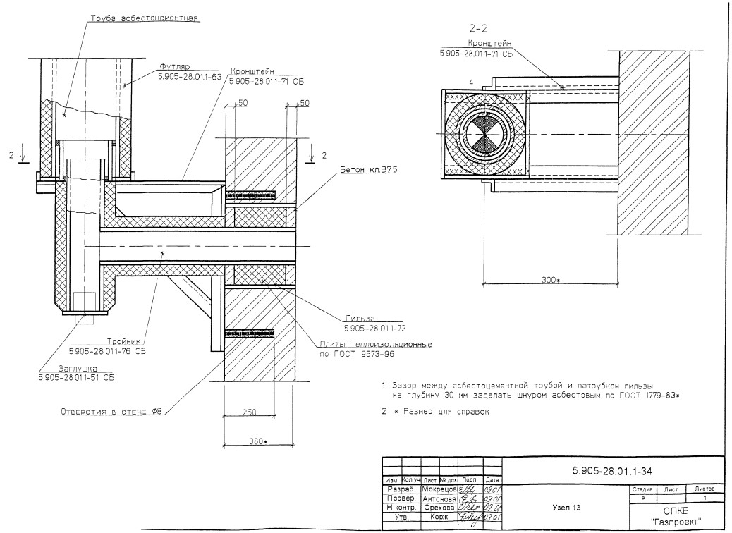
Узел 13
5.905-28.01 1-34. Узел 13
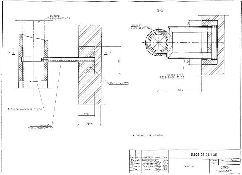
Узел 14
5.905-28.01 1-35. Узел 14
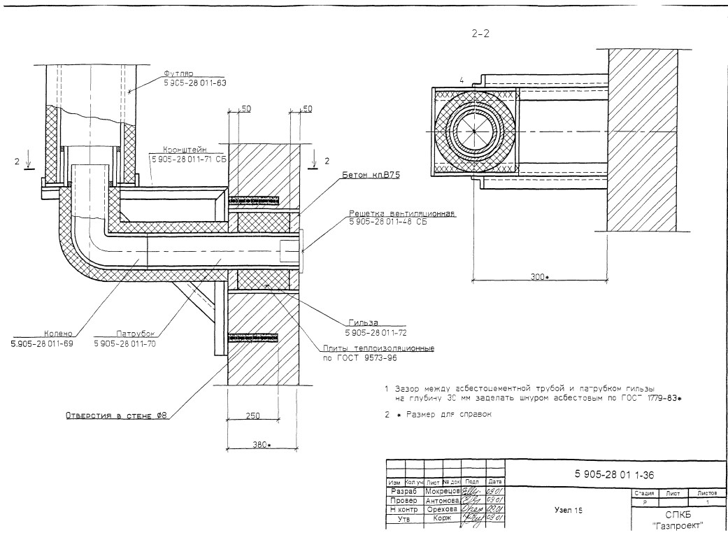
Узел 15
5.905-28.01 1-36. Узел 15
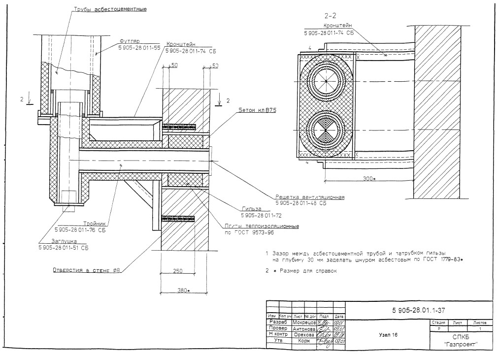
Узел 16
5.905-28.01 1-37. Узел 16
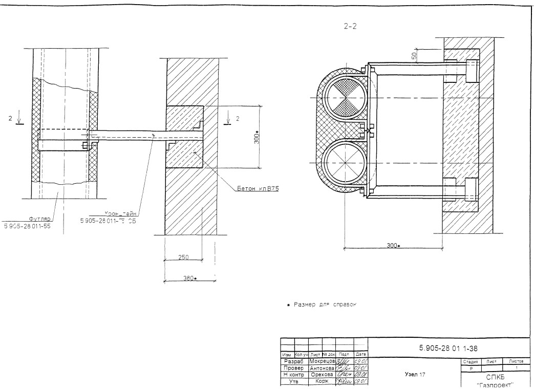
Узел 17
5.905-28.01 1-38. Узел 17
Высота оголовка каналов над кровлей. Узел стыковки асбестоцементных труб. Узел 18
5.905-28.01 1-39. Высота оголовка каналов над кровлей. Узел стыковки асбестоцементных труб. Узел 18
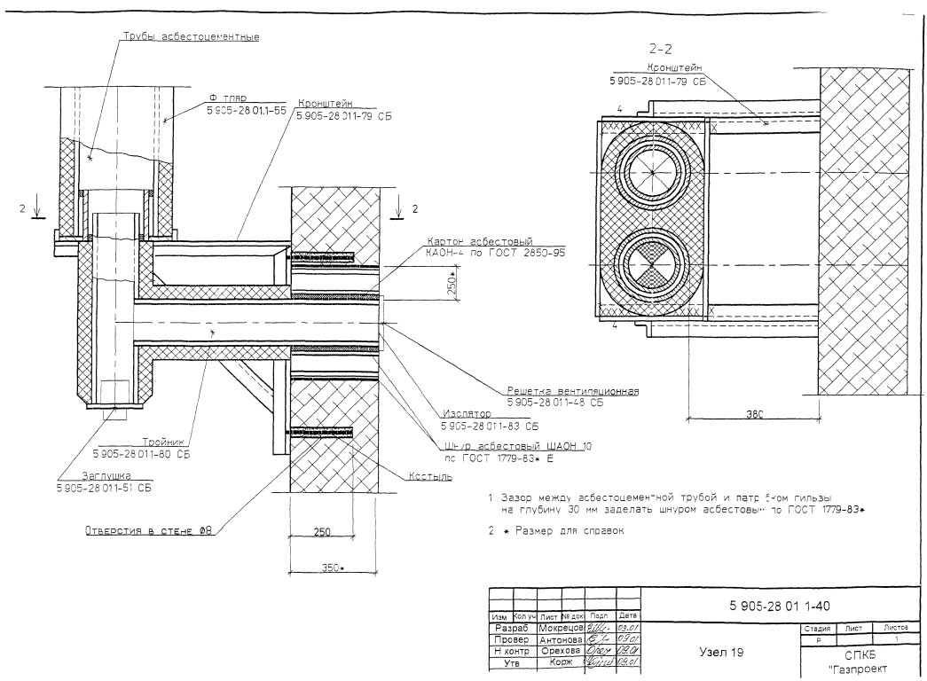
Узел 19
5.905-28.01 1-40. Узел 19
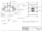
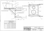
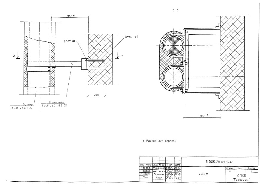
Узел 20
5.905-28.01 1-41. Узел 20
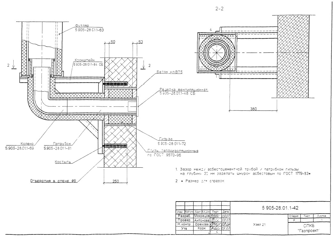
Узел 21
5.905-28.01 1-42. Узел 21
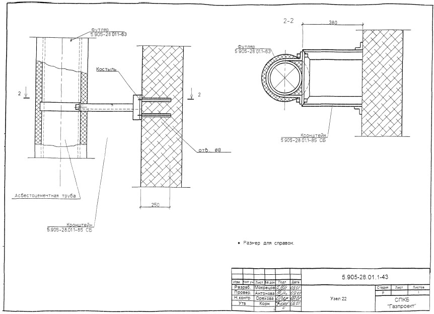
Узел 22
5.905-28.01 1-43. Узел 22
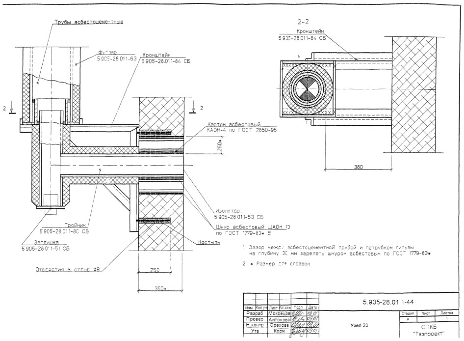
Узел 23
5.905-28.01 1-44. Узел 23
Узел прохода через кровлю вентиляционного и дымового каналов
5.905-28.01 1-45. Узел прохода через кровлю вентиляционного и дымового каналов
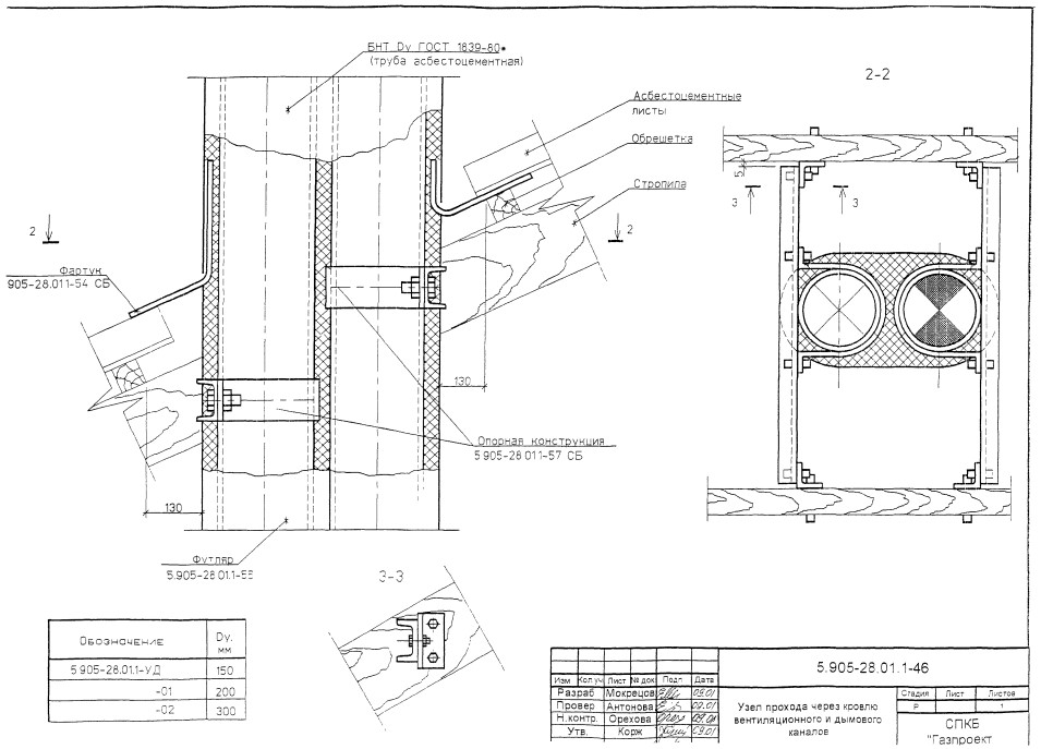
Узел прохода через кровлю вентиляционного и дымового каналов
5.905-28.01 1-46. Узел прохода через кровлю вентиляционного и дымового каналов
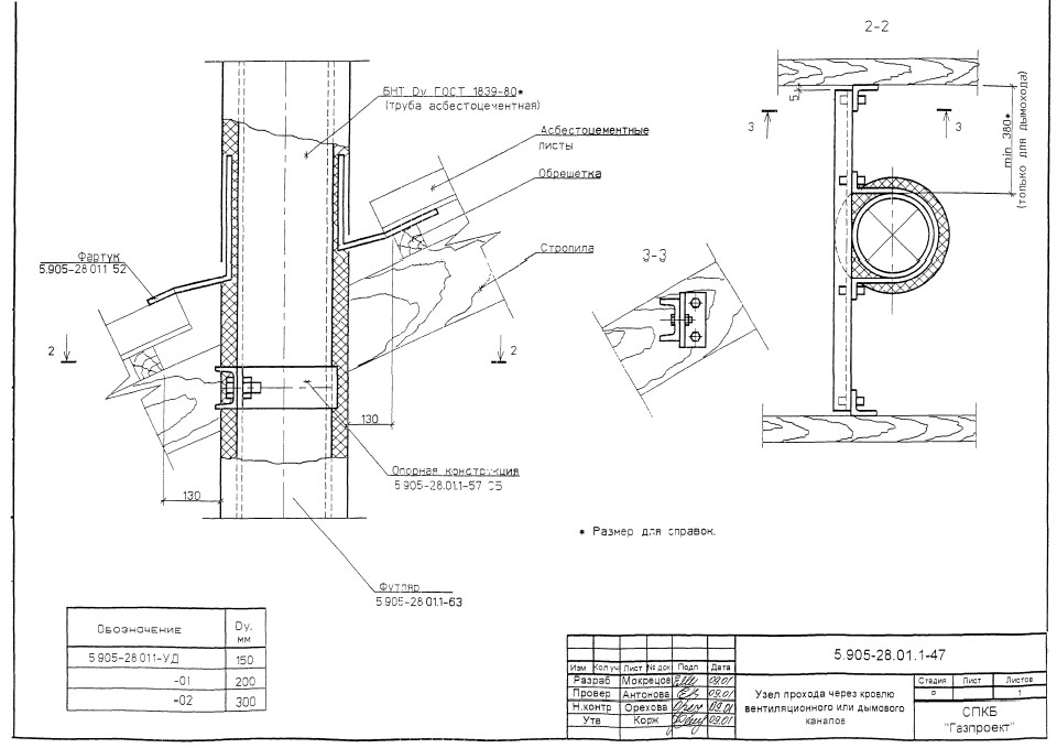
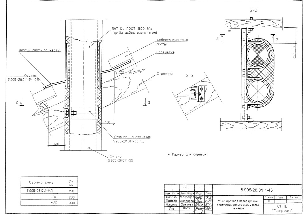
Узел прохода через кровлю вентиляционного и дымового каналов
5.905-28.01 1-47. Узел прохода через кровлю вентиляционного или дымового каналов
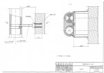
Решетка вентиляционная. Сборочный чертеж.
5.905-28.01.1-48 СБ. Решетка вентиляционная. Сборочный чертеж
Цилиндр
5.905-28.01.1-48.01. Цилиндр
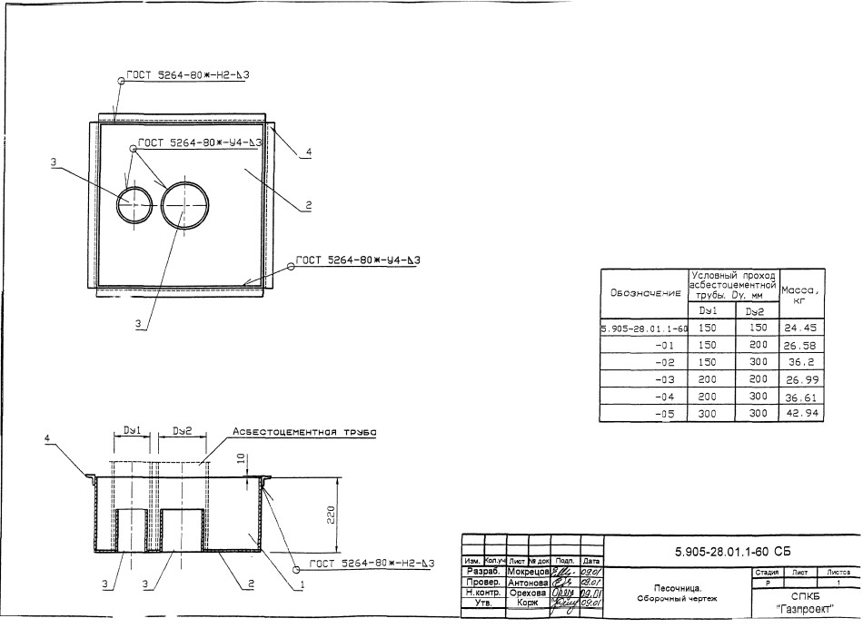
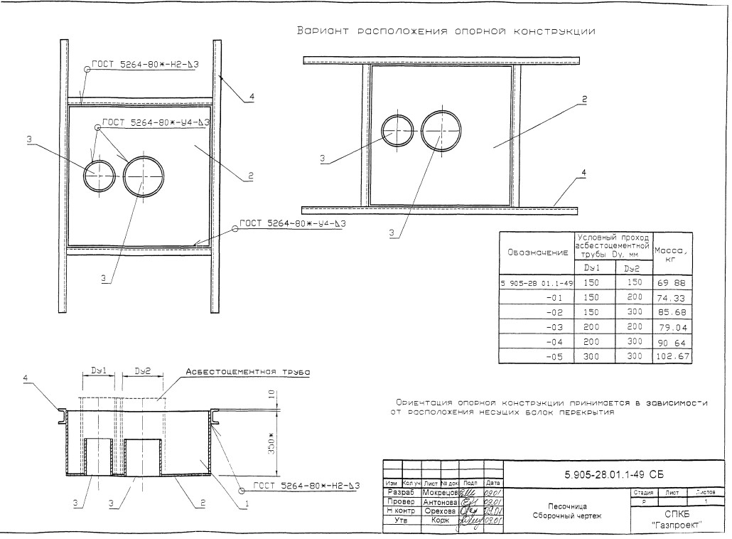
Песочница. Сборочный чертеж
5.905-28.01.1-49 СБ. Песочница. Сборочный чертеж
Песочница. Спецификация
5.905-28.01.1-49. Песочница. Спецификация
Песочница. Спецификация
5.905-28.01.1-49. Песочница. Спецификация
Корпус и дно
5.905-28.01.1-49.01 Корпус, 5.905-28.01.1-49.02 Дно
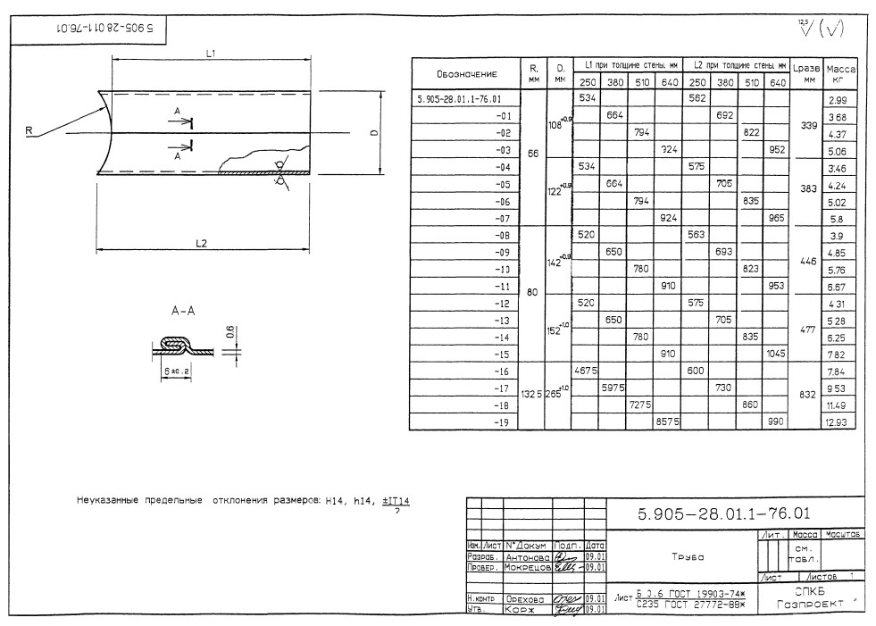
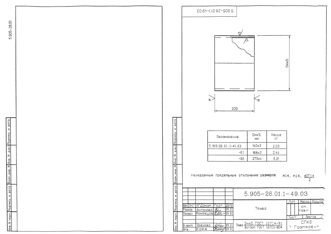
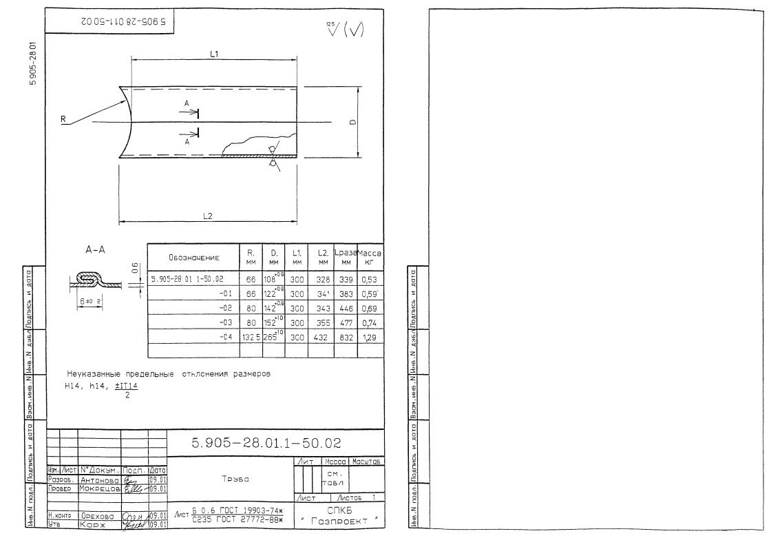
Труба
5.905-28.01.1-49.03 Труба
Опорная конструкция
5.905-28.01.1-49.04 Опорная конструкция
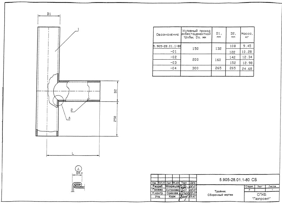
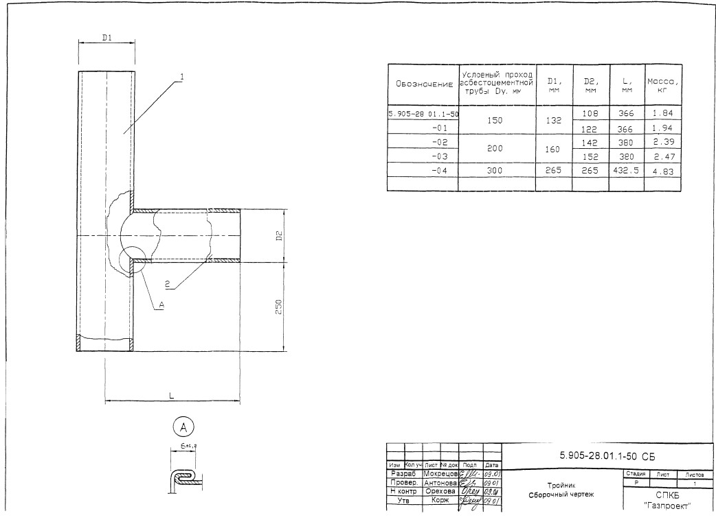
Тройник. Сборочный чертеж
5.905-28.01.1-50 СБ. Тройник. Сборочный чертеж
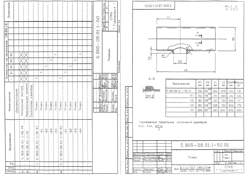
Труба
5.905-28.01.1-50.01 Труба
Труба
5.905-28.01.1-50.02 Труба
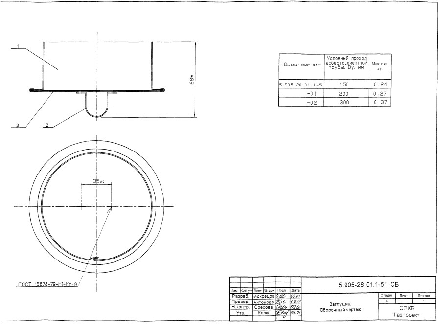
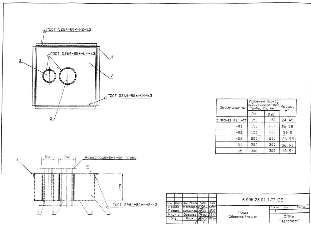
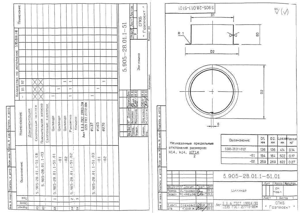
Заглушка сборочный чертеж
5.905-28.01.1-51 СБ. Заглушка. Сборочный чертеж
Цилиндр
5.905-28.01.1-51.01 Цилиндр
Хомут на асбестоцементные трубы
5.905-28.01.1-52 СБ. Хомут на асбестоцементные трубы. Сборочный чертеж
Полухомут
5.905-28.01.1-52.01. Полухомут
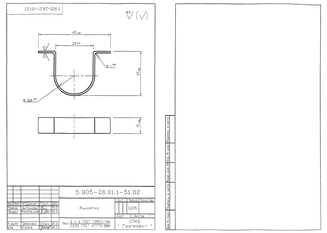
Рукоятка
5.905-28.01.1-51.02. Рукоятка
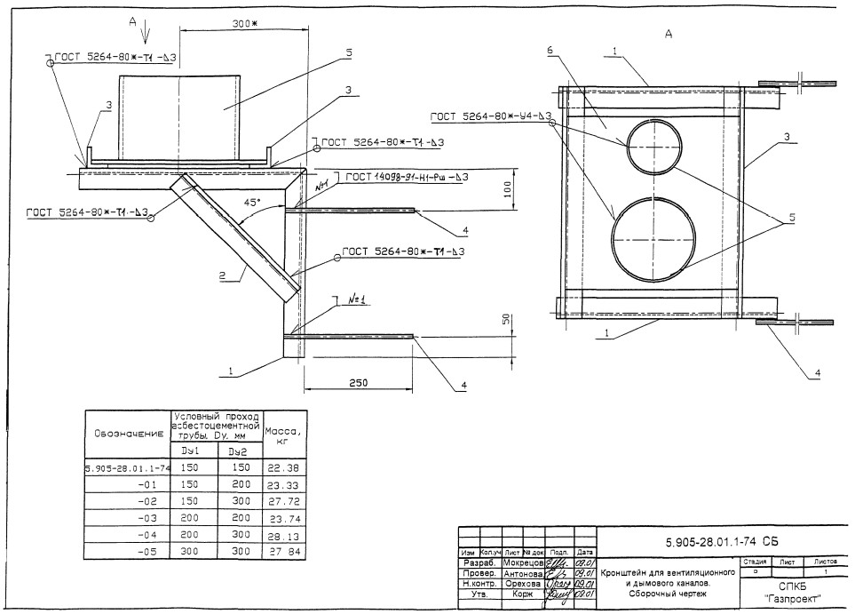
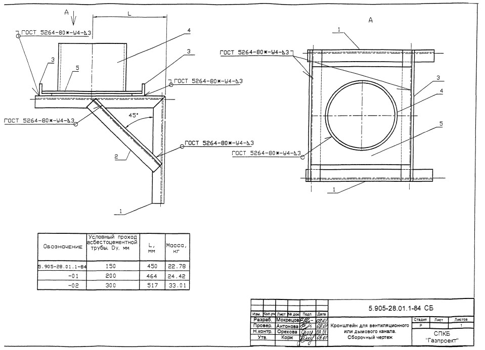
Кронштейн для вентиляционного и дымового каналов
5.905-28.01.1-74. Кронштейн для вентиляционного и дымового каналов. Спецификация.
Кронштейн для вентиляционного и дымового каналов
5.905-28.01.1-74. Кронштейн для вентиляционного и дымового каналов. Спецификация.
Кронштейн для вентиляционного и дымового каналов
5.905-28.01.1-74 СБ. Кронштейн для вентиляционного и дымового каналов. Сборочный чертеж.
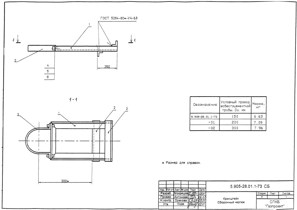
Кронштейн
5.905-28.01.1-73. Кронштейн. Спецификация.
Кронштейн
5.905-28.01.1-73. Кронштейн. Спецификация.
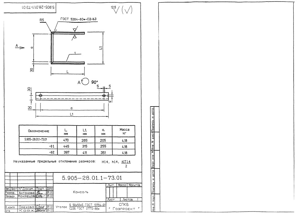
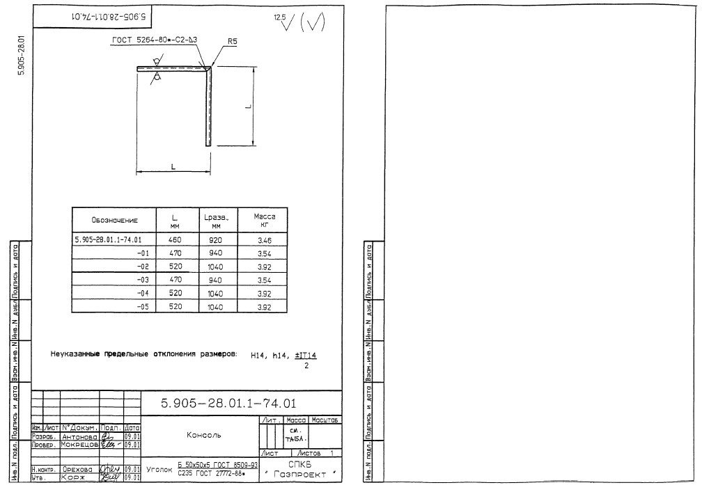
Консоль
5.905-28.01.1-73.01 Консоль
Кронштейн
5.905-28.01.1-73 СБ Кронштейн. Сборочный чертеж.
Консоль и гильза
5.905-28.01.1-71.01 Консоль. 5.905-28.01.1-72 Гильза
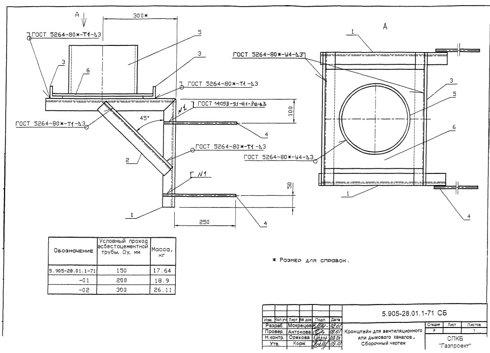
Кронштейн для вентиляционного и дымового каналов
5.905-28.01.1-71. Кронштейн для вентиляционного и дымового каналов. Спецификация.
Кронштейн для вентиляционного и дымового каналов
5.905-28.01.1-71. Кронштейн для вентиляционного и дымового каналов. Спецификация.
Кронштейн для вентиляционного или дымового каналов
5.905-28.01.1-71 СБ. Кронштейн для вентиляционного или дымового каналов. Сборочный чертеж.
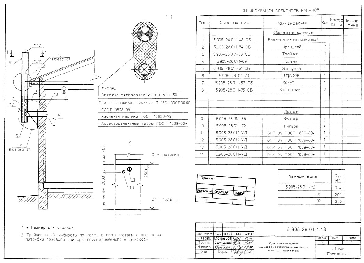
Патрубок
5.905-28.01.1-70. Патрубок
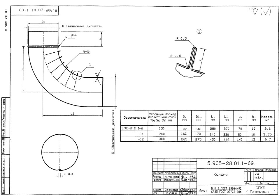
Колено
5.905-28.01.1-69. Колено
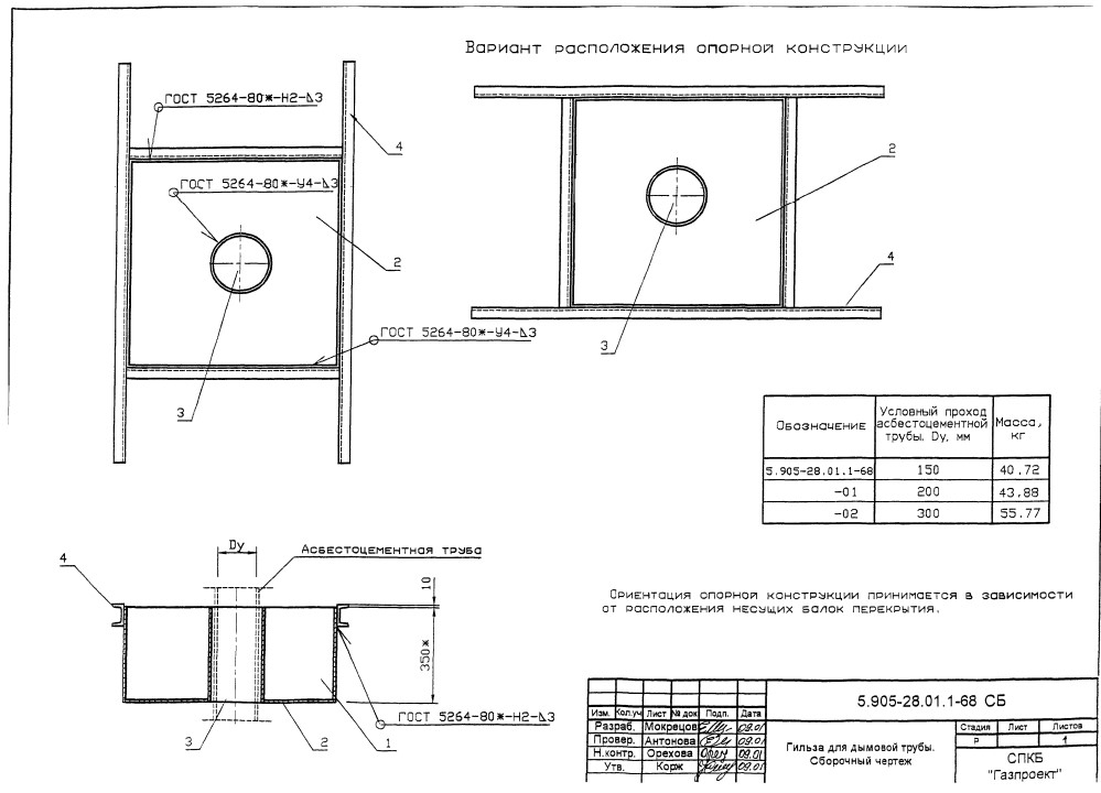
Гильза для дымовой трубы
5.905-28.01.1-68. Гильза для дымовой трубы. Спецификация
Гильза для дымовой трубы
5.905-28.01.1-68. Гильза для дымовой трубы. Спецификация
Гильза для дымовой трубы
5.905-28.01.1-68 СБ. Гильза для дымовой трубы. Сборочный чертеж
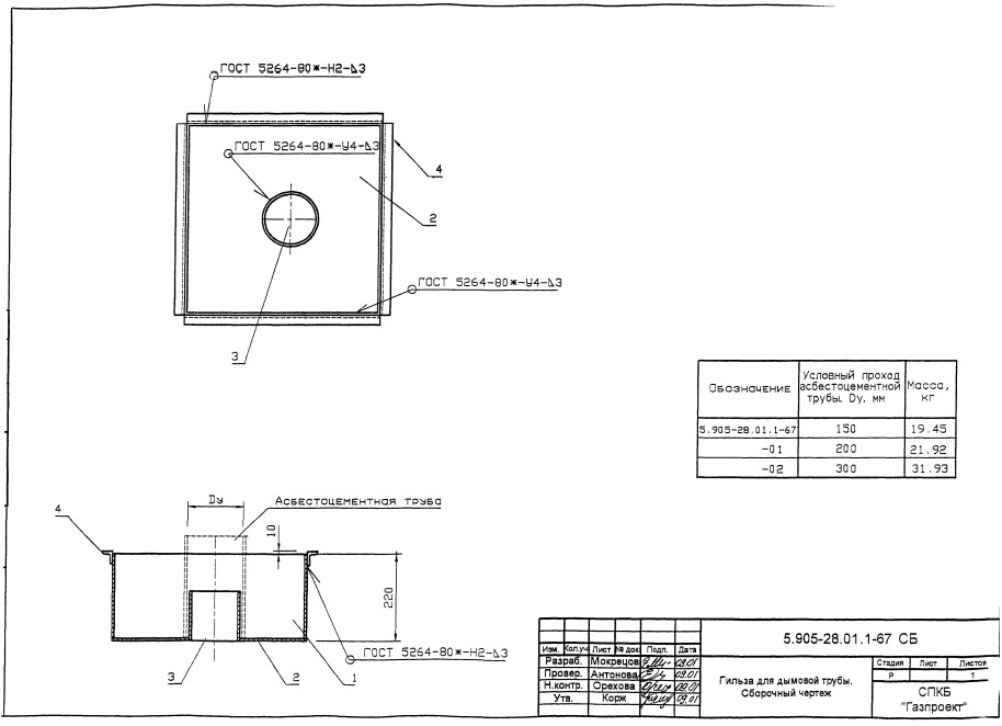
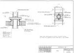
Гильза для дымовой трубы
5.905-28.01.1-67. Гильза для дымовой трубы. Спецификация
Гильза для дымовой трубы
5.905-28.01.1-67. Гильза для дымовой трубы. Спецификация
Гильза для дымовой трубы
5.905-28.01.1-67 СБ. Гильза для дымовой трубы. Сборочный чертеж
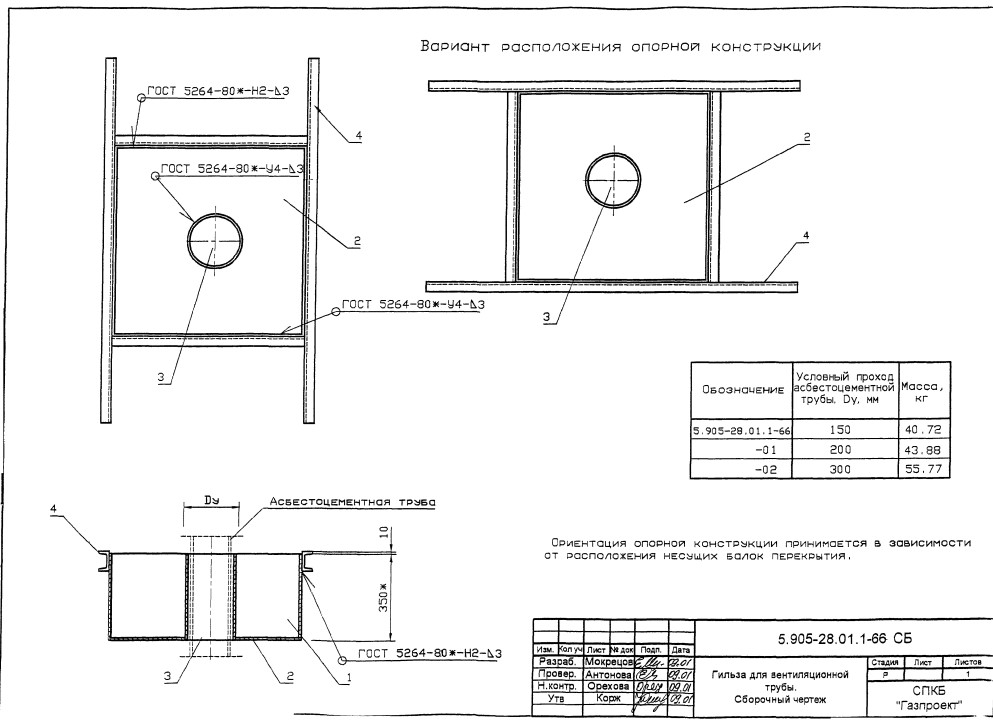
Гильза для вентиляционной трубы
5.905-28.01.1-66. Гильза для вентиляционной трубы. Спецификация
Гильза для вентиляционной трубы
5.905-28.01.1-66. Гильза для вентиляционной трубы. Спецификация
Гильза для вентиляционной трубы
5.905-28.01.1-66 СБ. Гильза для вентиляционной трубы. Сборочный чертеж
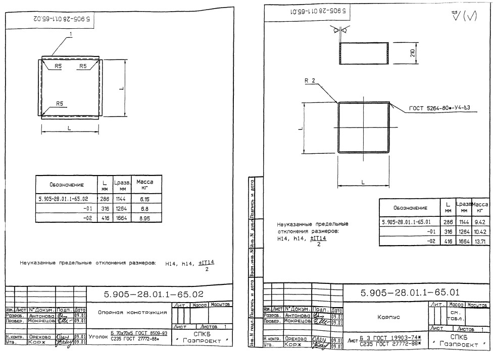
Опорная конструкция и корпус
5.905-28.01.1-65.02 Опорная конструкция. 5.905-28.01.1-65.01 Корпус
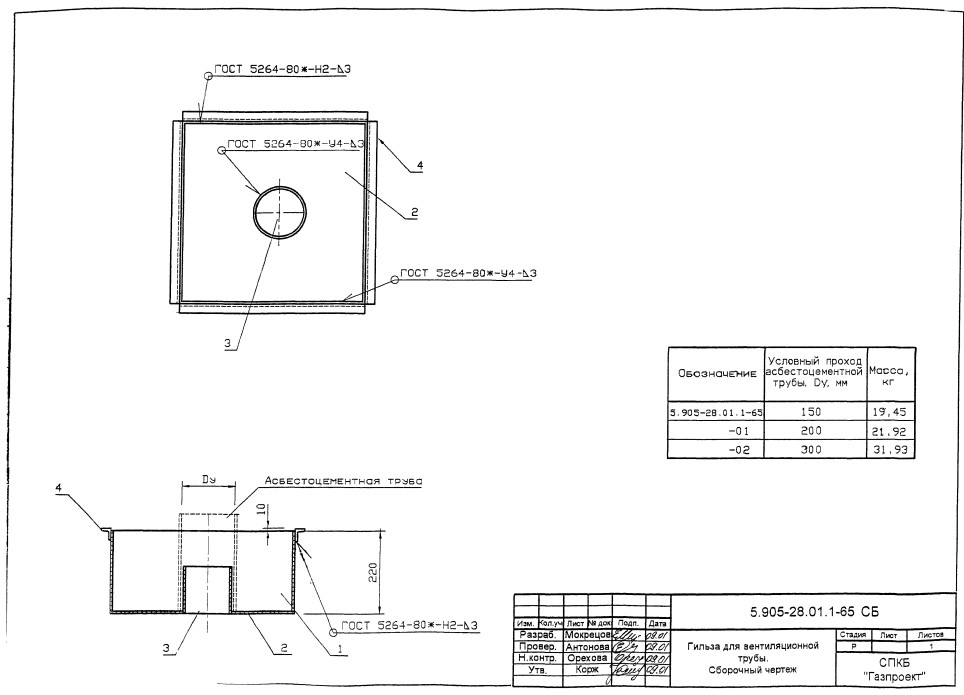
Гильза для вентиляционной трубы
5.905-28.01.1-65. Гильза для вентиляционной трубы. Спецификация
Гильза для вентиляционной трубы
5.905-28.01.1-65. Гильза для вентиляционной трубы. Спецификация
Гильза для вентиляционной трубы
5.905-28.01.1-65 СБ. Гильза для вентиляционной трубы. Сборочный чертеж
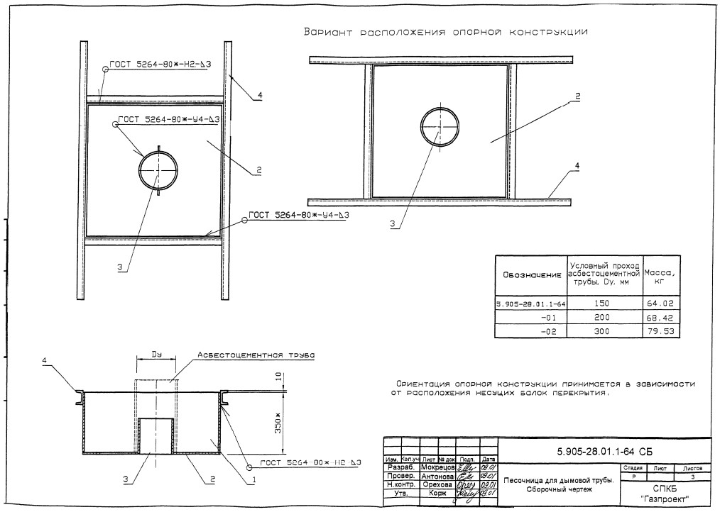
Опорная конструкция
5.905-28.01.1-64.03 СБ Опорная конструкция. Сборочный чертеж
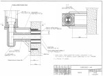
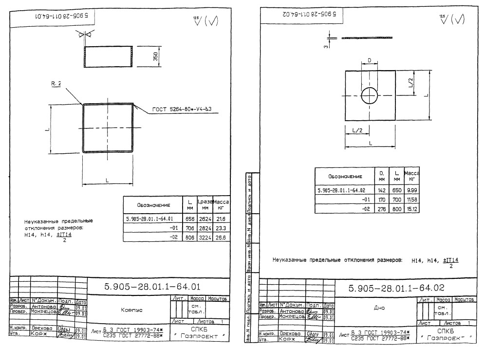
Корпус и дно
5.905-28.01.1-64.01 Корпус. 5.905-28.01.1-64.02 Дно
Песочница для дымовой трубы
5.905-28.01.1-64 Песочница для дымовой трубы
Песочница для дымовой трубы
5.905-28.01.1-64 Песочница для дымовой трубы. Спецификация
Песочница для дымовой трубы
5.905-28.01.1-64 СБ Песочница для дымовой трубы. Сборочный чертеж
Фартук для одной трубы и футляр
5.905-28.01.1-62 Фартук для одной трубы. 5.905-28.01.1-63 Футляр
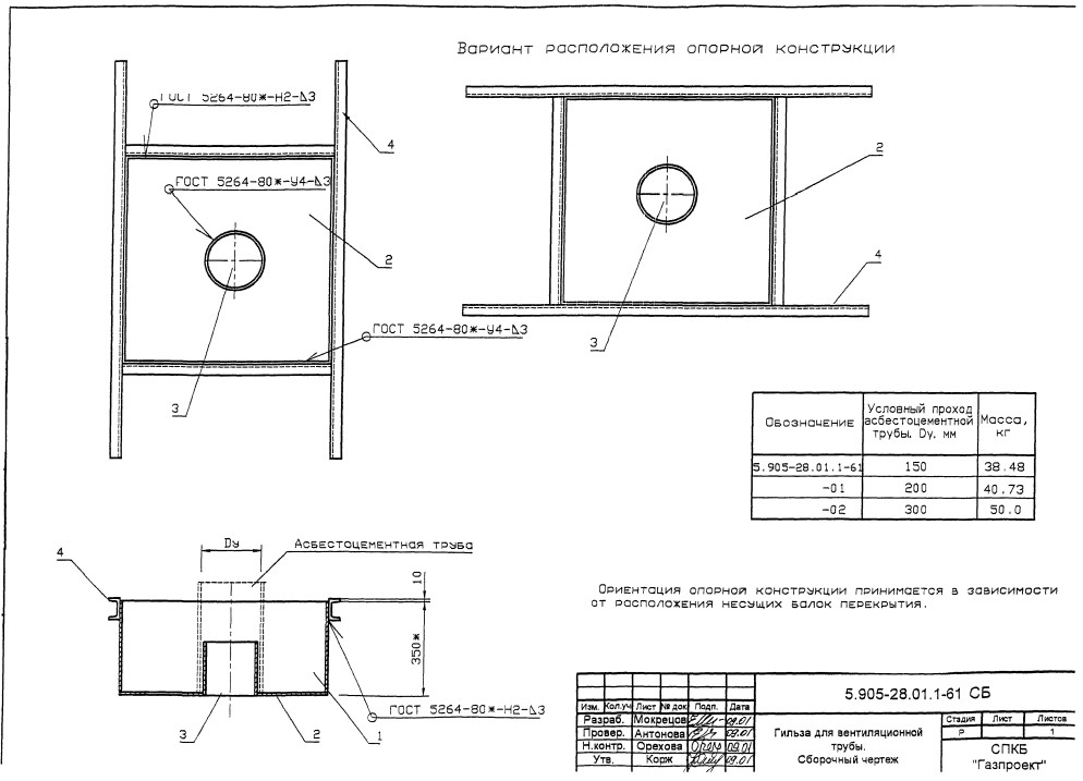
Опорная конструкция
5.905-28.01.1-61.03 СБ Опорная конструкция. Сборочный чертеж
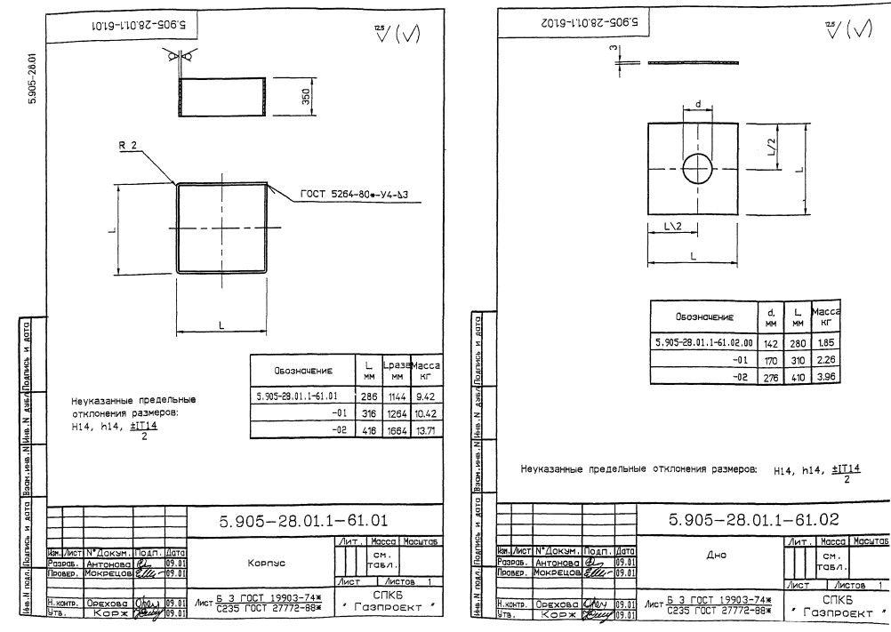
Корпус и дно
5.905-28.01.1-61.01 Корпус. 5.905-28.01.1-61.02 Дно
Гильза для вентиляционной трубы
5.905-28.01.1-61 Гильза для вентиляционной трубы
Гильза для вентиляционной трубы
5.905-28.01.1-61 Гильза для вентиляционной трубы. Спецификация
Гильза для вентиляционной трубы
5.905-28.01.1-61 СБ Гильза для вентиляционной трубы. Сборочный чертеж
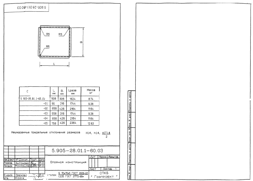
Гильза для вентиляционной трубы
5.905-28.01.1-60.03 Опорная конструкция
Корпус и дно
5.905-28.01.1-60.01 Корпус. 5.905-28.01.1-60.02 Дно
Песочница
5.905-28.01.1-60 Песочница. Спецификация
Песочница
5.905-28.01.1-60 Песочница. Спецификация
Песочница
5.905-28.01.1-60 СБ. Песочница. Сборочный чертеж
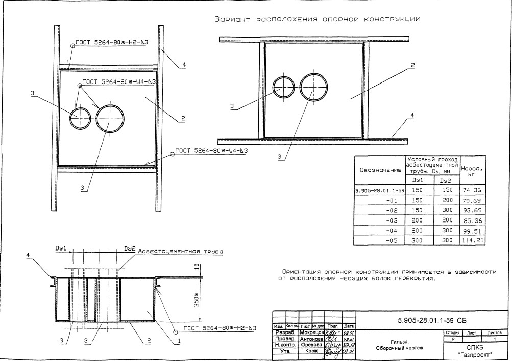
Труба и дно
5.905-28.01.1-59.01 Труба. 5.905-28.01.1-59.02 Дно
Гильза
5.905-28.01.1-59 Гильза. Спецификация
Гильза
5.905-28.01.1-59 Гильза. Спецификация
Гильза
5.905-28.01.1-59 СБ. Гильза. Сборочный чертеж
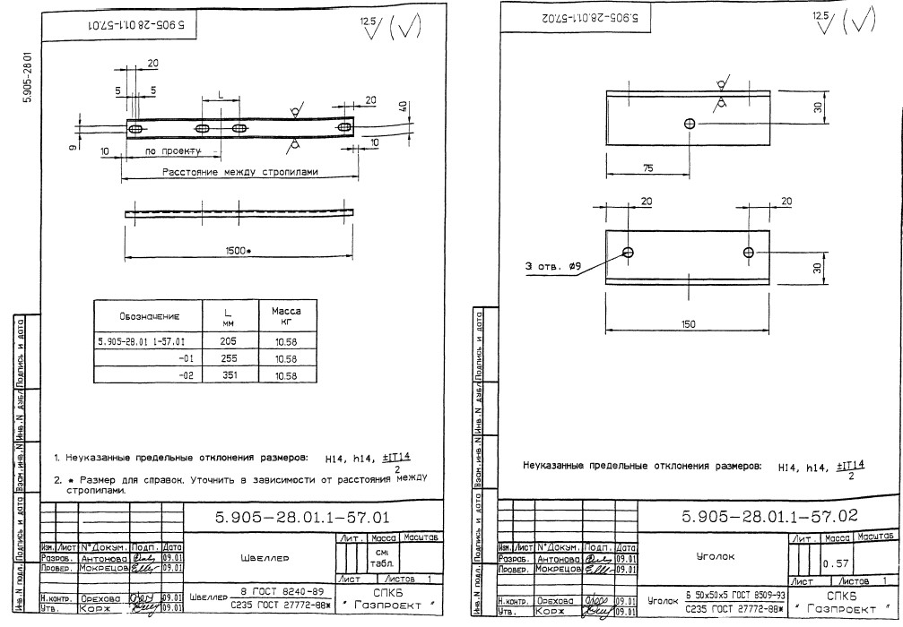
Швеллер
5.905-28.01.1-58.01 Швеллер
Опорная конструкция
5.905-28.01.1-58 Опорная конструкция. Спецификация
Опорная конструкция
5.905-28.01.1-58 Опорная конструкция. Спецификация
Опорная конструкция
5.905-28.01.1-58 СБ. Опорная конструкция. Сборочный чертеж
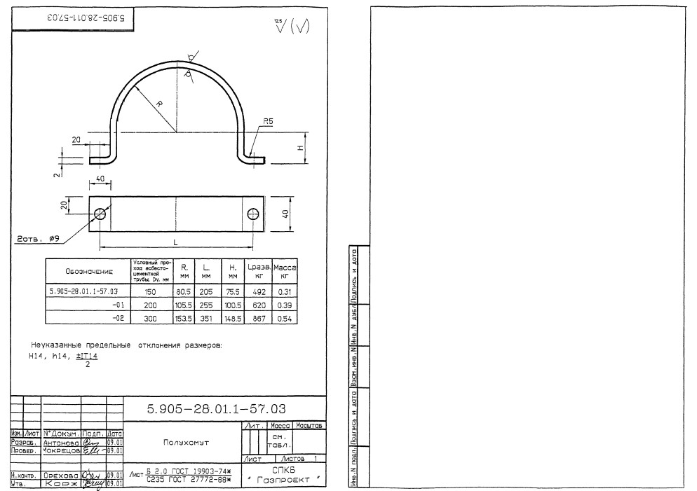
Полухомут
5.905-28.01.1-57.03 Полухомут
Швеллер и Уголок
5.905-28.01.1-57.01 Швеллер. 5.905-28.01.1-57.02 Уголок
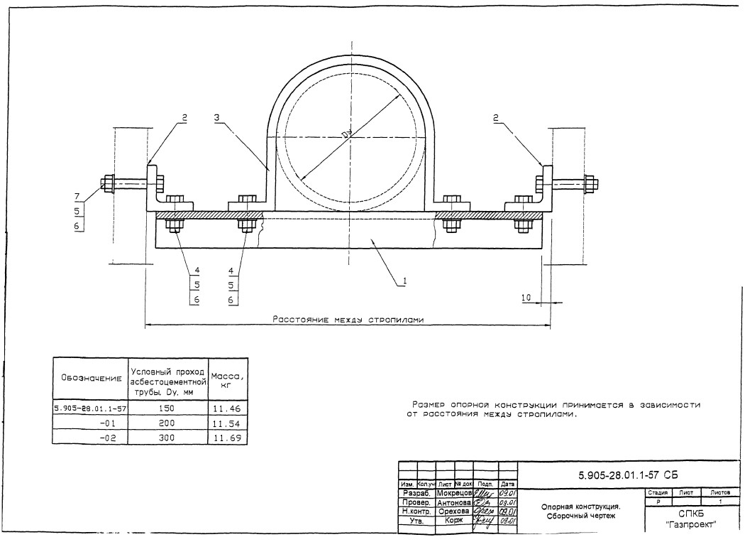
Опорная конструкция
5.905-28.01.1-57 Опорная конструкция. Спецификация
Опорная конструкция
5.905-28.01.1-57 Опорная конструкция. Спецификация
Опорная конструкция
5.905-28.01.1-57 СБ. Опорная конструкция. Сборочный чертеж
Футляр и Опора
5.905-28.01.1-55 Футляр. 5.905-28.01.1-56 Опора
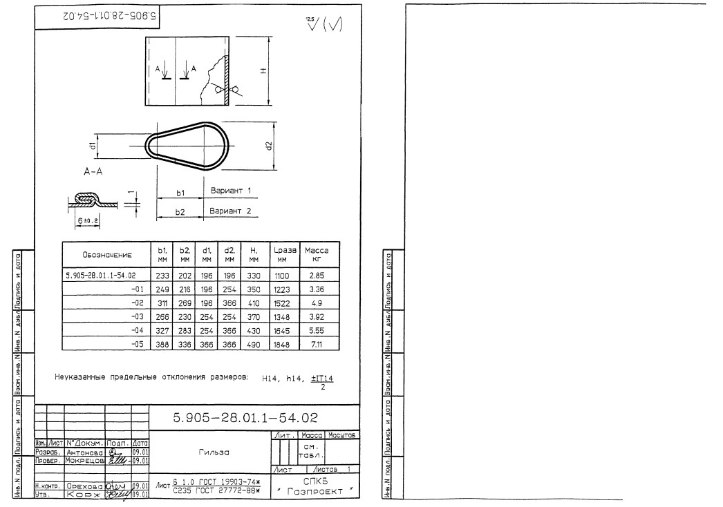
Гильза
5.905-28.01.1-54.02 Гильза
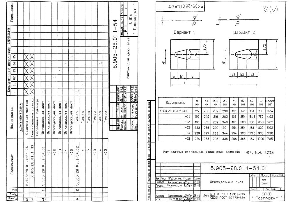
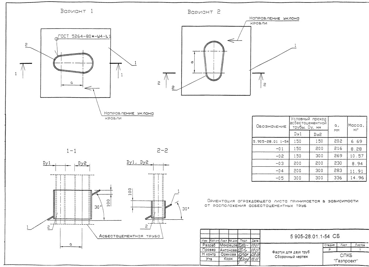
Фартук для двух труб и ограждающий лист
5.905-28.01.1-54 Фартук для двух труб. 5.905-28.01.1-54.01 Ограждающий лист
Фартук для двух труб
5.905-28.01.1-54 СБ. Фартук для двух труб. Сборочный чертеж
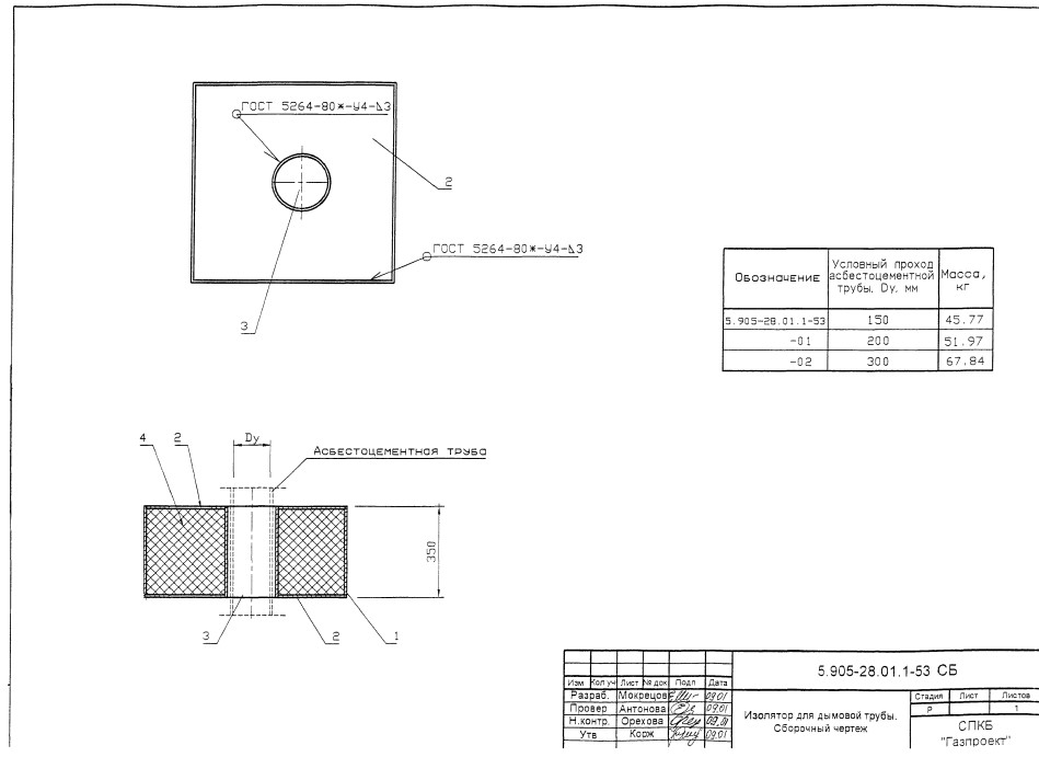
Изолятор для дымовой трубы
5.905-28.01.1-53 Изолятор для дымовой трубы. Спецификация
Изолятор для дымовой трубы
5.905-28.01.1-53 Изолятор для дымовой трубы. Спецификация
Изолятор для дымовой трубы
5.905-28.01.1-53 СБ Изолятор для дымовой трубы. Сборочный чертеж
Консоль
5.905-28.01.1-74.01 Консоль
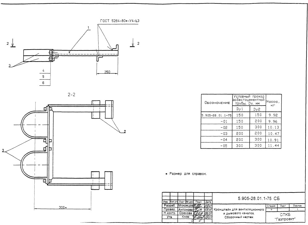
Кронштейн для вентиляционного и дымового каналов
5.905-28.01.1-75 СБ Кронштейн для вентиляционного и дымового каналов. Сборочный чертеж
Кронштейн для вентиляционного и дымового каналов
5.905-28.01.1-75 Кронштейн для вентиляционного и дымового каналов. Спецификация
Кронштейн для вентиляционного и дымового каналов
5.905-28.01.1-75 Кронштейн для вентиляционного и дымового каналов. Спецификация
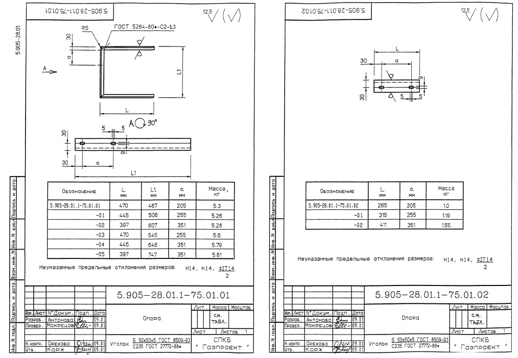
Опора
5.905-28.01.1-75.01.01, 5.905-28.01.1-75.01.02. Опора
Тройник наружный
5.905-28.01.1-76 СБ. Тройник наружный. Сборочный чертеж
Тройник наружный
5.905-28.01.1-76 Тройник наружный. Спецификация
Тройник наружный
5.905-28.01.1-76 Тройник наружный. Спецификация
Труба
5.905-28.01.1-76.01 Труба
Гильза
5.905-28.01.1-77 СБ Гильза. Сборочный чертеж
Гильза
5.905-28.01.1-77 Гильза. Спецификация
Гильза
5.905-28.01.1-77 Гильза. Спецификация
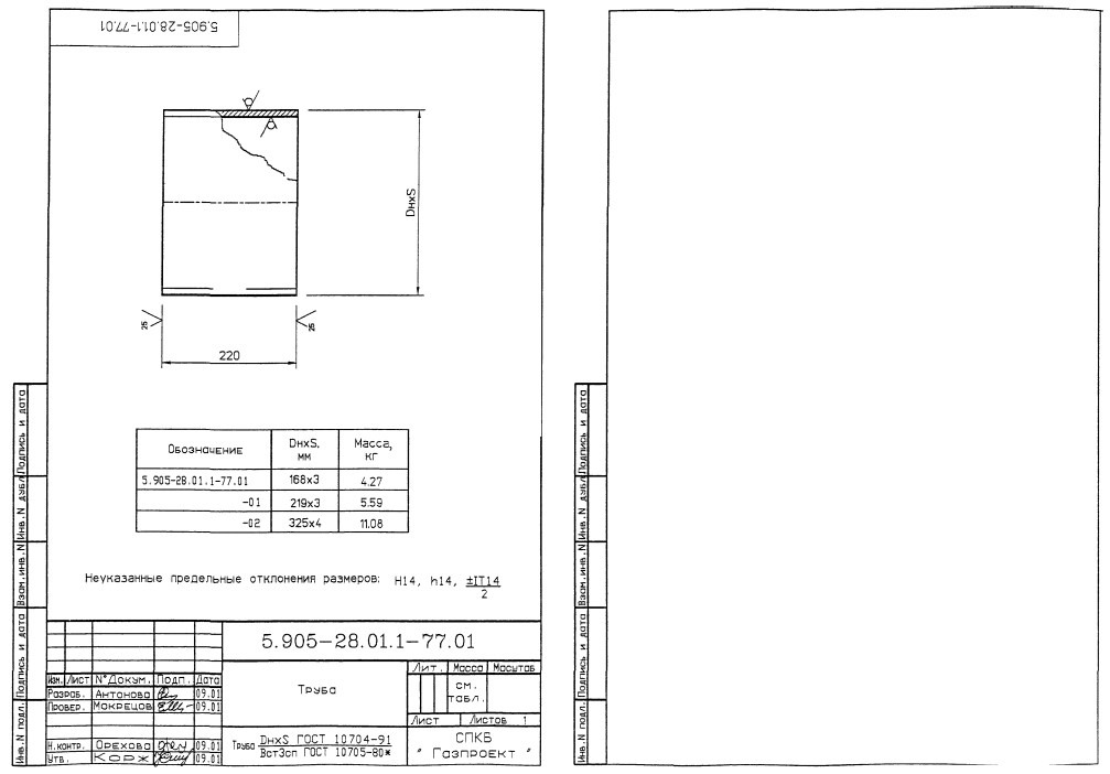
Труба
5.905-28.01.1-77.01 Труба
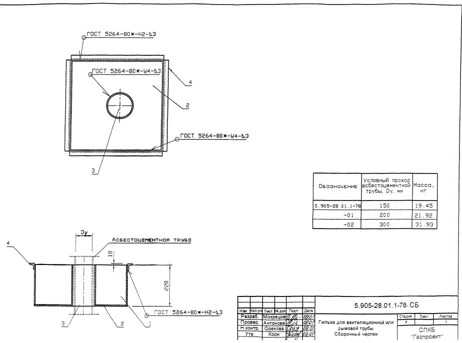
Гильза для вентиляционной или дымовой трубы
5.905-28.01.1-78 СБ. Гильза для вентиляционной или дымовой трубы. Сборочный чертеж
Гильза для вентиляционной или дымовой трубы
5.905-28.01.1-78. Гильза для вентиляционной или дымовой трубы. Спецификация
Гильза для вентиляционной или дымовой трубы
5.905-28.01.1-78. Гильза для вентиляционной или дымовой трубы. Спецификация
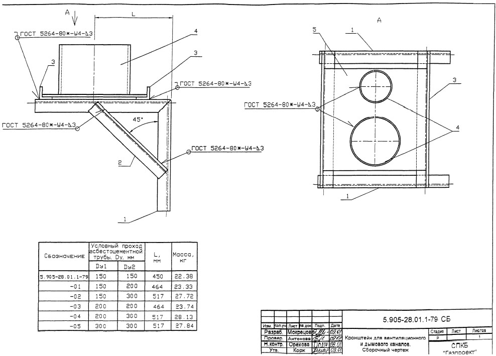
Кронштейн для вентиляционного и дымового каналов
5.905-28.01.1-79 СБ. Кронштейн для вентиляционного и дымового каналов. Сборочный чертеж
Кронштейн для вентиляционного и дымового каналов
5.905-28.01.1-79. Кронштейн для вентиляционного и дымового каналов. Спецификация
Кронштейн для вентиляционного и дымового каналов
5.905-28.01.1-79. Кронштейн для вентиляционного и дымового каналов. Спецификация
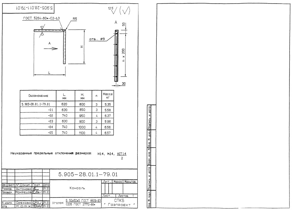
Консоль
5.905-28.01.1-79.01. Консоль
Тройник
5.905-28.01.1-80 СБ. Тройник. Сборочный чертеж
Труба
5.905-28.01.1-80.01. Труба
Патрубок
5.905-28.01.1-81. Патрубок
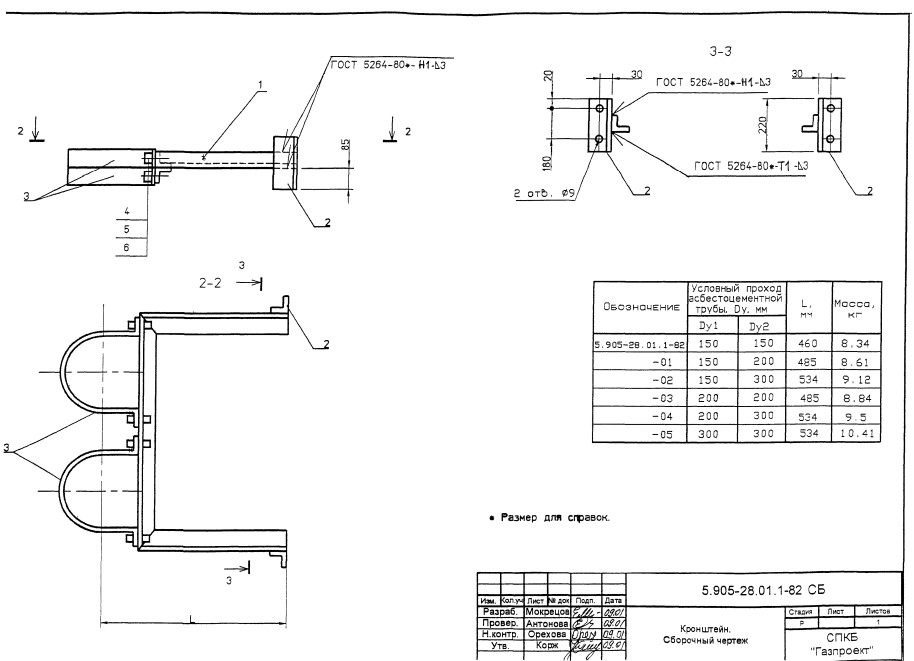
Кронштейн
5.905-28.01.1-82 СБ. Кронштейн. Сборочный чертеж
Кронштейн
5.905-28.01.1-82. Кронштейн. Спецификация
Кронштейн
5.905-28.01.1-82. Кронштейн. Спецификация
Консоль
5.905-28.01.1-82.01 СБ Консоль. Сборочный чертеж
Консоль
5.905-28.01.1-82.01. Консоль. Спецификация
Опора
5.905-28.01.1-82.01.01 Опора
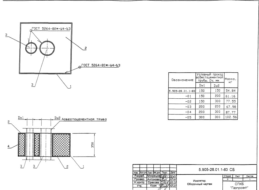
Изолятор
5.905-28.01.1-83 СБ. Изолятор. Сборочный чертеж
Изолятор
5.905-28.01.1-83. Изолятор. Спецификация
Изолятор
5.905-28.01.1-83. Изолятор. Спецификация
Кронштейн для вентиляционного или дымового каналов
5.905-28.01.1-84. Кронштейн для вентиляционного или дымового каналов. Сборочный чертеж
Кронштейн для вентиляционного или дымового каналов
5.905-28.01.1-84. Кронштейн для вентиляционного или дымового каналов. Спецификация
Кронштейн для вентиляционного или дымового каналов
5.905-28.01.1-84. Кронштейн для вентиляционного или дымового каналов. Спецификация
Кронштейн
5.905-28.01.1-85. Спецификация
Кронштейн
5.905-28.01.1-85. Спецификация
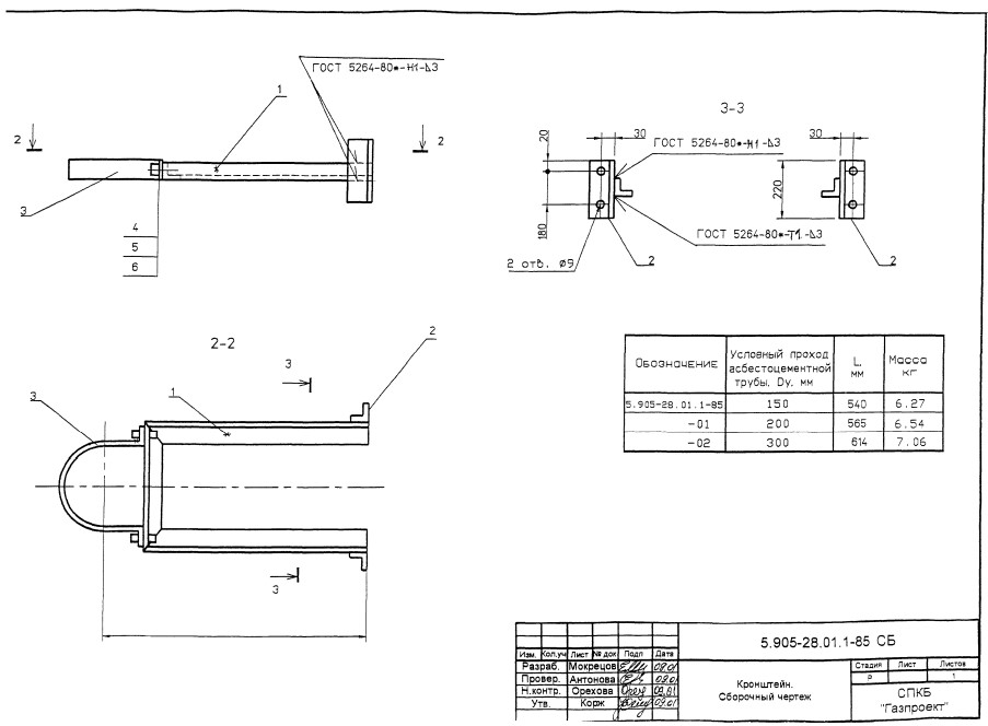
Кронштейн
5.905-28.01.1-85 СБ. Кронштейн. Сборочный чертеж